Operation CHARM: Car repair manuals for everyone.
Manuals through 2025 now available!

Our trusted friends have launched a new website named LEMON, which has newer manuals. It also contains all the CHARM manuals.

LEMON is the spiritual successor to CHARM, I recommend you try it!

Link: lemon-manuals.la or lemon-manuals.org.ua

(Some people have issue connecting. LEMON is investigating. For now, use Firefox or change your DNS server)

Or, hide this message: temporarily or permanently

Knock Sensor: Service and Repair

Knock Sensor:




Knock Sensor:




Knock Sensor:




Knock Sensor:




Knock Sensor:





REMOVAL

1. DISCHARGE FUEL SYSTEM PRESSURE
2. PRECAUTION
Refer to Restraint Systems; Service Precautions.
3. REMOVE ENGINE ROOM SIDE LH COVER NO.2
4. REMOVE ENGINE ROOM COVER SIDE
5. DISCONNECT CABLE FROM NEGATIVE BATTERY TERMINAL
6. DRAIN COOLANT (for Engine)
7. REMOVE FRONT WIPER ARM AND BLADE ASSEMBLY RH
8. REMOVE FRONT WIPER ARM AND BLADE ASSEMBLY LH
9. REMOVE COWL TOP VENTILATOR LOUVER SUBASSEMBLY
10. REMOVE WINDSHIELD WIPER MOTOR AND LINK ASSEMBLY
11. REMOVE COWL TOP PANEL SUB-ASSEMBLY OUTER
12. REMOVE COOL AIR INTAKE DUCT SEAL
13. REMOVE AIR CLEANER CAP W/ INLET
14. REMOVE AIR CLEANER CASE W/ RESONATOR
15. SEPARATE BRAKE MASTER CYLINDER RESERVOIR SUB-ASSEMBLY
16. REMOVE RESERVOIR BRACKET
17. REMOVE AIR CLEANER BRACKET
18. REMOVE ENGINE MOVING CONTROL ROD

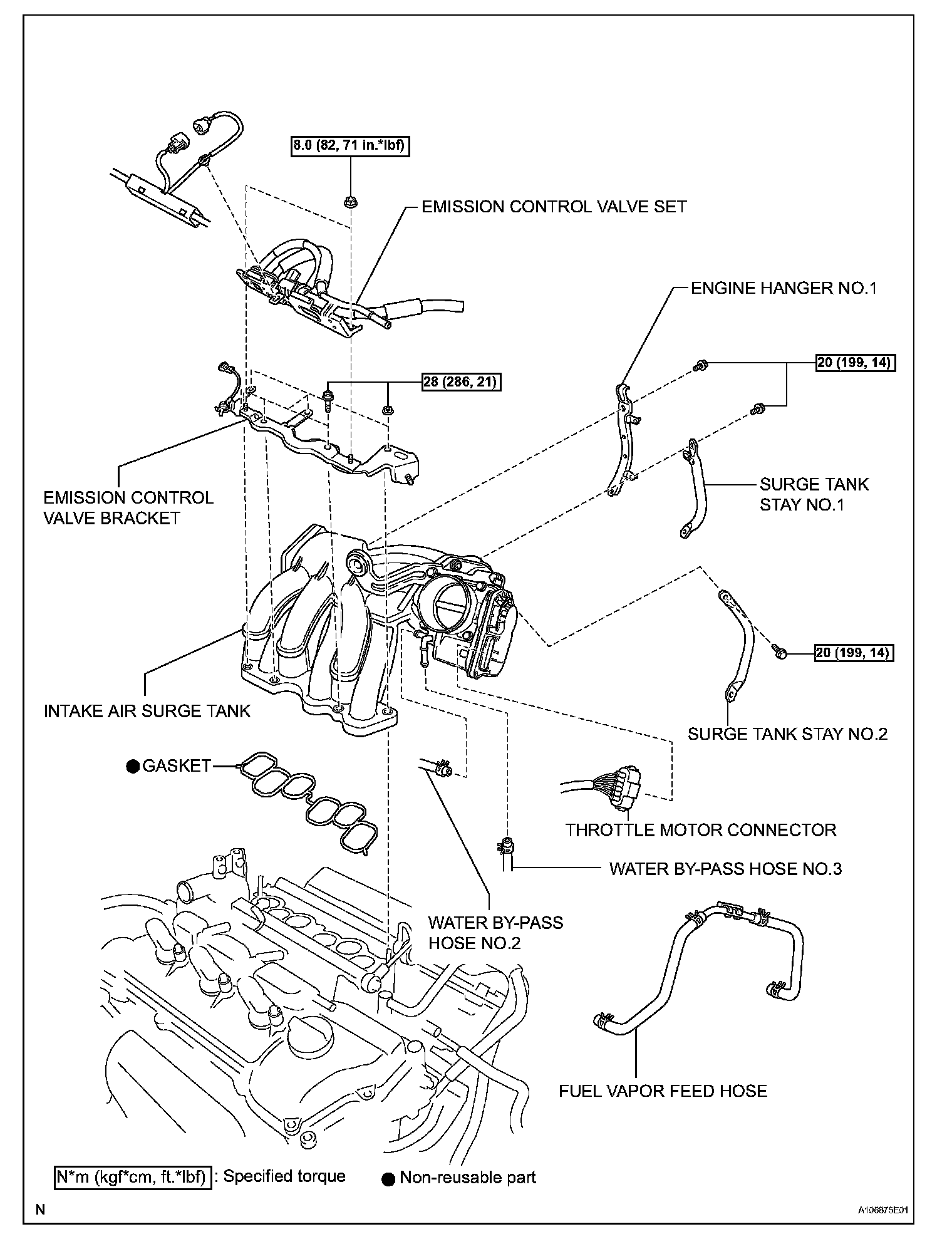
19. REMOVE EMISSION CONTROL VALVE SET




a. Disconnect the VSV connector (A).
b. Remove the wire harness clamp (B).
c. Disconnect the fuel vapor feed hose No.1 (C).
d. Disconnect the fuel vapor feed hose No.2 (D).
e. Remove the 2 nuts (E), then remove the emission control valve set.

20. REMOVE INTAKE AIR SURGE TANK




a. Disconnect the throttle motor connector (A).
b. Separate the water by-pass hose No.2 (B).
c. Separate the water by-pass hose No.3 (C).
d. Separate the fuel vapor feed hose (D).




e. Disconnect the ventilation hose.




f. Remove the 2 bolts, then remove the engine hanger No.1 (A).
g. Remove the 2 bolts, then remove the surge tank stay No.1 (B).
h. Remove the 2 bolts, then remove the surge tank stay No.2 (C).




i. Disconnect the ground cable connector.
j. Using a socket hexagon wrench 8 mm, remove the 4 bolts.
k. Remove the 2 nuts, then remove the emission control valve bracket and the intake air surge tank.
l. Remove the gasket from the intake air surge tank.

21. DISCONNECT FUEL PIPE SUB-ASSEMBLY




a. Remove the EFI fuel pipe clamp No.1.
b. Pinch the quick connector and then pull out the fuel pipe No.1.

NOTE:
- Remove dirt or foreign objects on the quick connector before this work.
- Do not to allow any scratches or foreign objects on the parts when disconnecting as the fuel hose connector has the O-ring that seals the pipe.
- Perform this work by hand. Do not use any tools.
- Do not forcibly bend, twist or turn the nylon tube.
- Protect the connected part by covering it with a vinyl bag after disconnecting the hose.
- If the quick connector and pipe are stuck, push and pull them to release.

22. DISCONNECT HEATER WATER INLET HOSE




a. Disconnect the heater water inlet hose.

23. DISCONNECT RADIATOR HOSE INLET




a. Disconnect the radiator hose inlet.

24. REMOVE INTAKE MANIFOLD




a. Remove the nut and ground cable.




b. Disconnect the 6 fuel injector connectors.




c. In order to remove the intake manifold, using several steps, remove the 9 bolts and 2 nuts in the sequence shown in the illustration.

25. REMOVE WATER OUTLET

26. REMOVE KNOCK CONTROL SENSOR




a. Disconnect the 2 knock sensor connectors.
b. Remove the 2 nuts, and then remove the 2 knock sensors.

INSTALLATION

1. INSTALL KNOCK CONTROL SENSOR




a. Install the 2 knock sensors so that it is horizontal as shown in the illustration. Then install the 2 bolts.

Torque: 20 N.m (199 kgf.cm, 15 ft.lbf)

HINT: It is acceptable for the sensor to be tilted 5°.




b. Connect the 2 knock sensor connectors.

2. INSTALL WATER OUTLET

3. INSTALL INTAKE MANIFOLD




a. Install the intake manifold with the 9 bolts, 2 nuts and 2 washers. Using several steps, tighten the bolts and nuts uniformly in the sequence shown in the illustration.

Torque: 15 N.m (153 kgf.cm, 11 ft.lbf)

b. Retighten the water outlet mounting bolts and nuts.

Torque: 15 N.m (153 kgf.cm, 11 ft.lbf)

c. Connect the 6 fuel injector connectors.
d. Install the ground cable with the nut.

Torque: 8.4 N.m (86 kgf.cm, 74 in.lbf)

4. CONNECT RADIATOR HOSE INLET




a. Connect the radiator hose inlet.

5. CONNECT HEATER WATER INLET HOSE




a. Connect the heater water inlet hose.

6. CONNECT FUEL PIPE SUB-ASSEMBLY




a. Align the quick connector with the pipe, then push in the quick connector until the retainer makes a "click" sound to connect the fuel hose to the fuel pipe.

NOTE:
- Check that there are no scratches or foreign objects around the connected part of the quick connector and pipe before this work.
- After connecting the fuel hose, confirm that it is securely connected by pulling the quick connector.

b. Install the fuel pipe clamp No. 1.

7. INSTALL INTAKE AIR SURGE TANK
a. Install a new gasket to the intake air surge tank.




b. Using a socket hexagon wrench 8 mm, install the intake manifold with the 4 bolts and 2 nuts . Using several steps, tighten the bolts and nuts uniformly in the sequence shown in the illustration.

Torque: 28 N.m (286 kgf.cm, 21 ft.lbf)

c. Connect the ground cable connector.




d. Install the surge tank stay No.2 (A) with the 2 bolts.

Torque: 20 N.m (199 kgf.cm, 14 ft.lbf)

e. Install the surge tank stay No.1 (B) with the 2 bolts.

Torque: 20 N.m (199 kgf.cm, 14 ft.lbf)

f. Install the engine hunger No.1 (C) with the 2 bolts.

Torque: 20 N.m (199 kgf.cm, 14 ft.lbf)




g. Connect the ventilation hose.




h. Connect the fuel vapor feed hose (A).
i. Connect the water by-pass hose No. 3 (B).
j. Connect the water by-pass hose No. 2 (C).
k. Connect the throttle motor connector (D).

8. INSTALL EMISSION CONTROL VALVE SET




a. Install the emission control valve set with the 2 nuts (A).

Torque: 8.0 N.m (82 kgf.cm, 71 in.lbf)

b. Connect the fuel vapor feed hose No. 2 (B).
c. Connect the fuel vapor feed hose No. 1 (C).
d. Connect the wire harness clamp (D).
e. Connect the VSV connector (E).

9. INSTALL ENGINE MOVING CONTROL ROD

10. INSTALL AIR CLEANER BRACKET
11. INSTALL RESERVOIR BRACKET
12. INSTALL BRAKE MASTER CYLINDER RESERVOIR SUB-ASSEMBLY
13. INSTALL AIR CLEANER CASE W/ RESONATOR
14. INSTALL AIR CLEANER CAP W/ INLET
15. INSTALL COOL AIR INTAKE DUCT SEAL
16. ADD COOLANT (for Engine)
17. CONNECT CABLE TO NEGATIVE BATTERY TERMINAL
18. INSPECT FOR COOLANT LEAK
19. INSPECT FOR FUEL LEAK
20. INSTALL COWL TOP PANEL SUB-ASSEMBLY OUTER
21. INSTALL WINDSHIELD WIPER MOTOR AND LINK ASSEMBLY
22. INSTALL COWL TOP VENTILATOR LOUVER SUBASSEMBLY
23. INSTALL FRONT WIPER ARM AND BLADE ASSEMBLY RH
24. INSTALL FRONT WIPER ARM AND BLADE ASSEMBLY LH
25. INSTALL ENGINE ROOM COVER SIDE
26. INSTALL ENGINE ROOM SIDE LH COVER NO.2

27. PERFORM INITIALIZATION
Some system need initialization when reconnecting the battery cable.