Operation CHARM: Car repair manuals for everyone.
Manuals through 2025 now available!

Our trusted friends have launched a new website named LEMON, which has newer manuals. It also contains all the CHARM manuals.

LEMON is the spiritual successor to CHARM, I recommend you try it!

Link: lemon-manuals.la or lemon-manuals.org.ua

(Some people have issue connecting. LEMON is investigating. For now, use Firefox or change your DNS server)

Or, hide this message: temporarily or permanently

Navigation Module: Testing and Inspection








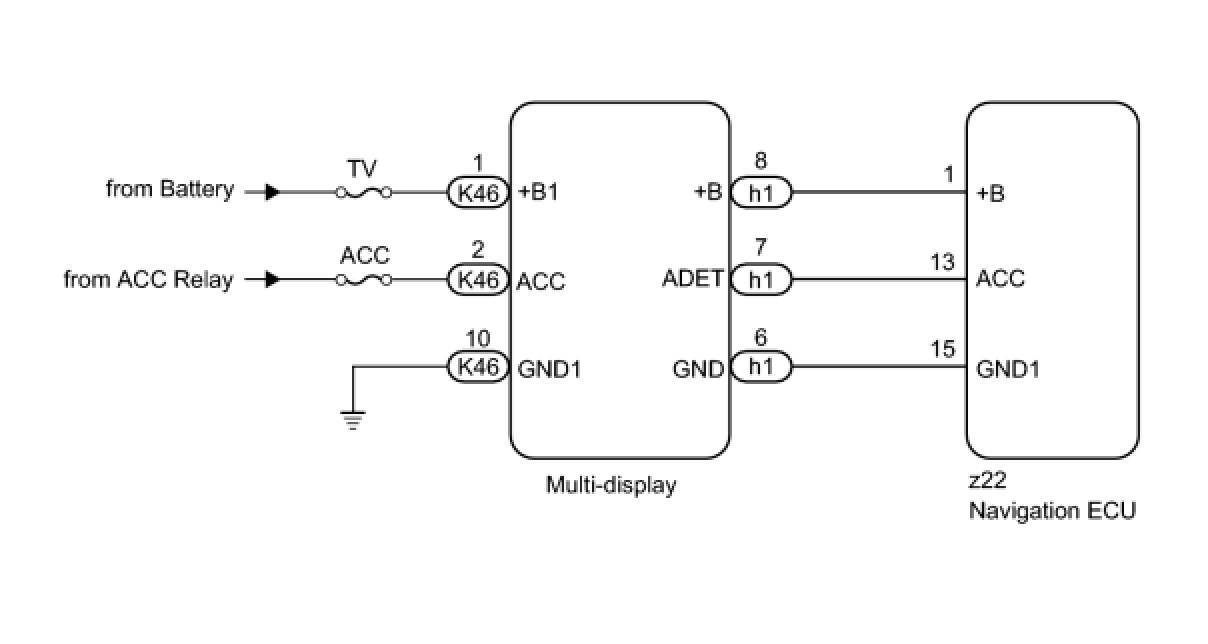
NAVIGATION: NAVIGATION SYSTEM: Navigation ECU Power Source Circuit

Navigation ECU Power Source Circuit

DESCRIPTION

This is the power source circuit to operate the navigation ECU.

WIRING DIAGRAM





INSPECTION PROCEDURE

PROCEDURE

1. INSPECT MULTI-DISPLAY





(a) Disconnect the navigation ECU connector.
(b) Measure the resistance according to the value(s) in the table below.
Standard resistance:





(c) Measure the voltage according to the value(s) in the table below.
Standard voltage:






NG -- CHECK HARNESS AND CONNECTOR (NAVIGATION ECU - MULTI-DISPLAY)
OK -- PROCEED TO NEXT CIRCUIT INSPECTION SHOWN IN PROBLEM SYMPTOMS TABLE
2. CHECK HARNESS AND CONNECTOR (NAVIGATION ECU - MULTI-DISPLAY)





(a) Disconnect the multi-display connector.





(b) Measure the resistance according to the value(s) in the table below.
Standard resistance:






NG -- REPAIR OR REPLACE HARNESS OR CONNECTOR
OK -- REPLACE MULTI-DISPLAY