Engine Control Part 12
Engine Control Part 12:
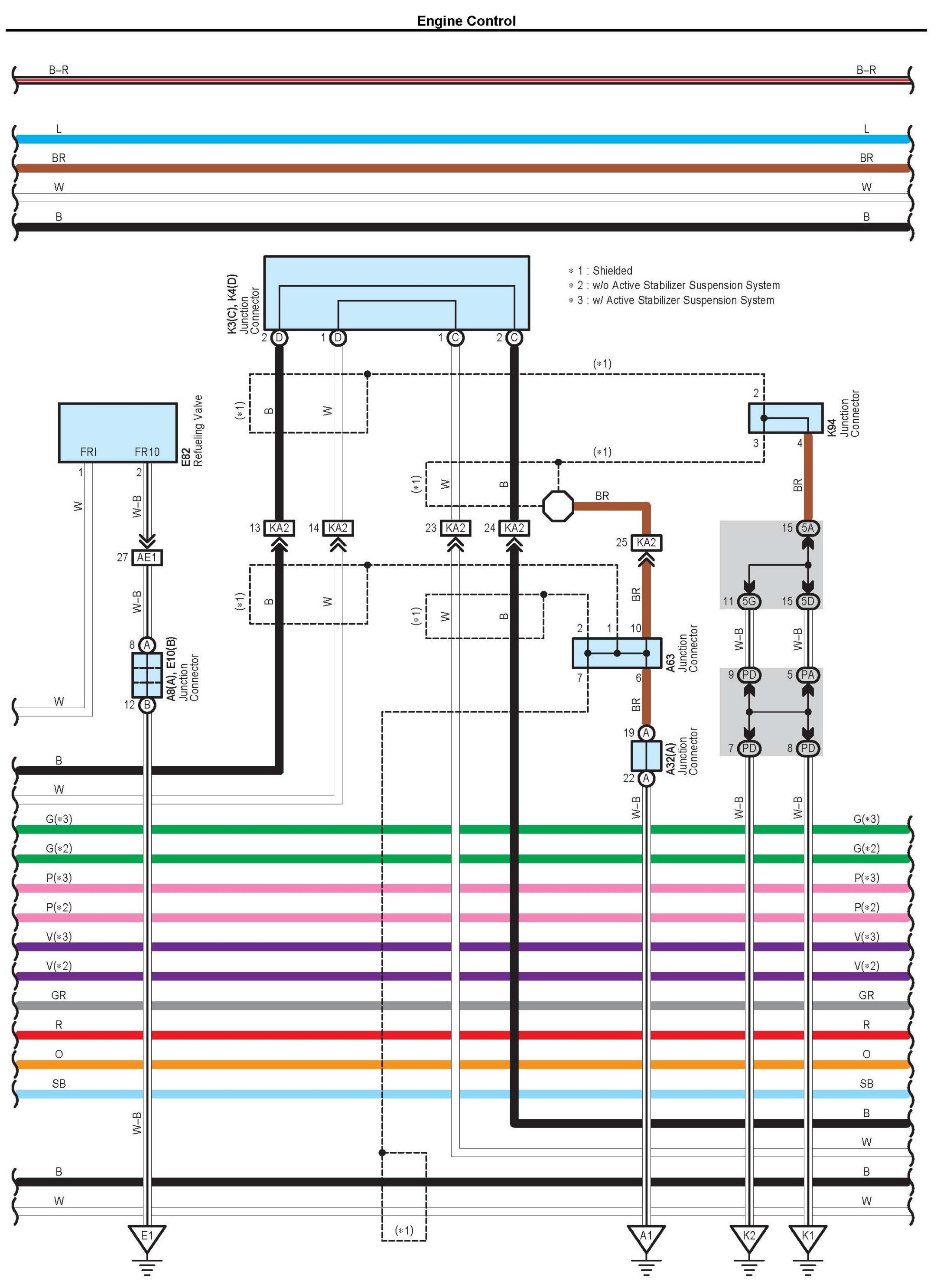
Connector Pin Outs Part 1:
Connector Pin Outs Part 2:
Connector Pin Outs Part 3:
Connector Pin Outs Part 4:
Connector Pin Outs Part 5:
Connector Pin Outs Part 6:
Connector Pin Outs Part 7:
Connector Pin Outs Part 8:
Connector Pin Outs Part 9:
Next Diagram Engine Control Part 13
Previous Diagram Engine Control Part 11
Locations: The locations of components, connectors, ground points, and splices referred to within these diagrams can be found at Vehicle Locations. Locations