Operation CHARM: Car repair manuals for everyone.
Manuals through 2025 now available!

Our trusted friends have launched a new website named LEMON, which has newer manuals. It also contains all the CHARM manuals.

LEMON is the spiritual successor to CHARM, I recommend you try it!

Link: lemon-manuals.la or lemon-manuals.org.ua

(Some people have issue connecting. LEMON is investigating. For now, use Firefox or change your DNS server)

Or, hide this message: temporarily or permanently

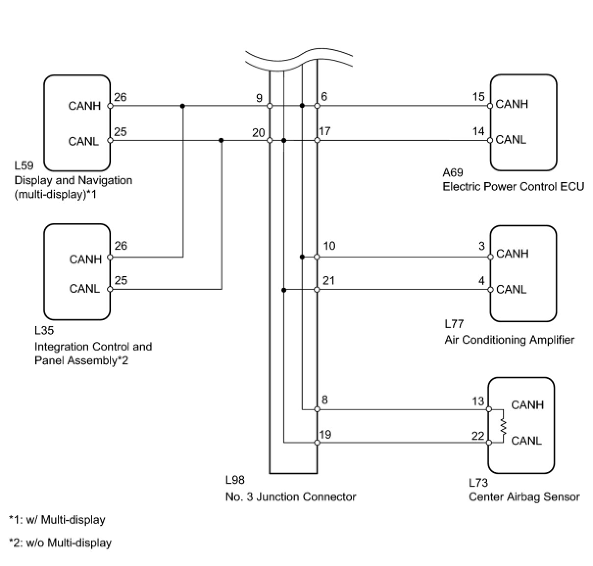
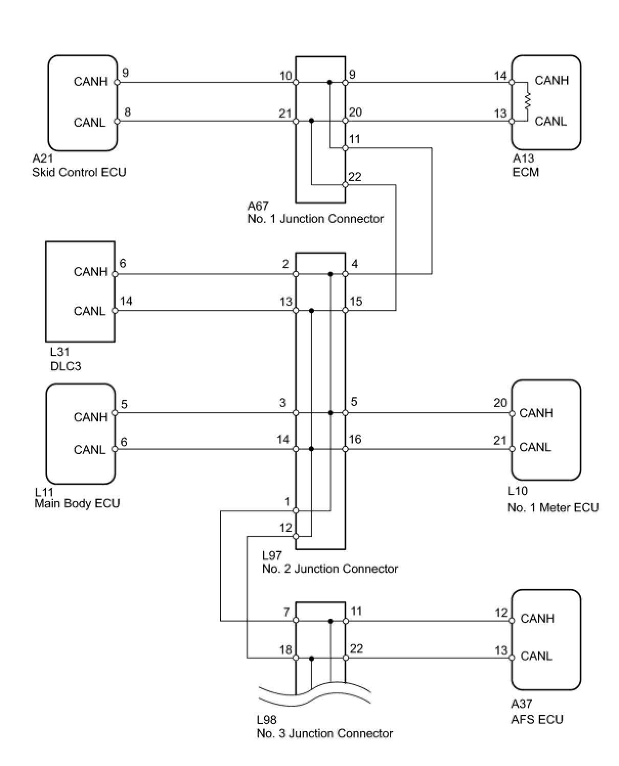
Short in CAN Bus Lines








CAN COMMUNICATION: CAN COMMUNICATION SYSTEM: Short in CAN Bus Lines

Short in CAN Bus Lines

DESCRIPTION

There may be a short circuit between the CAN bus lines when the resistance between terminals 6 (CANH) and 14 (CANL) of the DLC3 is below 54 Ohms.





HINT:
- *1: w/ Multi-display
- *2: w/o Multi-display

WIRING DIAGRAM









INSPECTION PROCEDURE
HINT: Operating the engine switch, any switches or any doors triggers related ECU and sensor communication with the CAN, which causes resistance variation.

PROCEDURE

1. DISCONNECT CABLE FROM NEGATIVE BATTERY TERMINAL
(a) Disconnect the cable from the negative (-) battery terminal before measuring the resistances of the main wire and the branch wire.
CAUTION: Wait at least 90 seconds after disconnecting the cable from the negative (-) battery terminal to prevent airbag and seat belt pretensioner activation.
NOTICE:
- After the engine switch is turned off, the HDD navigation system requires approximately 6 minutes to record various types of memory and settings. As a result, after turning the engine switch off, wait 6 minutes or more before disconnecting the cable from the negative (-) battery terminal.
- When disconnecting the cable, some systems need to be initialized after the cable is reconnected Repair Instruction - Initialization.

NEXT -- Continue to next step.
2. CHECK FOR SHORT IN CAN BUS WIRES (DLC3 BRANCH WIRE)





(a) Disconnect the L97 No. 2 junction connector connector.
(b) Measure the resistance according to the value(s) in the table below.

Result





NG -- REPAIR OR REPLACE CAN BRANCH WIRE CONNECTED TO DLC3 (CANH, CANL)
OK -- Continue to next step.
3. CONNECT CONNECTOR
(a) Reconnect the L97 No. 2 junction connector connector.
NEXT -- Continue to next step.
4. CHECK FOR SHORT IN CAN BUS WIRES (NO. 1 JUNCTION CONNECTOR SIDE)





(a) Disconnect the A67 No. 1 junction connector connector.
(b) Measure the resistance according to the value(s) in the table below.
Standard resistance:






NG -- CHECK FOR SHORT IN CAN BUS WIRES (NO. 1 JUNCTION CONNECTOR - NO. 2 JUNCTION CONNECTOR)
OK -- Continue to next step.
5. CHECK FOR SHORT IN CAN BUS WIRES (NO. 1 JUNCTION CONNECTOR - SKID CONTROL ECU)





(a) Measure the resistance according to the value(s) in the table below.






NG -- CHECK FOR SHORT IN CAN BUS WIRES (SKID CONTROL ECU)
OK -- Continue to next step.
6. CHECK FOR SHORT IN CAN BUS WIRES (NO. 1 JUNCTION CONNECTOR - ECM)





(a) Measure the resistance according to the value(s) in the table below.
Standard resistance:






NG -- CHECK FOR SHORT IN CAN BUS WIRES (ECM)
OK -- REPAIR OR REPLACE NO. 1 JUNCTION CONNECTOR
7. CHECK FOR SHORT IN CAN BUS WIRES (SKID CONTROL ECU)





(a) Disconnect the A21 skid control ECU connector.
(b) Measure the resistance according to the value(s) in the table below.

Result





NG -- REPAIR OR REPLACE CAN BRANCH WIRE CONNECTED TO SKID CONTROL ECU (CANH, CANL)
OK -- REPLACE SKID CONTROL ECU
8. CHECK FOR SHORT IN CAN BUS WIRES (ECM)





(a) Disconnect the A13 ECM connector.
(b) Measure the resistance according to the value(s) in the table below.

Result





NG -- REPAIR OR REPLACE CAN MAIN WIRE CONNECTED TO ECM (CANH, CANL)
OK -- REPLACE ECM
9. CHECK FOR SHORT IN CAN BUS WIRES (NO. 1 JUNCTION CONNECTOR - NO. 2 JUNCTION CONNECTOR)





(a) Disconnect the L97 No. 2 junction connector connector.
(b) Measure the resistance according to the value(s) in the table below.

Result





NG -- REPAIR OR REPLACE CAN MAIN WIRE OR CONNECTOR (NO. 1 JUNCTION CONNECTOR - NO. 2 JUNCTION CONNECTOR)
OK -- Continue to next step.
10. CONNECT CONNECTOR
(a) Reconnect the A67 No. 1 junction connector connector.
(b) Reconnect the L97 No. 2 junction connector connector.
NEXT -- Continue to next step.
11. CHECK FOR SHORT IN CAN BUS WIRES (NO. 3 JUNCTION CONNECTOR SIDE)





(a) Disconnect the L98 No. 3 junction connector connector.
(b) Measure the resistance according to the value(s) in the table below.
Standard resistance:






NG -- CHECK FOR SHORT IN CAN BUS WIRES (NO. 2 JUNCTION CONNECTOR - NO. 3 JUNCTION CONNECTOR)
OK -- Continue to next step.
12. CHECK FOR SHORT IN CAN BUS WIRES (NO. 3 JUNCTION CONNECTOR - AFS ECU)





(a) Measure the resistance according to the value(s) in the table below.






NG -- CHECK FOR SHORT IN CAN BUS WIRES (AFS ECU)
OK -- Continue to next step.
13. CHECK FOR SHORT IN CAN BUS WIRES (NO. 3 JUNCTION CONNECTOR - DISPLAY AND NAVIGATION OR MULTI-DISPLAY)
NOTE: For vehicles without multi-display, go to "CHECK CAN BUS LINES FOR SHORT CIRCUIT (NO. 3 JUNCTION CONNECTOR - INTEGRATION CONTROL AND PANEL ASSEMBLY)".





(a) Measure the resistance according to the value(s) in the table below.






NG -- CHECK FOR SHORT IN CAN BUS WIRES (DISPLAY AND NAVIGATION OR MULTI-DISPLAY)
OK -- Continue to next step.
14. CHECK FOR SHORT IN CAN BUS WIRES (NO. 3 JUNCTION CONNECTOR - INTEGRATION CONTROL AND PANEL ASSEMBLY)
NOTE: For vehicles with multi-display, go to "CHECK CAN BUS LINES FOR SHORT CIRCUIT (NO. 3 JUNCTION CONNECTOR - ELECTRIC POWER CONTROL ECU)".





(a) Measure the resistance according to the value(s) in the table below.






NG -- CHECK FOR SHORT IN CAN BUS WIRES (INTEGRATION CONTROL AND PANEL ASSEMBLY)
OK -- Continue to next step.
15. CHECK FOR SHORT IN CAN BUS WIRES (NO. 3 JUNCTION CONNECTOR - ELECTRIC POWER CONTROL ECU)





(a) Measure the resistance according to the value(s) in the table below.






NG -- CHECK FOR SHORT IN CAN BUS WIRES (ELECTRIC POWER CONTROL ECU)
OK -- Continue to next step.
16. CHECK FOR SHORT IN CAN BUS WIRES (NO. 3 JUNCTION CONNECTOR - AIR CONDITIONING AMPLIFIER)





(a) Measure the resistance according to the value(s) in the table below.






NG -- CHECK FOR SHORT IN CAN BUS WIRES (AIR CONDITIONING AMPLIFIER)
B -- Continue to next step.
17. CHECK FOR SHORT IN CAN BUS WIRES (NO. 3 JUNCTION CONNECTOR - CENTER AIRBAG SENSOR)





(a) Measure the resistance according to the value(s) in the table below.
Standard resistance:






NG -- CHECK FOR SHORT IN CAN BUS WIRES (CENTER AIRBAG SENSOR)
OK -- REPAIR OR REPLACE NO. 3 JUNCTION CONNECTOR
18. CHECK FOR SHORT IN CAN BUS WIRES (AFS ECU)





(a) Disconnect the A37 AFS ECU connector.
(b) Measure the resistance according to the value(s) in the table below.

Result





NG -- REPAIR OR REPLACE CAN BRANCH WIRE CONNECTED TO AFS ECU (CANH, CANL)
OK -- REPLACE AFS ECU
19. CHECK FOR SHORT IN CAN BUS WIRES (DISPLAY AND NAVIGATION OR MULTI-DISPLAY)





(a) Disconnect the L59 display and navigation (multi-display) connector.
(b) Measure the resistance according to the value(s) in the table below.

Result





D -- REPAIR OR REPLACE CAN BRANCH WIRE CONNECTED TO DISPLAY AND NAVIGATION OR MULTI-DISPLAY (CANH, CANL)
C -- REPLACE MULTI-DISPLAY
B -- REPLACE MULTI-DISPLAY
A -- REPLACE DISPLAY AND NAVIGATION ASSEMBLY
20. CHECK FOR SHORT IN CAN BUS WIRES (INTEGRATION CONTROL AND PANEL ASSEMBLY)





(a) Disconnect the L35 integration control and panel connector.
(b) Measure the resistance according to the value(s) in the table below.

Result





NG -- REPAIR OR REPLACE CAN BRANCH WIRE CONNECTED TO INTEGRATION CONTROL AND PANEL ASSEMBLY (CANH, CANL)
OK -- REPLACE INTEGRATION CONTROL AND PANEL ASSEMBLY
21. CHECK FOR SHORT IN CAN BUS WIRES (ELECTRIC POWER CONTROL ECU)





(a) Disconnect the A69 electric power control ECU connector.
(b) Measure the resistance according to the value(s) in the table below.

Result





NG -- REPAIR OR REPLACE CAN BRANCH WIRE CONNECTED TO ELECTRIC POWER CONTROL ECU (CANH, CANL)
OK -- REPLACE ELECTRIC POWER CONTROL ECU
22. CHECK FOR SHORT IN CAN BUS WIRES (AIR CONDITIONING AMPLIFIER)





(a) Disconnect the L77 air conditioning amplifier connector.
(b) Measure the resistance according to the value(s) in the table below.

Result





NG -- REPAIR OR REPLACE CAN BRANCH WIRE CONNECTED TO AIR CONDITIONING AMPLIFIER (CANH, CANL)
OK -- REPLACE AIR CONDITIONING AMPLIFIER
23. CHECK FOR SHORT IN CAN BUS WIRES (CENTER AIRBAG SENSOR)





(a) Disconnect the L73 center airbag sensor connector.
(b) Measure the resistance according to the value(s) in the table below.

Result





NG -- REPAIR OR REPLACE CAN MAIN WIRE CONNECTED TO CENTER AIRBAG SENSOR (CANH, CANL)
OK -- REPLACE CENTER AIRBAG SENSOR ASSEMBLY
24. CHECK FOR SHORT IN CAN BUS WIRES (NO. 2 JUNCTION CONNECTOR - NO. 3 JUNCTION CONNECTOR)





(a) Disconnect the L97 No. 2 junction connector connector.
(b) Measure the resistance according to the value(s) in the table below.

Result





NG -- REPAIR OR REPLACE CAN MAIN WIRE OR CONNECTOR (NO. 2 JUNCTION CONNECTOR - NO. 3 JUNCTION CONNECTOR)
OK -- Continue to next step.
25. CONNECT CONNECTOR
(a) Reconnect the L98 No. 3 junction connector connector.
NEXT -- Continue to next step.
26. CHECK FOR SHORT IN CAN BUS WIRES (NO. 2 JUNCTION CONNECTOR - MAIN BODY ECU)





(a) Measure the resistance according to the value(s) in the table below.






NG -- CHECK FOR SHORT IN CAN BUS WIRES (MAIN BODY ECU)
OK -- Continue to next step.
27. CHECK FOR SHORT IN CAN BUS WIRES (NO. 2 JUNCTION CONNECTOR - NO. 1 METER ECU)





(a) Measure the resistance according to the value(s) in the table below.






NG -- CHECK FOR SHORT IN CAN BUS WIRES (NO. 1 METER ECU)
OK -- REPAIR OR REPLACE NO. 2 JUNCTION CONNECTOR
28. CHECK FOR SHORT IN CAN BUS WIRES (MAIN BODY ECU)





(a) Disconnect the L11 main body ECU connector.
(b) Measure the resistance according to the value(s) in the table below.

Result





NG -- REPAIR OR REPLACE CAN BRANCH WIRE CONNECTED TO MAIN BODY ECU (CANH, CANL)
OK -- REPLACE MAIN BODY ECU
29. CHECK FOR SHORT IN CAN BUS WIRES (NO. 1 METER ECU)





(a) Disconnect the L10 No. 1 meter ECU connector.
(b) Measure the resistance according to the value(s) in the table below.

Result





NG -- REPAIR OR REPLACE CAN BRANCH WIRE CONNECTED TO NO. 1 METER ECU (CANH, CANL)
OK -- REPLACE COMBINATION METER ASSEMBLY (NO. 1 METER ECU SUB-ASSEMBLY)