Operation CHARM: Car repair manuals for everyone.
Manuals through 2025 now available!

Our trusted friends have launched a new website named LEMON, which has newer manuals. It also contains all the CHARM manuals.

LEMON is the spiritual successor to CHARM, I recommend you try it!

Link: lemon-manuals.la or lemon-manuals.org.ua

(Some people have issue connecting. LEMON is investigating. For now, use Firefox or change your DNS server)

Or, hide this message: temporarily or permanently

Torque Specifications









SPECIFICATIONS: 3UR-FE ENGINE MECHANICAL: TORQUE SPECIFICATIONS

Camshaft





Cylinder Head Gasket





Front Crankshaft Oil Seal





Engine Assembly





Engine Unit





Cylinder Head





Cylinder Block






Crankshaft Pulley





Torque 300 Nm (3059 kgf-cm, 221 ft-lbf)

Oil Pump Cover
Oil Pump Cover x Timing Chain Cover 10 Nm (105 kgf-cm, 8 ft. lbf.)

CAMSHAFT BEARING CAP LH





Temporarily install the 10 bolts in the order shown in the illustration.





Tighten the 10 bolts in the order shown in the illustration.
Torque 16 Nm (163 kgf-cm, 12 ft-lbf)

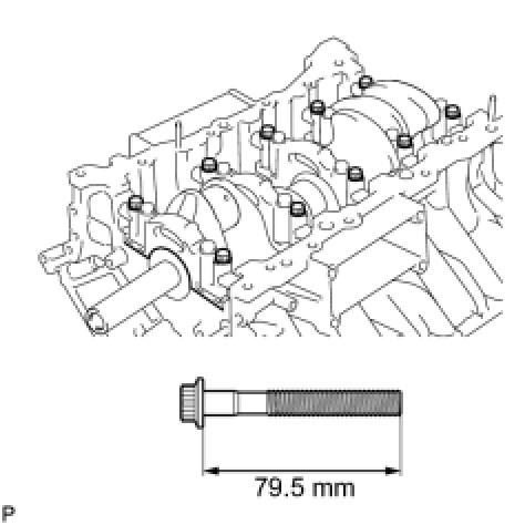
Main Bearing





Temporarily install the 10 crankshaft bearing cap bolts to the outside positions.

Standard Bolt Length: 79.5 mm (3.13 in.)

Step 1:





Uniformly tighten the 20 crankshaft bearing cap bolts in the sequence shown in the illustration.
for inside position - Torque 61 Nm (622 kgf-cm, 45 ft-lbf)
for outside position - Torque 27 Nm (275 kgf-cm, 20 ft-lbf)
If any of the main bearing cap bolts does not meet the specified torque, replace it.

Step 2:





Mark the front of the bearing cap bolts with paint.
Tighten the bearing cap bolts 90° in the order shown in step 1.
Check that the painted marks are now at a 90° angle to the front.
Check that the crankshaft turns smoothly.





Install and uniformly tighten the 10 crankshaft bearing cap bolts and 10 new seal washers in several steps in the sequence shown in the illustration.
Torque 45 Nm (459 kgf-cm, 33 ft-lbf)

Connecting Rod Cap
The connecting rod cap bolts are tightened in 2 progressive steps.

Step 1:





Install and alternately tighten the bolts of the connecting rod cap in several steps.
Torque 40 Nm (408 kgf-cm, 30 ft-lbf)





Step 2:
Mark the front side of each connecting rod cap bolt with paint.
Tighten the cap bolts 90° as shown in the illustration in the order in step 1.
Check that the painted marks are now at a 90° angle to the front.

INTAKE MANIFOLD





Install and uniformly tighten the 8 bolts and 2 nuts in several steps.
Torque 21 Nm (214 kgf-cm, 15 ft-lbf)

CAMSHAFT BEARING CAP RH





Temporarily install the 10 bolts in the order shown in the illustration.





Tighten the 10 bolts in the order shown in the illustration.
Torque 16 Nm (163 kgf-cm, 12 ft-lbf)


Exhaust Manifold RH





Temporarily install the exhaust manifold with the 2 nuts labeled A and 8 new nuts.
Uniformly tighten the nuts that are not labeled A, and then tighten the 2 nuts labeled A.
For nut A - Torque 10 Nm (102 kgf-cm, 7 ft-lbf)
Except nut A - Torque 21 Nm (214 kgf-cm, 15 ft-lbf)

Exhaust Manifold LH





Temporarily install the exhaust manifold with the 2 nuts labeled A and 8 new nuts.
Uniformly tighten the nuts that are not labeled A, and then tighten the 2 nuts labeled A.
For nut A - Torque 10 Nm (102 kgf-cm, 7 ft-lbf)
Except nut A - Torque 21 Nm (214 kgf-cm, 15 ft-lbf)

Water Pump





Install a new gasket and the water pump with the 8 bolts shown in the illustration.
For bolt A - Torque 47 Nm (479 kgf-cm, 35 ft-lbf)
For bolt B - Torque 23 Nm (235 kgf-cm, 17 ft-lbf)
For bolt C - Torque 20 Nm (204 kgf-cm, 15 ft-lbf)