Operation CHARM: Car repair manuals for everyone.
Manuals through 2025 now available!

Our trusted friends have launched a new website named LEMON, which has newer manuals. It also contains all the CHARM manuals.

LEMON is the spiritual successor to CHARM, I recommend you try it!

Link: lemon-manuals.la or lemon-manuals.org.ua

(Some people have issue connecting. LEMON is investigating. For now, use Firefox or change your DNS server)

Or, hide this message: temporarily or permanently

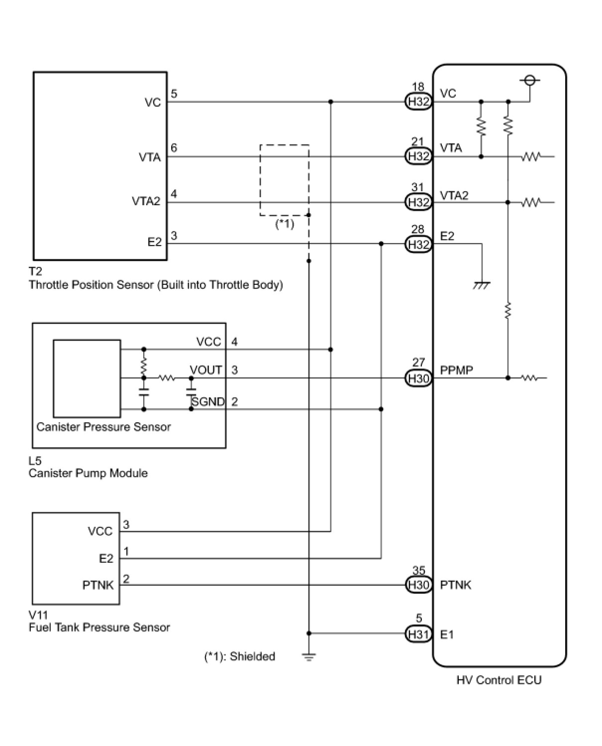
VC Output Circuit








3MZ-FE ENGINE CONTROL SYSTEM: SFI SYSTEM: VC Output Circuit

VC Output Circuit

DESCRIPTION

The ECM (Included in HV control ECU) constantly generates 5 V power from the battery voltages supplied to the +B (BATT) terminal to operate the microprocessor. The ECM also provides this power to the sensors through the VC output circuit.





When the VC circuit is short-circuited, the microprocessor in the ECM and sensors that are supplied with power through the VC circuit are deactivated because the power is not supplied from the VC circuit. Under this condition, the system does not start up and the MIL does not illuminate even if the system malfunctions.
HINT: Under normal conditions, the MIL is illuminated for several seconds when the ignition switch is first turned to the ON position. The MIL goes off when the engine is started.

WIRING DIAGRAM





INSPECTION PROCEDURE

PROCEDURE

1. CHECK MIL CONDITION
(a) Check that the Malfunction Indicator Lamp (MIL) lights up when turning the ignition switch to the ON position.
OK:
MIL lights up.
OK -- SYSTEM OK
NG -- Continue to next step.
2. CHECK COMMUNICATION BETWEEN TECHSTREAM AND HV CONTROL ECU
(a) Connect Techstream to the DLC3.
(b) Turn the ignition switch to the ON position and turn the tester on.
(c) Check for communication between the tester and HV control ECU.
Result:






A -- GO TO MIL CIRCUIT
B -- Continue to next step.
3. CHECK MIL (THROTTLE POSITION SENSOR)
(a) Disconnect the throttle body connector.
(b) Turn the ignition switch to the ON position.
(c) Check the MIL.
Result:





(d) Reconnect the throttle body connector.
A -- REPLACE THROTTLE BODY ASSEMBLY
B -- Continue to next step.
4. CHECK MIL (VAPOR PRESSURE SENSOR)
(a) Disconnect the vapor pressure sensor connector.
(b) Turn the ignition switch to the ON position.
(c) Check the MIL.
Result:






A -- REPLACE VAPOR PRESSURE SENSOR
B -- Continue to next step.
5. CHECK MIL (CANISTER PUMP MODULE)





(a) Disconnect the canister pump module connector.
(b) Turn the ignition switch to the ON position.
(c) Check the MIL.
Result:





(d) Reconnect the canister pump module connector.
A -- REPLACE CHARCOAL CANISTER ASSEMBLY
B -- Continue to next step.
6. CHECK HARNESS AND CONNECTOR





(a) Disconnect the throttle body connector.
(b) Disconnect the fuel tank pressure sensor connector.
(c) Disconnect the canister pump module connector.
(d) Disconnect the HV control ECU connectors.
(e) Measure the resistance according to the value(s) in the table below.
Standard resistance (Check for short):





(f) Reconnect the throttle body connector.
(g) Reconnect the fuel tank pressure sensor connector.
(h) Reconnect the canister pump module connector.
(i) Reconnect the HV control ECU connectors.
NG -- REPAIR OR REPLACE HARNESS OR CONNECTOR
OK -- REPLACE HV CONTROL ECU