Operation CHARM: Car repair manuals for everyone.
Manuals through 2025 now available!

Our trusted friends have launched a new website named LEMON, which has newer manuals. It also contains all the CHARM manuals.

LEMON is the spiritual successor to CHARM, I recommend you try it!

Link: lemon-manuals.la or lemon-manuals.org.ua

(Some people have issue connecting. LEMON is investigating. For now, use Firefox or change your DNS server)

Or, hide this message: temporarily or permanently

System Specifications

CYLINDER BLOCK
Maximum warpage
Maximum 0.05 mm (0.0020 in.)

Specified cylinder bore diameter
STD 92.000 to 92.012 mm (3.6220 to 3.6225 in.)
Maximum 92.080 mm (3.6252 in.)

CRANKSHAFT
Crankshaft thrust clearance
STD 0.04 to 0.24 mm (0.0016 to 0.0094 in.)
Maximum 0.30 mm (0.0118 in.)

Thrust washer thickness 1.93 to 1.98 mm ( 0.0760 to 0.0780 in.)

Specified main journal oil clearance
No.1 and No.2 journals (STD) 0.014 to 0.031 mm (0.0006 to 0.0013 in.)
Maximum 0.05 mm (0.020 in.)
No.3 and No.4 journals (STD) 0.026 to 0.043 mm (0.0010 to 0.0018 in.)
Maximum 0.06 mm (0.024 in.)

Cylinder block main journal bore diameter (Reference)
Mark 00 66.000 mm (2.5984 in.)
Mark 01 66.001 mm (2.5985 in.)
Mark 02 66.002 mm (2.5985 in.)
Mark 03 66.003 mm (2.5985 in.)
Mark 04 66.004 mm (2.5986 in.)
Mark 05 66.005 mm (2.5986 in.)
Mark 06 66.006 mm (2.5987 in.)
Mark 07 66.007 mm (2.5987 in.)
Mark 08 66.008 mm (2.5987 in.)
Mark 09 66.009 mm (2.5988 in.)
Mark 10 66.010 mm (2.5988 in.)
Mark 11 66.011 mm (2.5989 in.)
Mark 12 66.012 mm (2.5989 in.)
Mark 13 66.013 mm (2.5989 in.)
Mark 14 66.014 mm (2.5990 in.)
Mark 15 66.015 mm (2.5990 in.)
Mark 16 66.016 mm (2.5990 in.)

Main journal diameter (Reference)
Mark 00 61.000 mm (4.1016 in.)
Mark 01 60.999 mm (4.4015 in.)
Mark 02 60.998 mm (4.4015 in.)
Mark 03 60.997 mm (4.4015 in.)
Mark 04 60.996 mm (4.4014 in.)
Mark 05 60.995 mm (4.4014 in.)
Mark 06 60.994 mm (4.4013 in.)
Mark 07 60.993 mm (4.4012 in.)
Mark 08 60.992 mm (4.4012 in.)
Mark 09 60.991 mm (4.4012 in.)
Mark 10 60.990 mm (4.4012 in.)
Mark 11 60.989 mm (4.4011 in.)
Mark 12 60.988 mm (4.4011 in.)

Standard main bearing center wall thickness (Reference)
Mark 1 2.486 to 2.489 mm (0.0979 to 0.0980 in.)
Mark 2 2.489 to 2.492 mm (0.0980 to 0.0981 in.)
Mark 3 2.492 to 2.495 mm (0.0981 to 0.0982 in.)
Mark 4 2.495 to 2.498 mm (0.0982 to 0.0983in.)
Mark 5 2.498 to 2.501 mm (0.0983 to 0.0985in.)
Mark 6 2.501 to 2.504 mm (0.0985 to 0.0986 in.)
Mark 7 2.504 to 2.507 mm (0.0986 to 0.0987 in.)

Maximum circle runout 0.06 mm (0.0024 in.)

Main journal taper and out-of-round 60.988 to 61.000 mm (2.4011 to 2.4016 in.)

Maximum crank journal taper and out-of-round 0.02 mm (0.0008 in.)

CRANKSHAFT PULLEY
Crankshaft pulley x Crankshaft 220 Nm (2,243 kgf-cm, 162 ft. lbf)

MAIN BEARING

HINT: Main bearings come in widths of 22.4 mm (0.882 in.) and 19.0 mm (0.748 in.). Install the 22.4 mm (0.882 in.) bearings in the No.1 and No.2 cylinder block journal positions with the main bearing cap. Install the 19.0 mm (0.748 in.) bearings in the No.3 and No.4 positions.

Temporarily install the 8 main bearing cap bolts to the inside positions.





Install the main bearing cap by hand until clearance between the cylinder block and the bearing cap becomes 6 mm (0.23 in.) or less.





Using a plastic-faced hammer, lightly tap the bearing cap to ensure a proper fit.
Apply a light coat of engine oil to the threads of the main bearing cap bolts.





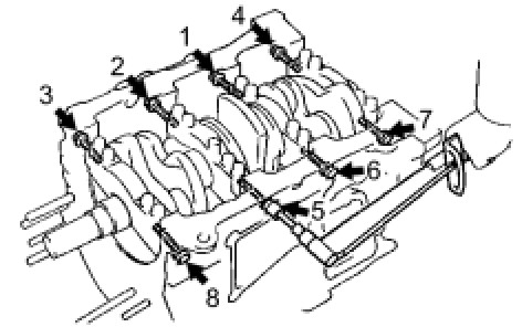
Using several steps, install and tighten the 16 main bearing cap bolts uniformly in the sequence shown in the illustration.
Torque 22 Nm (224 kgf-cm, 16 ft-lbf)





Mark the front side of the bearing cap bolts with paint.
Retighten the bearing cap bolts by 90° in the same sequence as step (h).





Check that each painted mark is now at 90° angle to the front.





Using several steps, install and tighten the 8 main bearing cap bolts and 8 new seal washers uniformly in the sequence shown in the illustration.
Torque 27 Nm (275 kgf-cm, 20 ft-lbf)

CONNECTING ROD
Thrust clearance
STD 0.15 to 0.30mm (0.0059 to 0.0118 in.)
Maximum 0.35 mm (0.0138 in.)

Connecting rod thickness 0.80 to 20.85 mm (0.8189 to 0.08209 in.)

Connecting rod oil clearance
STD 0.038 to 0.066 mm (0.0015 to 0.0026 in.)
Maximum 0.08 mm (0.0031 in.)

Connecting rod bearing center wall thickness
Mark 1 1.484 to 1.487 mm (0.0584 to 0.0585 in.)
Mark 2 1.488 to 1.490 mm (0.0586 to 0.0587 in.)
Mark 3 1.491 to 1.493 mm (0.0587 to 0.0588 in.)
Mark 4 1.494 to 1.496 mm (0.0588 to 0.0589 in.)

Maximum misalignment per 100 mm (3.94 in.) 0.05 mm (0.0020 in.) per 100 mm (3.94 in.)

Maximum rod twist per 100 mm (3.94 in.) 0.15 mm (0.0059 in.) per 100 mm (3.94 in.)

Connecting rod cap x Connecting rod
1st 25 Nm (255 kgf-cm, 18 ft. lbf)
2nd Turn 90°

PISTON
Piston diameter 91.975 to 91.989 mm (3.6211 to 3.6216 in.)

Oil clearance
STD 0.033 to 0.059 mm (0.0013 to 0.0023 in.)
Maximum 0.13 mm (0.0051 in.)

PISTON RING
Piston ring groove clearance
No.1 0.03 to 0.08 mm (0.0012 to 0.0031 in.)
No.2 0.02 to 0.06 mm (0.0008 to 0.0024 in.)
Oil (Side rail) 0.03 to 0.11 mm (0.0012 to 0.0043 in.)

End gap
No.1 0.30 to 0.40 mm (0.0118 to 0.0157 in.)
Maximum 0.95 mm (0.0374 in.)
No.2 0.50 to 0.60 mm (0.0197 to 0.0236 in.)
Maximum 1.05 mm (0.0413 in.)
Oil (Side rail) 0.15 to 0.40 mm (0.0059 to 0.0157 in.)
Maximum 1.00 mm (0.0394 in.)