Operation CHARM: Car repair manuals for everyone.
Manuals through 2025 now available!

Our trusted friends have launched a new website named LEMON, which has newer manuals. It also contains all the CHARM manuals.

LEMON is the spiritual successor to CHARM, I recommend you try it!

Link: lemon-manuals.la or lemon-manuals.org.ua

(Some people have issue connecting. LEMON is investigating. For now, use Firefox or change your DNS server)

Or, hide this message: temporarily or permanently

System Specifications

CYLINDER HEAD SET BOLT





Using vernier calipers, measure the tension portion diameter of the bolt.
Standard outside diameter: 8.95 to 9.05 mm (0.3524 to 0.3563 in.)
Minimum outside diameter: 8.75 mm (0.3445 in.)
If the diameter is less than the minimum, replace the bolt.


CYLINDER HEAD LH

Maximum warpage
Cylinder block side: 0.05 mm (0.0020 in.)
Intake manifold side: 0.10 mm (0.0039 in.)
Exhaust manifold side: 0.10 mm (0.0039 in.)

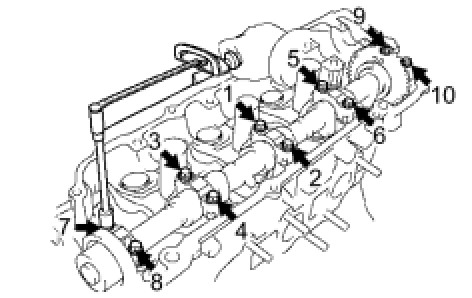
NOTE: The cylinder head bolts are tightened in 2 successive steps.





Using several steps, install and tighten the 8 cylinder head bolts uniformly in the sequence shown in the illustration.
SST: 09011-38121
Torque: 54 Nm (550 kgf-cm, 40 ft-lbf)





Mark the front side of each cylinder head bolt head with paint as shown in the illustration.
Retighten the cylinder head bolts by 90° in the same sequence as step (c).
Check that each painted mark is now at 90° angle to the front.





Using a socket hexagon wrench 8 mm, install the hexagon bolt.
Torque: 19 Nm (189 kgf-cm, 14 ft-lbf)





Using several steps, install and tighten the 2 bolts and intake air connector bracket No.2 uniformly in the sequence shown in the illustration.
Torque: 7.0 Nm (71 kgf-cm, 62 in-lbf)

CYLINDER HEAD SUB-ASSEMBLY

Maximum warpage
Cylinder block side: 0.05 mm (0.0020 in.)
Intake manifold side: 0.10 mm (0.0039 in.)
Exhaust manifold side: 0.10 mm (0.0039 in.)

NOTE: The cylinder head bolts are tightened in 2 successive steps.





Using several steps, install and tighten the 8 cylinder head bolts uniformly in the sequence shown in the illustration.
SST: 09011-38121
Torque 54 Nm (550 kgf-cm, 40 ft-lbf)





Mark the front side of each cylinder head bolt head with paint as shown in the illustration.
Retighten the cylinder head bolts by 90° in the same sequence as step (c).
Check that each painted mark is now at 90° angle to the front.

INTAKE MANIFOLD





Install the intake manifold with the 9 bolts, 2 nuts and 2 washers. Using several steps, tighten the bolts and nuts uniformly in the sequence shown in the illustration.
Torque: 15 Nm (153 kgf-cm, 11 ft-lbf)

NO.2 CAMSHAFT





Install the 5 bearing caps in their proper locations.
Apply a light coat of engine oil to the threads of the bearing cap bolts.





Using several steps, tighten the 10 bearing cap bolts uniformly in the sequence shown in the illustration.
Torque: 16 Nm (163 kgf-cm, 12 ft-lbf)

CAMSHAFT





Install the 5 bearing caps in their proper locations.
Apply a light coat of engine oil to the threads of the bearing cap bolts.





Using several steps, tighten the 10 bearing cap bolts uniformly in the sequence shown in the illustration.
Torque: 16 Nm (163 kgf-cm, 12 ft-lbf)

NO.4 CAMSHAFT





Install the 5 bearing caps in their proper locations.
Apply a light coat of engine oil to the threads of the bearing cap bolts.





Using several steps, tighten the 10 bearing cap bolts uniformly in the sequence shown in the illustration.
Torque: 16 Nm (163 kgf-cm, 12 ft-lbf)

NO.3 CAMSHAFT





Install the 5 bearing caps in their proper locations.
Apply a light coat of engine oil to the threads of the bearing cap bolts.





Using several steps, tighten the 10 bearing cap bolts uniformly in the sequence shown in the illustration.
Torque: 16 Nm (163 kgf-cm, 12 ft-lbf)

CAMSHAFT SUB GEAR
Torque: 5.4 Nm (55 kgf-cm, 48 in-lbf)

CAMSHAFT TIMING GEAR ASSEMBLY





Align the alignment pin with the groove and install the VVT-i on the camshaft.

NOTE: Install it with the lock-pin engaged and locked at the most retard angle position.

Apply engine oil to the nut, the mounting surface of VVT-i and the screw threads.

NOTICE:
- Be sure to apply oil, otherwise the specified torque cannot be obtained.
- A new nut must be used when replacing the VVT-i unit.





Using a 46 mm socket wrench, install and tighten a lock nut by turning it counterclockwise.
Torque: 150 Nm (1,530 kgf-cm, 111 ft-lbf)

CAMSHAFT TIMING PULLEY





Using SST, tighten the RH pulley bolt.
SST: 09960-10010
09962-01000
09963-01000
SST: 09249-63010

Torque: 125 Nm (1,275 kgf-cm, 92 ft-lbf)

NOTE: The torque indicated above is for using SST without any extension tool. If extension tools are used, find the reading of the torque wrench by the formula Service Precautions.

Extended length: SST (09249-63010) 150 mm (5.91 in.)





Using SST, tighten the LH pulley bolt.
SST: 09960-10010
09962-01000
09963-01000

Torque: 125 Nm (1,275 kgf-cm, 92 ft-lbf)

EXHAUST MANIFOLD CONVERTER SUB-ASSEMBLY NO.2





Install the exhaust manifold converter No.2 with the 6 nuts and bolt. Using several steps, tighten the nuts uniformly in the sequence shown in the illustration.
Nut - Torque: 49 Nm (500 kgf-cm, 36 ft-lbf)
Bolt - Torque: 58 Nm (591 kgf-cm, 43 ft-lbf)
Retighten nuts 1 and 2 shown in the illustration.

EXHAUST MANIFOLD SUB-ASSEMBLY RH





Install a new gasket and the exhaust manifold RH with the 6 nuts. Using several steps, tighten the nuts uniformly in the sequence shown in the illustration.
Torque: 49 Nm (500 kgf-cm, 36 ft-lbf)
Retighten nuts 1 and 2 shown in the illustration.

MANIFOLD STAY
Temporarily install the manifold stay to the exhaust manifold and transaxle.
Fully tighten the 2 bolts.
Torque: 34 Nm (347 kgf-cm, 25 ft-lbf)