Operation CHARM: Car repair manuals for everyone.
Manuals through 2025 now available!

Our trusted friends have launched a new website named LEMON, which has newer manuals. It also contains all the CHARM manuals.

LEMON is the spiritual successor to CHARM, I recommend you try it!

Link: lemon-manuals.la or lemon-manuals.org.ua

(Some people have issue connecting. LEMON is investigating. For now, use Firefox or change your DNS server)

Or, hide this message: temporarily or permanently

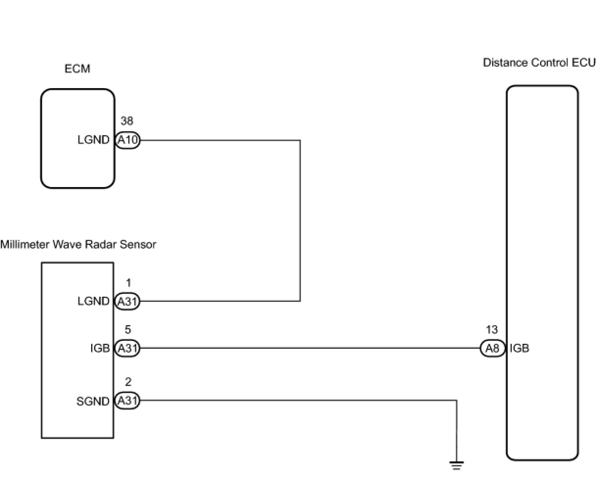
Millimeter Wave Radar Sensor Power Source Circuit








CRUISE CONTROL: DYNAMIC RADAR CRUISE CONTROL SYSTEM: Millimeter Wave Radar Sensor Power Source Circuit

Millimeter Wave Radar Sensor Power Source Circuit

DESCRIPTION

This circuit provides power to the millimeter wave radar sensor. The millimeter wave radar sensor emits radio waves towards an object in front and measures the distance and direction of the object by receiving the wave reflections. Based on the reflections, the sensor calculates the difference in speed between the vehicle and the object in front. This data is transmitted to the distance control ECU. The ECU recognizes the millimeter wave radar sensor via terminals LGND. If an open circuit occurs in the wire harness between terminals LGND, the ECM cannot recognize the millimeter wave radar sensor. The ECM will stop the control of the vehicle-to-vehicle distance control mode and only the constant speed control mode can be used.

WIRING DIAGRAM





INSPECTION PROCEDURE
NOTICE:
- When the distance control ECU and/or ECM are replaced with a new one, initialization must be performed Installation.
- When the millimeter wave radar sensor is replaced with a new one, adjustment of the radar sensor beam axis must be performed Adjustments.

PROCEDURE

1. CHECK DISTANCE CONTROL ECU (IGB VOLTAGE)




(a) Disconnect the A31 sensor connector.
(b) Measure the voltage according to the value(s) in the table below.
Standard voltage:






NG -- CHECK WIRE HARNESS (MILLIMETER WAVE RADAR SENSOR - DISTANCE CONTROL ECU)
OK -- Continue to next step.
2. CHECK WIRE HARNESS (MILLIMETER WAVE RADAR SENSOR - ECM AND BODY GROUND)




(a) Disconnect the A31 sensor connector.
(b) Disconnect the A10 ECM connector.
(c) Measure the resistance according to the value(s) in the table below.
Standard resistance:






NG -- REPAIR OR REPLACE HARNESS OR CONNECTOR
OK -- PROCEED TO NEXT SUSPECTED AREA SHOWN IN PROBLEM SYMPTOMS TABLE
3. CHECK WIRE HARNESS (MILLIMETER WAVE RADAR SENSOR - DISTANCE CONTROL ECU)




(a) Disconnect the A31 sensor connector.
(b) Disconnect the A8 ECU connector.
(c) Measure the resistance according to the value(s) in the table below
Standard resistance:






NG -- REPAIR OR REPLACE HARNESS OR CONNECTOR
OK -- REPLACE DISTANCE CONTROL ECU