Operation CHARM: Car repair manuals for everyone.
Manuals through 2025 now available!

Our trusted friends have launched a new website named LEMON, which has newer manuals. It also contains all the CHARM manuals.

LEMON is the spiritual successor to CHARM, I recommend you try it!

Link: lemon-manuals.la or lemon-manuals.org.ua

(Some people have issue connecting. LEMON is investigating. For now, use Firefox or change your DNS server)

Or, hide this message: temporarily or permanently

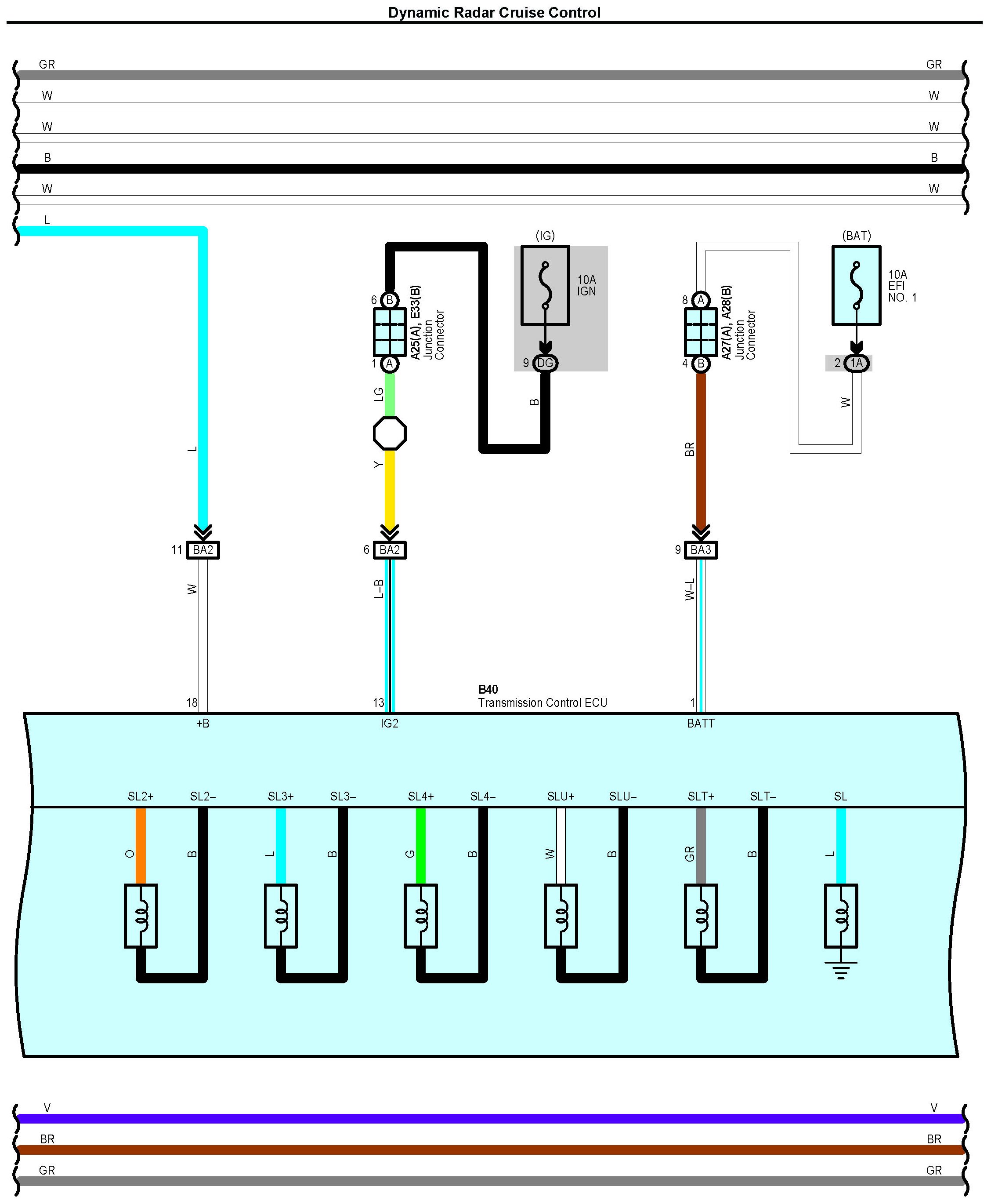
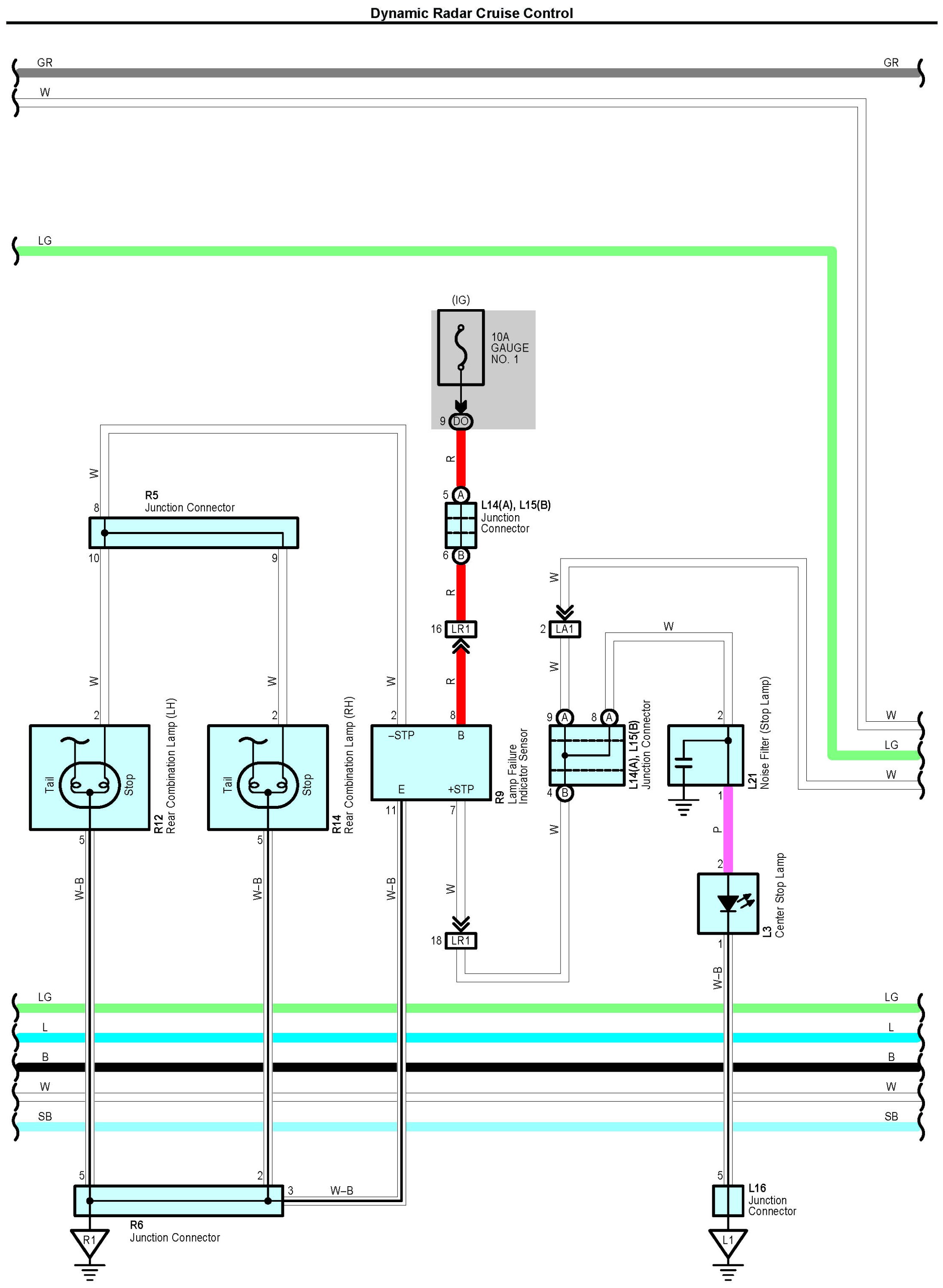
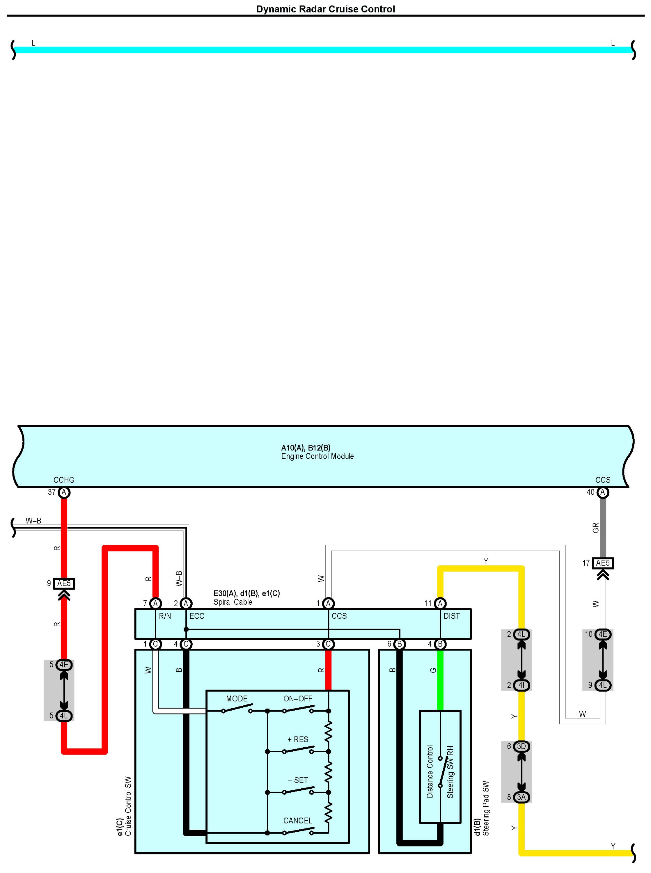
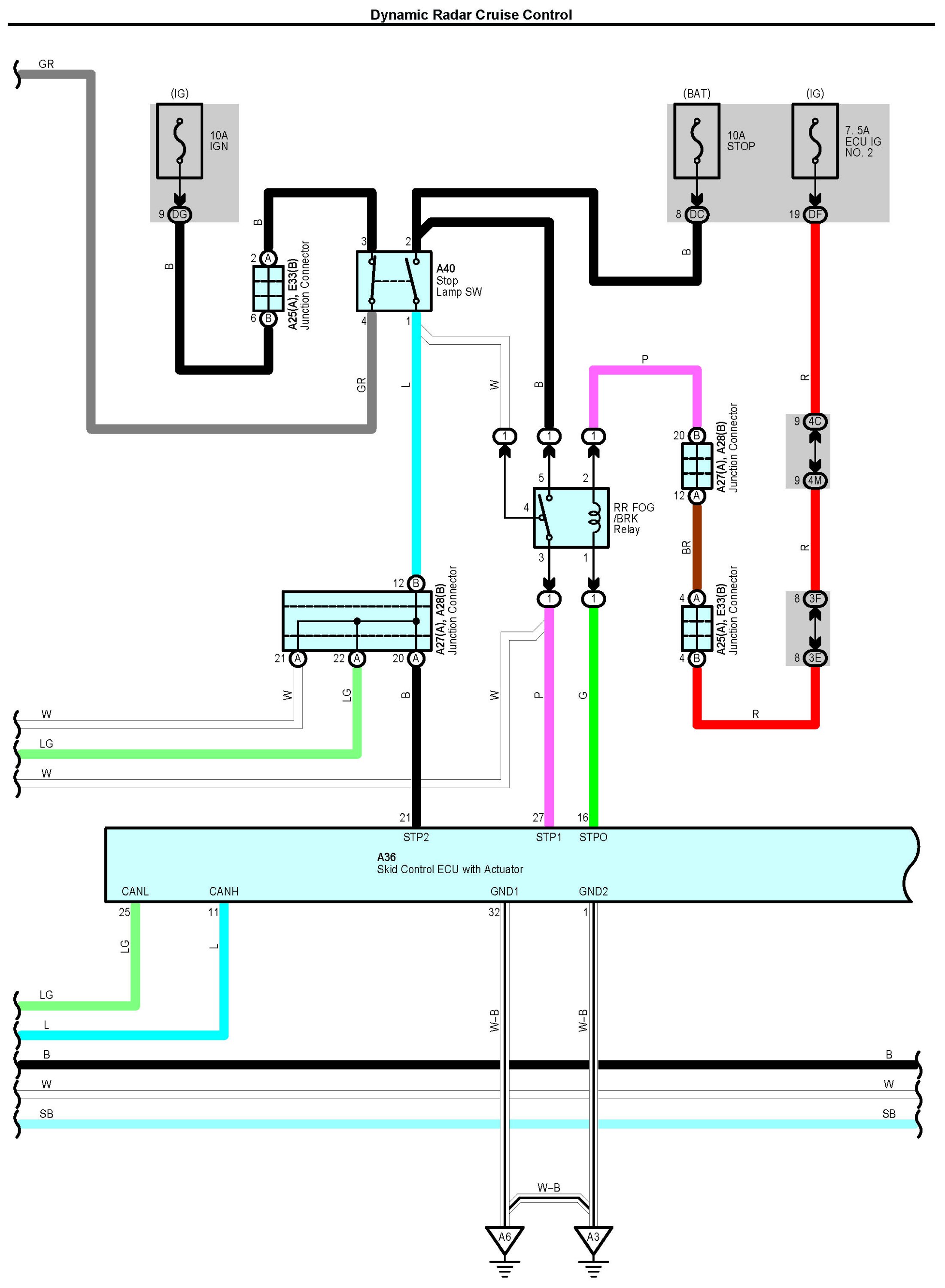
Dynamic Radar Cruise Control

Dynamic Radar Cruise Control Part 1:




Dynamic Radar Cruise Control Part 2:




Dynamic Radar Cruise Control Part 3:




Dynamic Radar Cruise Control Part 4:




Dynamic Radar Cruise Control Part 5:




Dynamic Radar Cruise Control Part 6:




Dynamic Radar Cruise Control Part 7:




Dynamic Radar Cruise Control Part 8:




Dynamic Radar Cruise Control Part 9:




Dynamic Radar Cruise Control Part 10:




Dynamic Radar Cruise Control Part 11:




Dynamic Radar Cruise Control Part 12:




Dynamic Radar Cruise Control Part 13:




Dynamic Radar Cruise Control Part 14:




Connectors Part 1:




Connectors Part 2:




Connectors Part 3:




Connectors Part 4:




Connectors Part 5:




Connectors Part 6:






Locations: The locations of components, connectors, ground points, and splices referred to within these diagrams can be found at Vehicle Locations. Locations