Operation CHARM: Car repair manuals for everyone.
Manuals through 2025 now available!

Our trusted friends have launched a new website named LEMON, which has newer manuals. It also contains all the CHARM manuals.

LEMON is the spiritual successor to CHARM, I recommend you try it!

Link: lemon-manuals.la or lemon-manuals.org.ua

(Some people have issue connecting. LEMON is investigating. For now, use Firefox or change your DNS server)

Or, hide this message: temporarily or permanently

Windows: Description and Operation









WINDSHIELD / WINDOWGLASS: POWER WINDOW CONTROL SYSTEM:

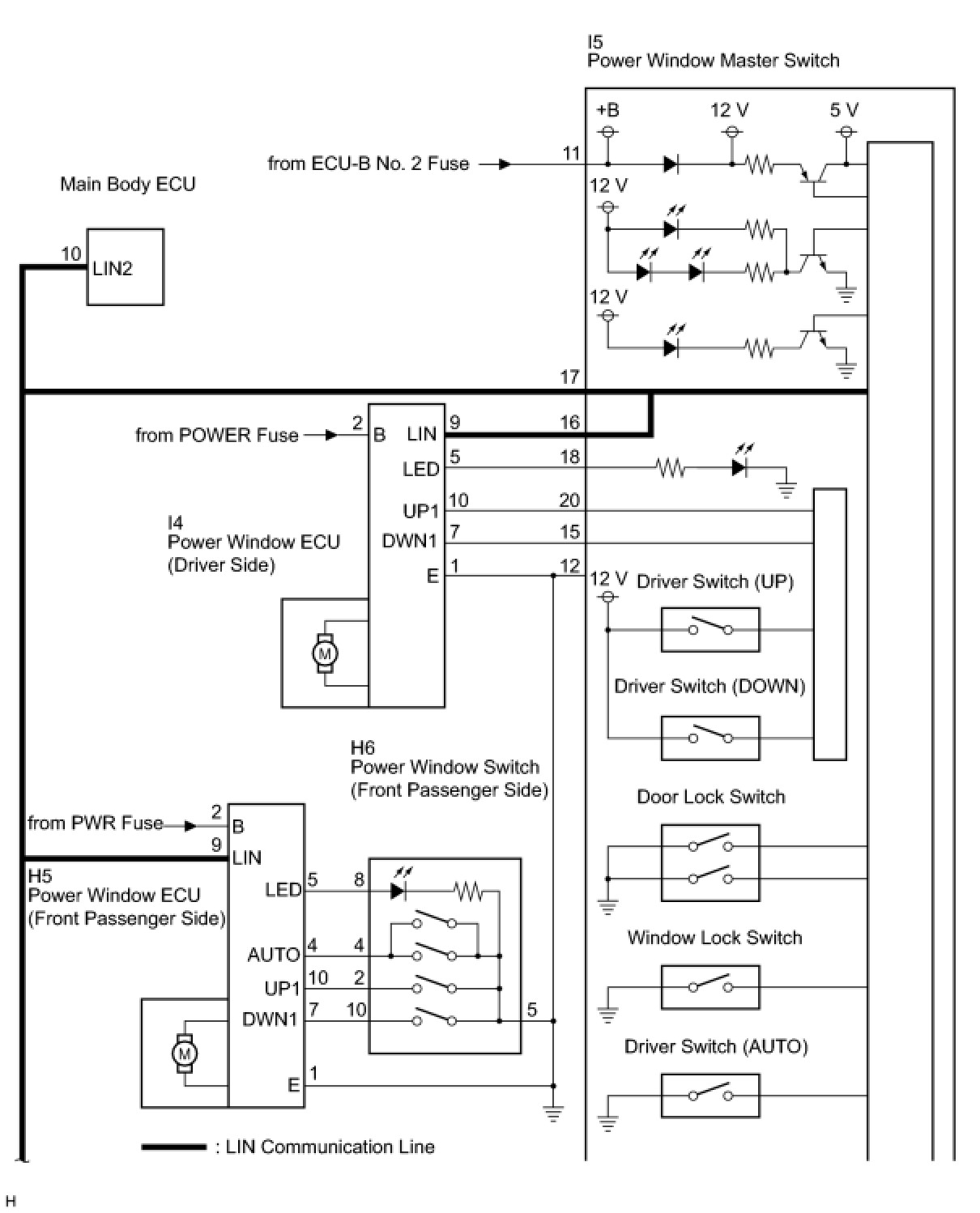
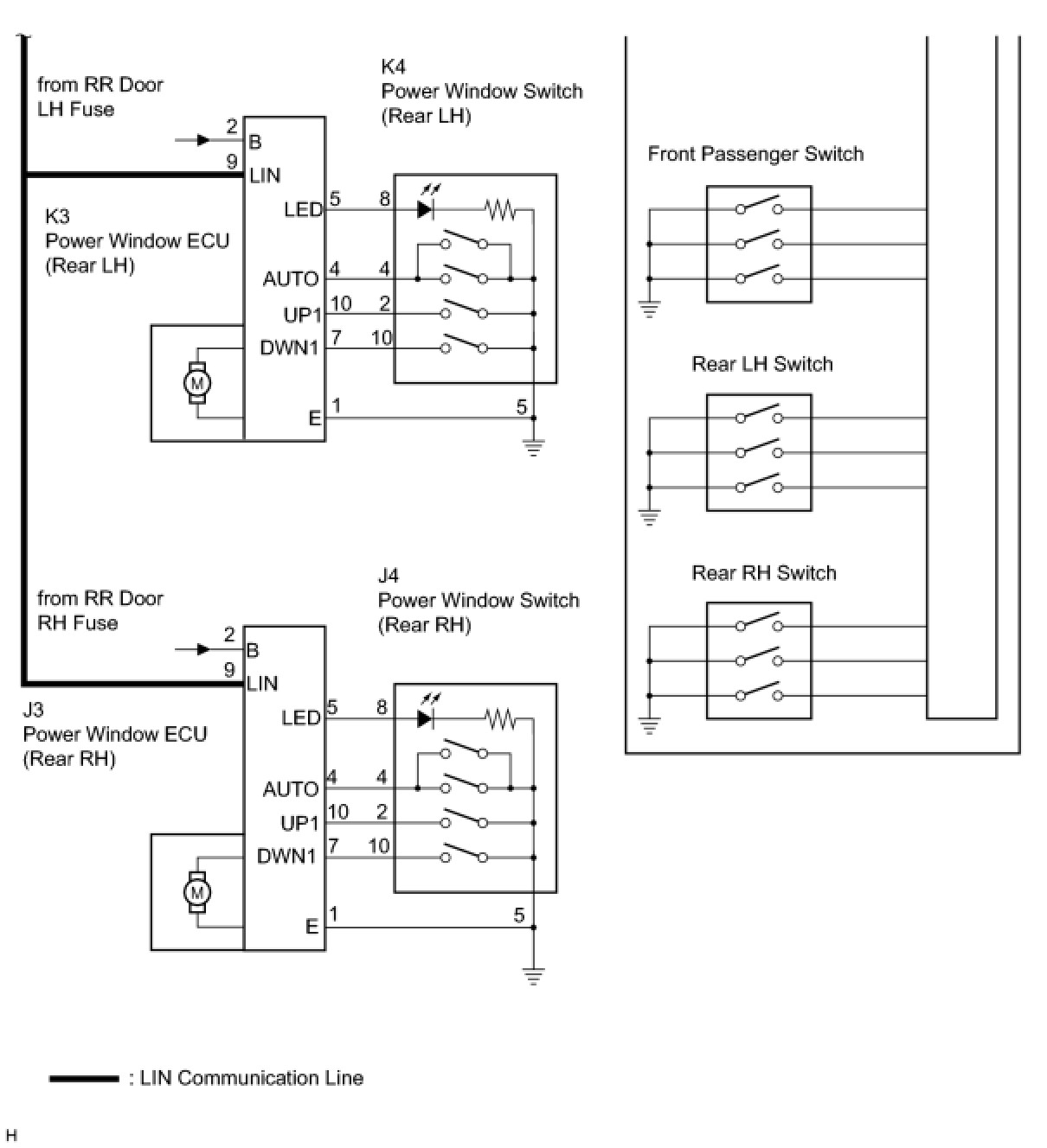
SYSTEM DIAGRAM









SYSTEM DESCRIPTION

1. POWER WINDOW CONTROL SYSTEM DESCRIPTION
(a) The power window control system controls the power window operation using the power window regulator motors. The main controls of this system are the power window regulator master switch, which is mounted on the driver side door, and the power window regulator switches, which are mounted on the passenger side door and rear doors. Operating a window switch results in electrical power being transmitted to the corresponding power window regulator motor.
(b) The power window control system has the following functions: