Operation CHARM: Car repair manuals for everyone.
Manuals through 2025 now available!

Our trusted friends have launched a new website named LEMON, which has newer manuals. It also contains all the CHARM manuals.

LEMON is the spiritual successor to CHARM, I recommend you try it!

Link: lemon-manuals.la or lemon-manuals.org.ua

(Some people have issue connecting. LEMON is investigating. For now, use Firefox or change your DNS server)

Or, hide this message: temporarily or permanently

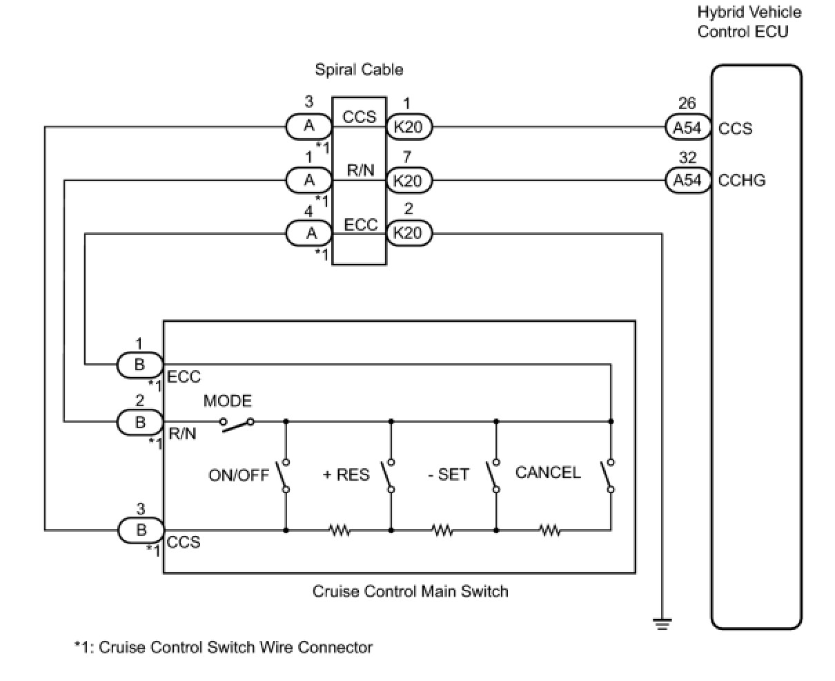
Cruise Control Switch Circuit








CRUISE CONTROL: DYNAMIC RADAR CRUISE CONTROL SYSTEM: Cruise Control Switch Circuit

Cruise Control Switch Circuit

DESCRIPTION

The cruise control main switch operates 8 functions: SET, COAST, TAP-DOWN, RESUME, ACCEL, TAP-UP, CANCEL and MODE. The SET, TAP-DOWN and COAST functions, and the RESUME, TAP-UP and ACCEL functions are operated with the same switch. The cruise control main switch is an automatic return type switch which turns on only while operating it in each arrow direction and turns off after releasing it. The internal contact point of the cruise control main switch is turned on with the switch operation. The ECM then reads the resistance value that has been changed by the switch operation to control MODE, SET, COAST, RESUME, ACCEL and CANCEL. The dynamic radar cruise control system has two cruise control modes: the constant speed control mode and vehicle-to-vehicle distance control mode.
HINT:
- The vehicle-to-vehicle distance control mode is always selected when starting up the dynamic radar cruise control system.
- The operation of the constant speed control mode is the same as the cruise control system.

WIRING DIAGRAM





INSPECTION PROCEDURE

PROCEDURE

1.
READ VALUE USING TECHSTREAM (CRUISE CONTROL MAIN SWITCH)




(a) Connect the Techstream to the DLC3.
(b) Turn the power switch on (IG).
(c) Turn the Techstream on.
(d) Enter the following menus: Powertrain / Radar Cruise / Data List.
(e) Check the Data List for proper functioning of the cruise control main switch.

ECM (Radar Cruise):





OK:
When the cruise control main switch is operated, the display changes as shown above.
OK -- PROCEED TO NEXT SUSPECTED AREA SHOWN IN PROBLEM SYMPTOMS TABLE
NG -- Continue to next step.
2. INSPECT CRUISE CONTROL MAIN SWITCH




(a) Disconnect the cruise control main switch connector.
(b) Measure the resistance of the switch.
Standard Resistance:





*1: Lever is in the neutral position
NG -- REPLACE CRUISE CONTROL MAIN SWITCH
OK -- Continue to next step.
3.
CHECK HARNESS AND CONNECTOR




(a) Disconnect the cruise switch wire connector from the spiral cable.
(b) Measure the resistance according to the value(s) in the table below.
Standard resistance:






NG -- REPAIR OR REPLACE HARNESS OR CONNECTOR
OK -- Continue to next step.
4.
INSPECT SPIRAL CABLE SUB-ASSEMBLY




(a) Disconnect the A and K20 spiral cable connectors.
(b) Measure the resistance of the spiral cable.
Standard resistance:






NG -- REPLACE SPIRAL CABLE SUB-ASSEMBLY
OK -- Continue to next step.
5.
CHECK WIRE HARNESS (SPIRAL CABLE - HYBRID VEHICLE CONTROL ECU AND BODY GROUND)




(a) Disconnect the K20 spiral cable connector.
(b) Disconnect the A54 ECU connector.
(c) Measure the resistance of the wire harness side connectors.
Standard resistance:






NG -- REPAIR OR REPLACE HARNESS OR CONNECTOR
OK -- PROCEED TO NEXT SUSPECTED AREA SHOWN IN PROBLEM SYMPTOMS TABLE