Operation CHARM: Car repair manuals for everyone.
Manuals through 2025 now available!

Our trusted friends have launched a new website named LEMON, which has newer manuals. It also contains all the CHARM manuals.

LEMON is the spiritual successor to CHARM, I recommend you try it!

Link: lemon-manuals.la or lemon-manuals.org.ua

(Some people have issue connecting. LEMON is investigating. For now, use Firefox or change your DNS server)

Or, hide this message: temporarily or permanently

Distance Control ECU Communication Stop Mode








CAN COMMUNICATION: CAN COMMUNICATION SYSTEM: Distance Control ECU Communication Stop Mode

Distance Control ECU Communication Stop Mode

DESCRIPTION





HINT: For vehicles with dynamic radar cruise control system only.

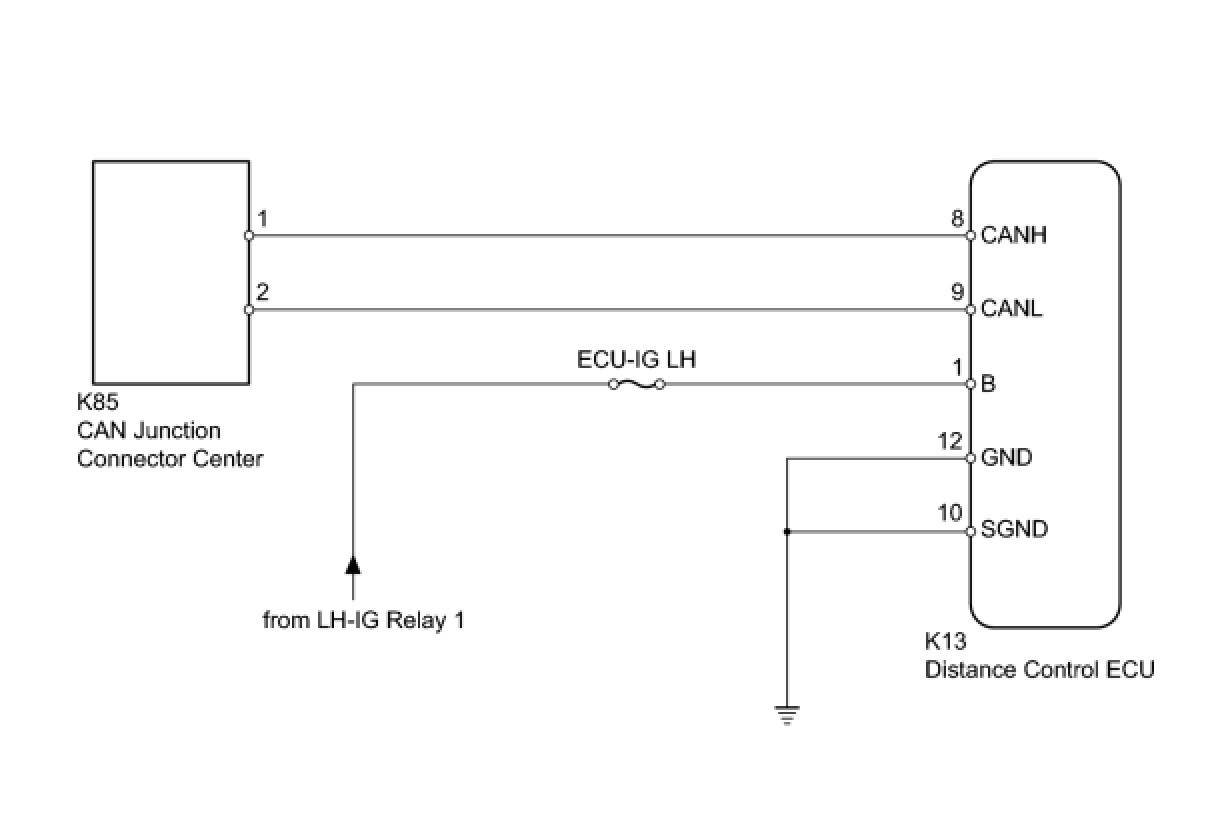
WIRING DIAGRAM





INSPECTION PROCEDURE

PROCEDURE

1. CHECK CAN BUS LINE FOR DISCONNECTION (DISTANCE CONTROL ECU BRANCH WIRE)




(a) Disconnect the K13 distance control ECU connector.
(b) Measure the resistance of the wire harness side connector.
Standard resistance:






NG -- REPAIR OR REPLACE DISTANCE CONTROL ECU BRANCH WIRE OR CONNECTOR (CANH, CANL)
OK -- Continue to next step.
2. CHECK WIRE HARNESS (DISTANCE CONTROL ECU - BATTERY AND BODY GROUND)




(a) Disconnect the K13 distance control ECU connector.
(b) Measure the resistance of the wire harness side connector.
Standard resistance:





(c) Measure the voltage of the wire harness side connector.
Standard voltage:






NG -- REPAIR OR REPLACE HARNESS OR CONNECTOR
OK -- REPLACE DISTANCE CONTROL ECU