Operation CHARM: Car repair manuals for everyone.
Manuals through 2025 now available!

Our trusted friends have launched a new website named LEMON, which has newer manuals. It also contains all the CHARM manuals.

LEMON is the spiritual successor to CHARM, I recommend you try it!

Link: lemon-manuals.la or lemon-manuals.org.ua

(Some people have issue connecting. LEMON is investigating. For now, use Firefox or change your DNS server)

Or, hide this message: temporarily or permanently

EVAP System








2GR-FSE ENGINE CONTROL SYSTEM: SFI SYSTEM: EVAP System

EVAP System

DESCRIPTION

While the engine is running, if a predetermined condition (closed loop, etc.) is met, the purge VSV is opened by the ECM and stored fuel vapors in the canister are purged to the intake manifold. The ECM will change the duty cycle ratio of the purge VSV to control purge flow volume.
Purge flow volume is also determined by the intake manifold pressure. Atmospheric pressure is allowed into the canister through the vent valve to ensure that purge flow is maintained when negative pressure (vacuum) is applied to the canister.
The ECM monitors the condition of both the key-off monitor and purge flow monitor to ensure proper operation of the EVAP system.

























Key-off monitor

This monitoring system checks for canister pump module malfunctions and leaks from the EVAP and closed tank systems. Be sure to leave the vehicle for at least 5 hours to sufficiently cool the fuel and stabilize fuel tank pressure. This makes EVAP system monitoring more accurate.
HINT: If the engine coolant temperature is 35°C (95°F) or more, 5 hours after the power switch has been turned off, the ECM will begin performing a monitor check after another 2 hours. If the engine coolant temperature is still 35°C (95°F) or more, 7 hours after the power switch has been turned off, the ECM will begin performing a monitor check after another 2.5 hours.

There are two methods for monitoring the EVAP system.
1 If the fuel tank pressure is higher or lower than the atmospheric pressure, the system determines that there are no leaks in the closed tank system and the system will check for leaks from the piping and canister between the purge VSV and canister pump module. (Method A)
2 If the fuel tank pressure is almost the same as the atmospheric pressure, vacuum pressure will enter the fuel tank and the system will check for leaks from the fuel tank after checking for leaks from the canister. (Method B)









HINT: *: If there is only a small amount of fuel in the fuel tank, stabilizing the EVAP pressure takes longer than usual.





Purge flow monitor

If EVAP system pressure change is less than 7.5 mmHg (1 kPa) when the engine is running and the purge VSV is turned on (closed), the ECM determines that the purge flow is insufficient.





RELATED DTCS





MONITOR RESULT

Refer to CHECKING MONITOR STATUS Mode 6 Data.

CONFIRMATION DRIVING PATTERN

1. KEY-OFF MONITOR DRIVE PATTERN
(a) Connect the Techstream to the DLC3.
(b) Confirm the following conditions are satisfied:
- The fuel level is less than 90%.
- The altitude is less than 8000 ft. (2400 m).
- The vehicle is stopped (the vehicle speed is less than 2 mph).
- The ECT is 4.4 to 35°C (40 to 95°F).
- The IAT is 4.4 to 35°C (40 to 95°F).

(c) Perform the drive pattern:
(1) Allow the engine to idle for 5 minutes or more.
(2) Turn the power switch off and wait 6 hours.
(d) Check the monitor status with the Techstream.
2. PURGE FLOW MONITOR DRIVE PATTERN (P0441)
(a) Connect the Techstream to the DLC3.
(b) Confirm that the following conditions are satisfied:
- The Engine Coolant Temperature (ECT) is more than 4.4°C (40°F).
- The Intake Air Temperature (IAT) is more than 4.4°C (40°F).

(c) Perform the drive pattern:
(1) Remove and reinstall the fuel cap to release the fuel tank pressure.
(2) Warm the engine until the ECT reaches 75°C (167°F) or more.
(3) Run the engine at 2500 rpm once.
(4) Allow the engine to idle and turn on the air conditioning (A/C) for 1 minute.
(d) Check the monitor status with the Techstream.

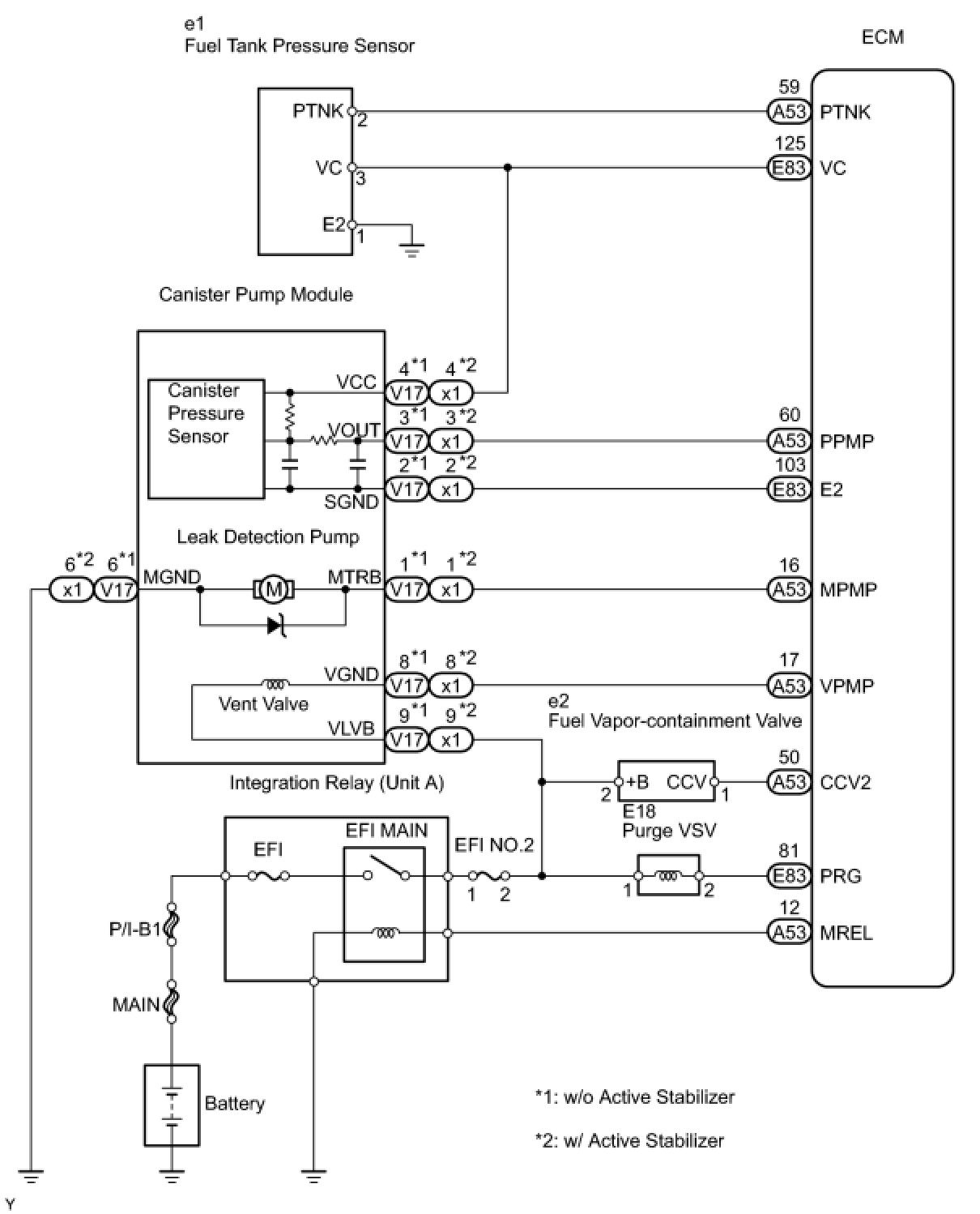
WIRING DIAGRAM





INSPECTION PROCEDURE

PROCEDURE

1. CONFIRM DTC
(a) Turn the power switch off and wait 10 seconds.
(b) Turn the power switch on (IG).
(c) Turn the power switch off and wait 10 seconds.
(d) Connect the Techstream to the DLC3.
(e) Turn the power switch on (IG) and turn the Techstream on.
(f) Enter the following menus: Powertrain / Engine and ECT / Trouble Codes.
(g) Confirm the DTCs.

DTC and Malfunction Cross-Reference





NEXT -- Continue to next step.
2. PERFORM EVAPORATIVE SYSTEM CHECK (AUTOMATIC MODE)
NOTICE:
- In the Evaporative System Check (Automatic Mode), a series of 6 Evaporative System Check steps are performed automatically. A maximum of 15 minutes is required.
- Do not perform the Evaporative System Check when the fuel tank is more than 90% full because the cut-off valve may be closed and the leak check of the fuel tank is unavailable.
- Do not run the engine.
- When the temperature of the fuel is 35°C (95°F) or more, a large amount of vapor forms and any check results become inaccurate. When performing an Evaporative System Check, keep the temperature below 35°C (95°F).
(a) Clear the DTC with the Techstream.
(b) Remove the fuel tank cap and reinstall the fuel cap.
(c) Enter the following menus: Powertrain / Engine and ECT / Utility / Evaporative System Check / Automatic Mode.
(d) After the Evaporative System Check is completed, check the DTC.
Result:






C -- END
B -- PERFORM EVAPORATIVE SYSTEM CHECK (MANUAL MODE)
A -- Continue to next step.
3. IDENTIFICATION OF TROUBLE AREAS USING DTC
(a) Refer to the table below to determine the next procedure according to the output DTCs.

Result:





B -- PERFORM ACTIVE TEST USING TECHSTREAM (ACTIVATE THE VACUUM PUMP)
A -- Continue to next step.
4. IDENTIFICATION OF TROUBLE AREAS USING DTC
(a) Refer to the table below to determine the next procedure according to the output DTCs.

Result:





D -- CHECK FUEL VAPOR-CONTAINMENT VALVE ASSEMBLY (POWER SOURCE CIRCUIT)
C -- LOCATE EVAP LEAK PART (FUEL VAPOR-CONTAINMENT VALVE - FUEL TANK)
B -- LOCATE EVAP LEAK PART (PURGE VSV - CANISTER)
A -- Continue to next step.
5. CHECK VACUUM HOSE (PURGE VSV - INTAKE MANIFOLD)




(a) Disconnect the hose (to intake manifold) from the Purge VSV.
(b) Put the engine in inspection mode Inspection Mode Procedure.
(c) Use your finger and confirm that the Purge VSV has suction.
Result:






NG -- REPAIR OR REPLACE VACUUM HOSE
OK -- Continue to next step.
6. PERFORM ACTIVE TEST USING TECHSTREAM (PURGE VSV)




(a) Disconnect the hose (to canister) from the Purge VSV.
(b) Put the engine in inspection mode Inspection Mode Procedure.
(c) Enter the following menus: Powertrain / Engine and ECT / Active Test / Active the VSV for EVAP Control.
(d) Turn the Purge VSV off (Purge VSV: OFF).
(e) Use your finger and confirm that the Purge VSV has no suction.
(f) Turn the Purge VSV on (Purge VSV: ON).
(g) Use your finger to confirm that the purge VSV has suction.
OK:
Purge VSV functions normally
OK -- REPAIR OR REPLACE VACUUM HOSE
NG -- Continue to next step.
7. CHECK PURGE VSV




(a) Remove the purge VSV.
(b) Apply compressed air to the purge VSV, confirm that no air flows from A to B as shown in the illustration.
(c) Apply battery voltage to the purge VSV.
(d) While applying compressed air, confirm that air flows from A to B as shown in the illustration.
Result:






NG -- REPLACE PURGE VSV
OK -- Continue to next step.
8. CHECK HARNESS AND CONNECTOR (PURGE VSV - EFI NO.2 FUSE)




(a) Disconnect the E18 purge VSV connector.
(b) Turn the power switch on (IG).
(c) Measure the voltage between terminal 1 of the E18 connector and the body ground.
Result:






NG -- REPAIR OR REPLACE HARNESS OR CONNECTOR
OK -- Continue to next step.
9. CHECK HARNESS AND CONNECTOR (PURGE VSV - ECM)




(a) Disconnect the E83 ECM connector and the E18 purge VSV connector.
(b) Measure the resistance.
Standard resistance:






NG -- REPAIR OR REPLACE HARNESS OR CONNECTOR
OK -- Continue to next step.
10. REPLACE ECM
NEXT -- PERFORM EVAPORATIVE SYSTEM CHECK AGAIN (AUTOMATIC MODE)
11. PERFORM ACTIVE TEST USING TECHSTREAM (ACTIVATE THE VACUUM PUMP)
(a) Connect the Techstream to DLC3.
(b) Turn the power switch on (IG).
(c) Enter the following menus: Powertrain / Engine and ECT / Active Test / Activate the Vacuum Pump.
(d) Turn the leak detection pump on with the Techstream.
(e) Touch the canister pump module and check if the pump is moving.
OK:
Pump operates
NG -- PERFORM ACTIVE TEST USING TECHSTREAM (ACTIVATE THE VACUUM PUMP)
OK -- Continue to next step.
12. PERFORM ACTIVE TEST USING TECHSTREAM (ACTIVATE THE VSV FOR VENT VALVE)
(a) Remove the canister lower cover.
(b) Connect the Techstream to DLC3.
(c) Turn the power switch on (IG).
(d) Enter the following menus: Powertrain / Engine and ECT / Active Test / Activate the VSV for Vent Valve.
(e) Touch the canister pump module, use the Techstream to turn the vent valve on and off, and check if the vent valve is moving.
OK:
Vent valve vibration can be felt.
NG -- INSPECT CANISTER PUMP MODULE (VENT VALVE OPERATION)
OK -- REPLACE CANISTER ASSEMBLY
13. PERFORM ACTIVE TEST USING TECHSTREAM (ACTIVATE THE VACUUM PUMP)




(a) Turn the power switch off.
(b) Remove the canister lower cover.
(c) Disconnect the canister pump module connector.
(d) Connect the Techstream to DLC3.
(e) Turn the power switch on (IG).
(f) Enter the following menus: Powertrain / Engine and ECT / Active Test / Activate the Vacuum Pump.
(g) Turn the leak detection pump on with the Techstream.
(h) Measure the voltage between MTRB terminal 1 of the canister pump module connector and body ground when the leak detection pump is turned on and off using the Techstream.
Standard voltage:
10 to 14 V
NG -- CHECK HARNESS AND CONNECTOR (ECM - CANISTER PUMP MODULE)
OK -- Continue to next step.
14. CHECK HARNESS AND CONNECTOR (CANISTER PUMP MODULE - BODY GROUND)
(a) Remove the canister lower cover.




(b) Disconnect the canister pump module connector.
(c) Measure the resistance between MGND terminal of the canister pump module and the body ground.
Standard resistance:
Below 1 Ohms
NG -- REPAIR OR REPLACE HARNESS OR CONNECTOR
OK -- REPLACE CANISTER ASSEMBLY
15. CHECK HARNESS AND CONNECTOR (ECM - CANISTER PUMP MODULE)
(a) Disconnect the A53 ECM connector.




(b) Disconnect the canister pump module connector.
(c) Measure the resistance between MPMP terminal of the ECM connector and MTRB terminal of the canister pump module connector.
Standard resistance::

w/o Active Stabilizer





w/ Active Stabilizer





NG -- REPAIR OR REPLACE HARNESS OR CONNECTOR
OK -- REPLACE ECM
16.
INSPECT CANISTER PUMP MODULE (VENT VALVE OPERATION)




(a) Turn the power switch off.
(b) Remove the canister lower cover.
(c) Disconnect the canister pump module connector.
(d) Apply battery voltage to VLVB and VGND terminals of the canister pump module.
(e) Touch the canister pump module to confirm the vent valve operation.
Result:





(f) Reconnect the canister connector.
B -- REPLACE CANISTER ASSEMBLY
A -- Continue to next step.
17.
CHECK HARNESS AND CONNECTOR (CANISTER PUMP MODULE - ECM)




(a) Disconnect the A53 ECM connector.
(b) Disconnect the canister pump module connector.
(c) Check the resistance between VPMP terminal of the ECM connector and VGND terminal of the canister pump module connector.
Standard resistance::

w/o Active Stabilizer





w/ Active Stabilizer





(d) Reconnect the ECM connector.
(e) Reconnect the canister pump module connector.
NG -- REPAIR OR REPLACE HARNESS OR CONNECTOR
OK -- REPLACE ECM
18. LOCATE EVAP LEAK PART (PURGE VSV - CANISTER)




(a) Disconnect the vent hose.
(b) Connect the EVAP tester to the vent hose with the adapter.
(c) Pressurize the EVAP system to 3.2 to 3.7 kPa (24 to 28 mmHg).
(d) Apply soapy water to the piping and connecting parts of the EVAP system.
(e) Look for areas where bubbles appear. This indicates the leak point.
(f) Repair or replace the leak point.
HINT: Disconnect the hose between the canister and the fuel tank from the canister. Block the canister side and conduct an inspection. In this way, the fuel tank can be excluded as an area suspected of causing fuel leaks.

NEXT -- Continue to next step.
19. REPLACE MALFUNCTIONING PART
NEXT -- PERFORM EVAPORATIVE SYSTEM CHECK AGAIN (AUTOMATIC MODE)
20. CHECK FUEL TANK CAP ASSEMBLY
(a) Check if the fuel cap is tightened until a few "click" sounds are heard.
(b) If you have the EVAP tester, check the fuel cap using the fuel cap adaptor.
(1) Install the fuel cap to the fuel cap adaptor, and connect the hose from the EVAP tester's pump.
(2) Pressurize the fuel cap adaptor to between 24 and 28 mmHg or for 45 seconds.
(3) Stop the pump and seal the fuel cap adaptor.
(4) Wait 2 minutes.
(5) Confirm that the pressure is higher than 15 mmHg.
OK:
Higher than 15 mmHg
NG -- REPLACE FUEL TANK CAP
OK -- Continue to next step.
21. LOCATE EVAP LEAK PART (FUEL VAPOR-CONTAINMENT VALVE - FUEL TANK)




(a) Disconnect the vent hose.
(b) Connect the EVAP tester to the vent hose with the adapter.
(c) Connect the Techstream to DLC3.
(d) Turn the power switch on (IG).
(e) Enter the following menus: Powertrain / Engine and ECT / Active Test / Activate the Fuel Vapor-Containment Valve.
(f) Turn the Fuel vapor-containment valve on with the tester.
(g) Pressurize the EVAP system to 3.2 to 3.7 kPa (24 to 28 mmHg).
(h) Apply soapy water to the piping and connecting parts of the EVAP system.
(i) Look for areas where bubbles appear. This indicates the leak point.
(j) Repair or replace the leak point.
HINT: Disconnect the hose between the canister and the fuel tank from the canister. Block the canister side and conduct an inspection. In this way, the fuel tank can be excluded as an area suspected of causing fuel leaks.

NEXT -- Continue to next step.
22. REPLACE MALFUNCTIONING PART
NEXT -- PERFORM EVAPORATIVE SYSTEM CHECK AGAIN (AUTOMATIC MODE)
23. CHECK FUEL VAPOR-CONTAINMENT VALVE ASSEMBLY (POWER SOURCE CIRCUIT)




(a) Disconnect the eV1 wire harness to wire harness connector.
(b) Connect the Techstream to the DLC3.
(c) Turn the power switch on (IG).
(d) Enter the following menus: Powertrain / Engine and ECT / Active Test / Activate the Fuel Vapor-Containment Valve.
(e) Turn the fuel vapor-containment valve on with the Techstream.
(f) Measure the voltage between terminals 5 and 6 of the eV1 connector.
Standard voltage:
10 to 14 V
OK -- CHECK HARNESS AND CONNECTOR (TANK WIRE HARNESS)
NG -- Continue to next step.
24. CHECK HARNESS AND CONNECTOR (FUEL VAPOR-CONTAINMENT VALVE - EFI NO.2 FUSE)




(a) Disconnect the eV1 wire harness to wire harness connector.
(b) Measure the voltage between terminal eV1-6 and the body ground.
Standard voltage:
10 to 14 V
NG -- REPAIR OR REPLACE HARNESS OR CONNECTOR
OK -- Continue to next step.
25. CHECK HARNESS AND CONNECTOR (FUEL VAPOR-CONTAINMENT VALVE ASSEMBLY - ECM)




(a) Disconnect the A53 ECM connector.
(b) Disconnect the eV1 wire harness to wire harness connector.
(c) Measure the resistance.
Standard resistance:






NG -- REPAIR OR REPLACE HARNESS OR CONNECTOR
OK -- Continue to next step.
26. REPLACE ECM
NEXT -- PERFORM EVAP SYSTEM CHECK AGAIN (AUTO OPERATION)
27. REPLACE PURGE VSV
NEXT -- PERFORM EVAP SYSTEM CHECK AGAIN (AUTO OPERATION)
28. REPLACE CANISTER ASSEMBLY
(a) Replace the canister assembly Removal.
NOTICE:
When replacing the canister, check the canister pump module interior and related pipes for water, fuel and other liquids. If liquids are present, check for disconnections and/or cracks in the following: 1) the pipe from the air inlet port to the canister pump module; 2) the canister filter; and 3) the hose from the canister to the fuel tank.





NEXT -- PERFORM EVAPORATIVE SYSTEM CHECK AGAIN (AUTOMATIC MODE)
29. CHECK HARNESS AND CONNECTOR (TANK WIRE HARNESS)
(a) Remove the fuel tank assembly Removal.




(b) Disconnect the fuel vapor-containment valve connector.
(c) Measure the resistance.
Standard resistance:





(d) Reinstall fuel tank assembly Installation.
NG -- REPAIR OR REPLACE HARNESS OR CONNECTOR
OK -- Continue to next step.
30. REPLACE FUEL VAPOR-CONTAINMENT VALVE
NEXT -- PERFORM EVAP SYSTEM CHECK AGAIN (AUTO OPERATION)
31. REPLACE FUEL TANK CAP
NEXT -- PERFORM EVAP SYSTEM CHECK AGAIN (AUTO OPERATION)
32. REPAIR OR REPLACE HARNESS OR CONNECTOR
NEXT -- PERFORM EVAP SYSTEM CHECK AGAIN (AUTO OPERATION)
33. REPAIR OR REPLACE VACUUM HOSE
NEXT -- PERFORM EVAPORATIVE SYSTEM CHECK AGAIN (AUTOMATIC MODE)
34. PERFORM EVAPORATIVE SYSTEM CHECK (MANUAL MODE)
HINT: In the manual operation check, the EVAP system can be checked in signal steps. Valve operation and pressure in each step can also be checked.
(a) Clear DTCs DTC Check / Clear.
(b) Remove the fuel tank cap and reinstall the fuel cap.
(c) Enter the following menus: Powertrain / Engine and ECT / Utility / Evaporative System Check / Manual Mode.
NOTICE:
- In the Evaporative System Check (AUTOMATIC MODE), the series of 9 Evaporative System Check steps is performed automatically. It takes a maximum of approximately 18 minutes.
- Do not perform the Evaporative System Check when the fuel tank is more than 90% full because the cut-off valve may be closed, making the leak check of the fuel tank unavailable.
- Do not run the engine in this step.
- When the temperature of the fuel is 35°C (95°F) or more, a large amount of vapor forms and any check results become inaccurate. When performing the Evaporative System Check, keep the temperature below 35°C (95°F).

Tester Display





Manual Operation Step





- Timing Chart





NEXT -- Continue to next step.
35. PERFORM EVAP SYSTEM CHECK (MANUAL OPERATION STEP 1)
(a) Select the step 1 and wait 10 seconds.
NEXT -- Continue to next step.
36. PERFORM EVAPORATIVE SYSTEM CHECK (MANUAL MODE)
- (a) Perform step 2.
- (b) Check the EVAP pressure 2 seconds after the leak detection pump is activated*.
*: The leak detection pump begins to operate at the start of step 2.




- (c) Check the EVAP pressure again when it has stabilized. This pressure is the first reference pressure standard.





Result:






C -- REPLACE CANISTER ASSEMBLY
B -- PERFORM ACTIVE TEST USING TECHSTREAM (ACTIVATE THE VACUUM PUMP)
A -- PERFORM EVAPORATIVE SYSTEM CHECK (MANUAL MODE STEP 3)
37. PERFORM EVAPORATIVE SYSTEM CHECK (MANUAL MODE STEP 3)
- (a) Perform step 3.
- (b) Check the EVAP pressure change in step 3.





Result:





- (c) Check the fuel tank pressure change in step 3.





Result:





- (d) Check the EVAP pressure again when it has stabilized. This pressure is the canister leak pressure standard.
- (e) Compare the first reference pressure with the canister leak pressure.





Result:






D -- LOCATE EVAP LEAK PART (PURGE VSV - CANISTER)
C -- CHECK FUEL VAPOR-CONTAINMENT VALVE ASSEMBLY (POWER SOURCE CIRCUIT)
B -- INSPECT CANISTER PUMP MODULE (VENT VALVE OPERATION)
A -- Continue to next step.
38. PERFORM EVAPORATIVE SYSTEM CHECK (MANUAL MODE STEP 4)
- (a) Perform step 4.
- (b) Check the EVAP pressure change in step 4.





Result:






B -- CHECK VACUUM HOSE (PURGE VSV - INTAKE MANIFOLD)
A -- Continue to next step.
39. PERFORM EVAPORATIVE SYSTEM CHECK (MANUAL MODE STEP 5)
(a) Perform step 5 and wait 60 seconds.
(b) Check the EVAP pressure. This pressure is the second reference pressure standard.
NEXT -- Continue to next step.
40. PERFORM EVAPORATIVE SYSTEM CHECK (MANUAL MODE STEP 6)
(a) Perform step 6 and wait 5 seconds.
NEXT -- Continue to next step.
41. PERFORM EVAPORATIVE SYSTEM CHECK (MANUAL MODE STEP 7)
(a) Perform step 7.
(b) Check that the tank pressure and EVAP pressure change.
(c) Check the tank pressure again when it has stabilized. This pressure is the fuel tank leak pressure standard.





Result:






B -- CHECK FUEL VAPOR-CONTAINMENT VALVE ASSEMBLY (POWER SOURCE CIRCUIT)
A -- Continue to next step.
42. PERFORM EVAPORATIVE SYSTEM CHECK (MANUAL MODE STEP 8)
(a) Perform step 8 and wait 60 seconds.
(b) Check the EVAP pressure. This pressure is the third reference pressure standard.
(c) Compare the tank pressure checked in step 8 with the third reference pressure.





Result:






B -- CHECK FUEL TANK CAP ASSEMBLY
A -- Continue to next step.
43. PERFORM CONFIRMATION DRIVING PATTERN
(a) KEY-OFF MONITOR DRIVE PATTERN
(1) Connect the Techstream to the DLC3.
(2) Confirm the following conditions are satisfied:

- The fuel level is less than 90%.
- The altitude is less than 8000 ft. (2400 m).
- The vehicle is stopped (the vehicle speed is less than 2 mph).
- The ECT is 4.4 to 35°C (40 to 95°F.)
- The IAT is 4.4 to 35°C (40 to 95°F).
- Driven vehicle in the city area or on free-way for 10 minutes or more.

(3) Perform the drive pattern:
1 Allow the engine to idle for 5 minutes or more.
2 Turn the power switch off and wait 6 hours.

(4) Check the monitor status with the Techstream.
(b) PURGE FLOW MONITOR DRIVE PATTERN (P0441)
(1) Connect the Techstream to the DLC3.
(2) Confirm that the following conditions are satisfied:

- The Engine Coolant Temperature (ECT) is more than 4.4°C (40°F).
- The Intake Air Temperature (IAT) is more than 4.4°C (40°F).

(3) Perform the drive pattern:
1 Remove and reinstall the fuel cap to release the fuel tank pressure.
2 Warm up the engine until the ECT reaches 75°C (167°F) or more.
3 Driven vehicle in the city area or on free-way for 10 minutes or more.

(4) Check the monitor status with the Techstream.
NEXT -- PERFORM EVAPORATIVE SYSTEM CHECK AGAIN (AUTOMATIC MODE)