Operation CHARM: Car repair manuals for everyone.
Manuals through 2025 now available!

Our trusted friends have launched a new website named LEMON, which has newer manuals. It also contains all the CHARM manuals.

LEMON is the spiritual successor to CHARM, I recommend you try it!

Link: lemon-manuals.la or lemon-manuals.org.ua

(Some people have issue connecting. LEMON is investigating. For now, use Firefox or change your DNS server)

Or, hide this message: temporarily or permanently

CAN Main Bus Line For Disconnection








CAN COMMUNICATION: CAN COMMUNICATION SYSTEM: CAN Main Bus Line for Disconnection

CAN Main Bus Line for Disconnection

DESCRIPTION

The CAN main bus line and DLC3 sub bus line may have a disconnection when the resistance between terminals 6 (CANH) and 14 (CANL) of the DLC3 is more than 69 Ohms.






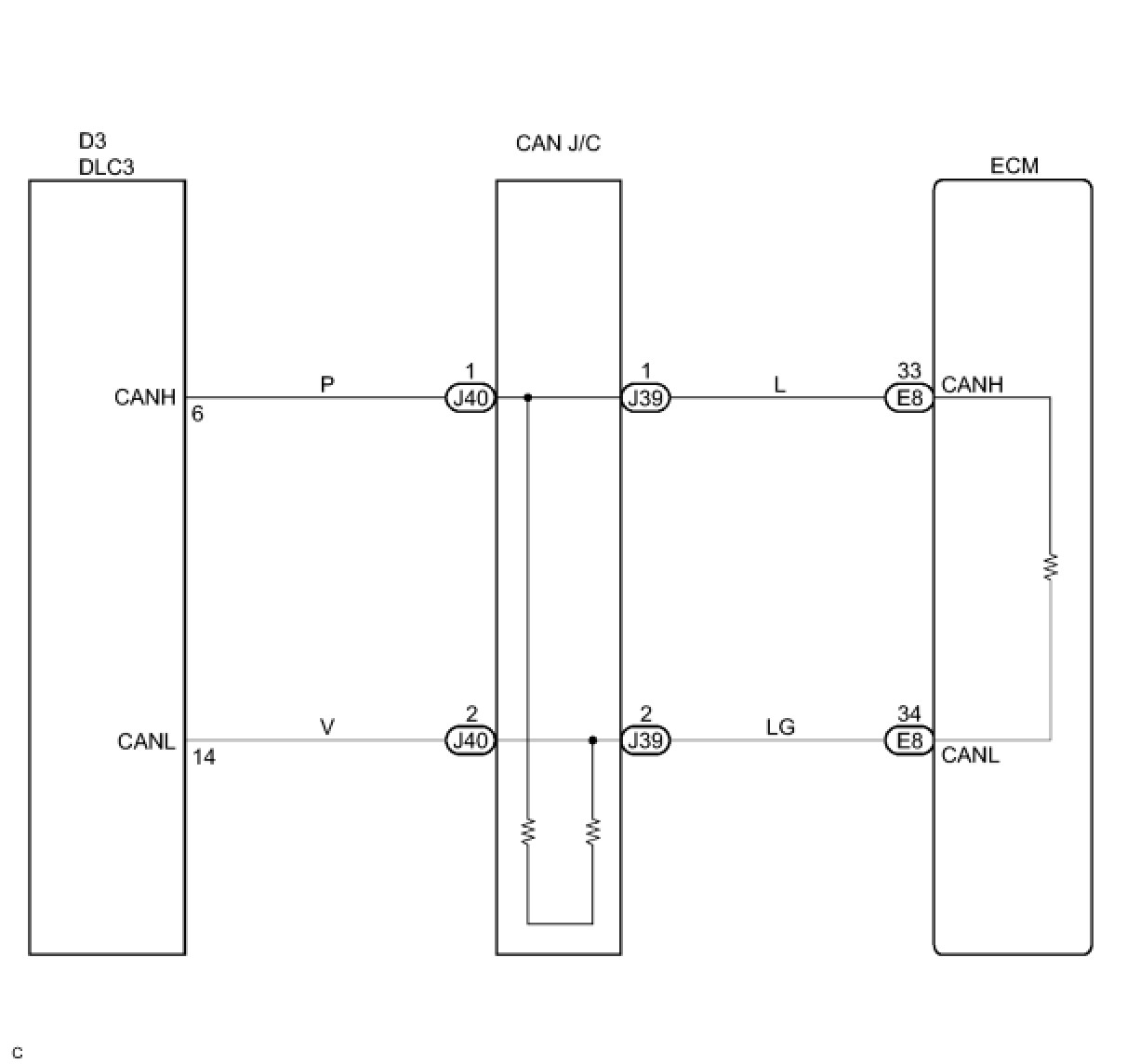
WIRING DIAGRAM





INSPECTION PROCEDURE

PROCEDURE

1. CHECK DLC3




(a) Measure the resistance according to the value(s) in the table below.
Result:





NOTE:
When the measured value is 132 Ohms or more and a CAN communication system diagnostic code is output, there may be a fault other than a disconnection of the DLC3 sub bus line. For that reason, troubleshooting should be performed again from "How to Proceed with Troubleshooting" after repairing the trouble area.

B -- REPAIR OR REPLACE DLC3 SUB BUS LINE OR CONNECTOR (CAN-H, CAN-L)
A -- Continue to next step.
2. CHECK CAN MAIN BUS LINE FOR DISCONNECTION (ECM - CAN J/C)




(a) Disconnect the connector (E8) from the ECM.
(b) Measure the resistance according to the value(s) in the table below.
Standard resistance:






OK -- REPLACE ECM
NG -- Continue to next step.
3. CHECK CAN J/C




(a) Disconnect the CAN main bus line connector (J39) from the CAN J/C.
- Before disconnecting the connector, make a note of where it is connected.
- Reconnect the connector to its original position.




(b) Measure the resistance according to the value in the table below.
Standard resistance:






NG -- REPLACE CAN J/C
OK -- REPAIR OR REPLACE CAN BUS MAIN WIRE OR CONNECTOR (CAN J/C - ECM)