Operation CHARM: Car repair manuals for everyone.
Manuals through 2025 now available!

Our trusted friends have launched a new website named LEMON, which has newer manuals. It also contains all the CHARM manuals.

LEMON is the spiritual successor to CHARM, I recommend you try it!

Link: lemon-manuals.la or lemon-manuals.org.ua

(Some people have issue connecting. LEMON is investigating. For now, use Firefox or change your DNS server)

Or, hide this message: temporarily or permanently

Yaw Rate Sensor Communication Stop Mode








CAN COMMUNICATION: CAN COMMUNICATION SYSTEM: Yaw Rate Sensor Communication Stop Mode

Yaw Rate Sensor Communication Stop Mode

DESCRIPTION





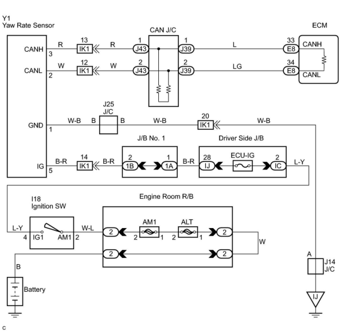
WIRING DIAGRAM





INSPECTION PROCEDURE

PROCEDURE

1. CHECK CAN BUS LINE FOR DISCONNECTION (YAW RATE SENSOR SUB BUS LINE)




(a) Turn the ignition switch to the LOCK position.
(b) Disconnect the yaw rate sensor connector (Y1).
(c) Measure the resistance according to the value(s) in the table below.
Standard resistance:






NG -- REPAIR OR REPLACE YAW RATE SENSOR SUB BUS LINE OR CONNECTOR (CAN-H, CAN-L)
OK -- Continue to next step.
2. CHECK WIRE HARNESS (IG, GND)




(a) Measure the resistance according to the value(s) in the table below.
Standard resistance:





(b) Measure the voltage according to the value(s) in the table below.
Standard voltage:






NG -- REPAIR OR REPLACE HARNESS OR CONNECTOR
OK -- REPLACE YAW RATE SENSOR