Operation CHARM: Car repair manuals for everyone.
Manuals through 2025 now available!

Our trusted friends have launched a new website named LEMON, which has newer manuals. It also contains all the CHARM manuals.

LEMON is the spiritual successor to CHARM, I recommend you try it!

Link: lemon-manuals.la or lemon-manuals.org.ua

(Some people have issue connecting. LEMON is investigating. For now, use Firefox or change your DNS server)

Or, hide this message: temporarily or permanently

Heating and Air Conditioning: Description and Operation








AIR CONDITIONING: AIR CONDITIONING SYSTEM: SYSTEM DESCRIPTION

SYSTEM DESCRIPTION

1. GENERAL
The air conditioning system has the following controls:






*1: Models with a 2GR-FSE engine
2. NEURAL NETWORK CONTROL

- In previous automatic air conditioning systems, the A/C amplifier determined the required outlet air temperature and blower air volume in accordance with the calculation formula that has been obtained based on information received from the sensors.
However, because the senses of a person are rather complex, a given temperature is sensed differently, depending on the environment in which the person is situated. For example, a given amount of solar radiation can feel comfortably warm in a cold climate, or extremely uncomfortable in a hot climate. Therefore, as a technique for effecting a higher level of control, a neural network has been adopted in the automatic air conditioning system. With this technique, the data that has been collected under varying environmental conditions is stored in the A/C amplifier. The A/C amplifier can then effect control to provide enhanced air conditioning comfort.
- The neural network control consists of neurons in the input layer, intermediate layer, and output layer. The input layer neurons process the input data of the outside temperature, the amount of sunlight, and the room temperature based on the outputs of the switches and sensors, and output them to the intermediate layer neurons. Based on this data, the intermediate layer neurons adjust the strength of the links among the neurons. The sum of these is then calculated by the output layer neurons in the form of the required outlet temperature, solar correction, target airflow volume, and outlet mode control volume. Accordingly, the A/C amplifier controls the servo motors and blower motor in accordance with the control volumes that have been calculated by the neural network control.





3. AUTOMATIC RECIRCULATION CONTROL
(a) When the automatic recirculation control is operating, the A/C amplifier automatically changes the air inlet mode to the fresh air or recirculate air mode based on signals from the smog ventilation sensor, ambient temperature, and room temperature sensors when the AUTO air inlet mode is selected.




(1) The A/C amplifier detects harmful elements (CO, HC, and NOx) based on smog ventilation sensor signals and automatically switches the air inlet mode to the recirculate air mode to prevent such harmful elements from entering the cabin.
(2) The A/C amplifier detects cabin temperature based on a room temperature sensor signal and automatically switches the air inlet mode to the recirculate air mode to prevent the cabin temperature from becoming too high.
(3) The A/C amplifier detects the outside temperature based on an ambient temperature sensor signal and automatically switches the air inlet mode to the fresh air mode to prevent the windshield from fogging up.
4. MICRO DUST AND POLLEN FILTER MODE CONTROL
(a) When the micro dust and pollen filter switch is pressed, the micro dust and pollen filter mode control is activated. Then, the air vent is switched to the FACE mode and recirculated pollen free air flows in the area around the upper part of the bodies of the driver and front passenger.




(1) When the micro dust and pollen filter switch signal is input to the A/C amplifier, the A/C amplifier controls the A/C compressor, air inlet control servo motor, air outlet control servo motor and blower motor as shown in the timing chart below.
(2) This control usually operates for approximately 3 minutes. However, when the outside temperature is low, it will operate for approximately 1 minute.
(3) After this control stops operating, the A/C amplifier controls the air conditioning system using the AUTO mode.
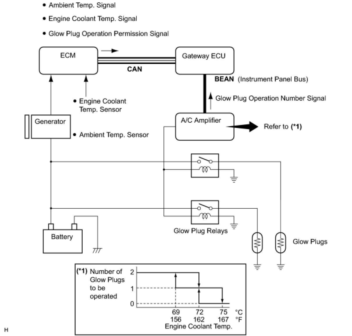
5. GLOW PLUG CONTROL
(a) In the glow plug control, the A/C amplifier and ECM operate two glow plugs to reduce the period of increased fuel consumption due to a cold engine and to improve heater performance.
(1) The A/C amplifier and ECM control this function.
(2) The A/C amplifier and ECM determine the number of glow plugs to operate based on the engine coolant temperature, outside temperature, and A/C Max. Hot state. The A/C amplifier then transmits request signals to the ECM.
(3) Based on the request signals from the A/C amplifier and a voltage generation rate signal from the generator, the ECM transmits a glow plug operation permission signal to the A/C amplifier.





6. MODE POSITION AND DAMPER OPERATION
(a) Mode Position and Damper Operation





Functions of Main Dampers:





7. AIR OUTLETS AND AIRFLOW VOLUME
(a) Air Outlets and Airflow Volume








The size of the circle o indicates the proportion of airflow volume.
*1: Greater airflow volume at the upper area
*2: Greater airflow volume at the lower area
*3: Greater airflow volume at the defroster
*4: Greater airflow volume at the rear
*5: Greater airflow volume at the front
8. EVAPORATOR TEMPERATURE SENSOR
The evaporator temperature sensor detects the temperature of the cool air immediately past the evaporator in the form of resistance changes, and outputs it to the A/C amplifier.
9. BLOWER MOTOR
The blower motor has a built-in blower controller, and is controlled using duty control performed by the A/C amplifier.
10. BUS CONNECTOR
(a) A BUS connector is used in the wire harness connection that connects the servo motor from the A/C amplifier.





(b) The BUS connector has a built-in communication/driver IC which communicates with each servo motor connector, actuates the servo motor, and has a position detection function. This enables bus communication for the servo motor wire harness, for a more lightweight construction and a reduced number of wires.





11. SERVO MOTOR
(a) The pulse pattern type servo motor consists of a printed circuit board and a servo motor. The printed circuit board has three contact points, and can transmit two ON-OFF signals to the A/C ECU based on the difference of the pulse phases. The BUS connector can detect the damper position and movement direction with this signal.





12. LOCK SENSOR
The lock sensor sends an A/C pulley speed signal to the ECM. The ECM compares this signal with an engine speed signal sent from the crankshaft position sensor. If the ECM determines that the A/C pulley has locked, the ECM turns the magnetic clutch off.
13. ROOM TEMPERATURE SENSOR
The room temperature sensor detects the cabin temperature based on changes in the resistance of its built-in thermistor and sends a signal to the A/C amplifier.
14. AMBIENT TEMPERATURE SENSOR
The ambient temperature sensor detects the outside temperature based on changes in the resistance of its built-in thermistor and sends a signal to the A/C amplifier.
15. SOLAR SENSOR
(a) The solar sensor consists of a photo diode, two amplifier circuits for the solar sensor, and frequency converter circuit for the light control sensor.
(b) A solar sensor detects (in the form of changes in the current that flows through the built-in photo diode) the changes in the amount of sunlight from the LH and RH sides (2 directions) and outputs these sunlight strength signals to the A/C amplifier.





16. A/C PRESSURE SENSOR
The A/C pressure sensor detects the refrigerant pressure and outputs it to the A/C amplifier in the form of voltage changes.
17. SMOG VENTILATION SENSOR (for 2GR-FSE engine)
(a) The smog ventilation sensor detects harmful elements such as CO, HC, and Nox, which are present in the air outside of the vehicle. The sensor outputs it to the A/C amplifier.
(b) The sensitivity of the smog ventilation sensor can be adjusted. Adjustment can be done using the heater control panel or multi-display.

SYSTEM DIAGRAM