Operation CHARM: Car repair manuals for everyone.
Manuals through 2025 now available!

Our trusted friends have launched a new website named LEMON, which has newer manuals. It also contains all the CHARM manuals.

LEMON is the spiritual successor to CHARM, I recommend you try it!

Link: lemon-manuals.la or lemon-manuals.org.ua

(Some people have issue connecting. LEMON is investigating. For now, use Firefox or change your DNS server)

Or, hide this message: temporarily or permanently

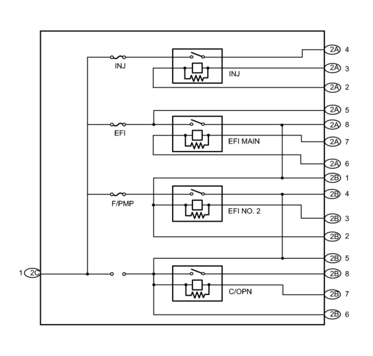
Integration Relay








2UR-GSE ENGINE CONTROL: INTEGRATION RELAY: INSPECTION

INSPECTION

1. INSPECT INTEGRATION RELAY





(a) EFI MAIN relay:




(1) Measure the resistance according to the value(s) in the table below.
Standard Resistance:






If the resistance is not as specified, replace the integration relay.
(b) EFI No. 2 relay:




(1) Measure the resistance according to the value(s) in the table below.
Standard Resistance:






If the resistance is not as specified, replace the integration relay.
(c) INJ relay:




(1) Measure the resistance according to the value(s) in the table below.
Standard Resistance:






If the resistance is not as specified, replace the integration relay.
(d) C/OPN relay:




(1) Measure the resistance according to the value(s) in the table below.
Standard Resistance:






If the resistance is not as specified, replace the integration relay.