Operation CHARM: Car repair manuals for everyone.
Manuals through 2025 now available!

Our trusted friends have launched a new website named LEMON, which has newer manuals. It also contains all the CHARM manuals.

LEMON is the spiritual successor to CHARM, I recommend you try it!

Link: lemon-manuals.la or lemon-manuals.org.ua

(Some people have issue connecting. LEMON is investigating. For now, use Firefox or change your DNS server)

Or, hide this message: temporarily or permanently

Relay








2UR-GSE ENGINE CONTROL: RELAY: ON-VEHICLE INSPECTION

ON-VEHICLE INSPECTION

1. DISCONNECT CABLE FROM NEGATIVE BATTERY TERMINAL
CAUTION:
Wait at least 90 seconds after disconnecting the cable from the negative (-) battery terminal to disable the SRS system.
NOTE:
When disconnecting the cable, some systems need to be initialized after the cable is reconnected Repair Instruction - Initialization.

2. REMOVE COOL AIR INTAKE DUCT SEAL Removal
3. REMOVE ENGINE ROOM SIDE COVER LH Removal
4. REMOVE NO. 2 RELAY BLOCK COVER
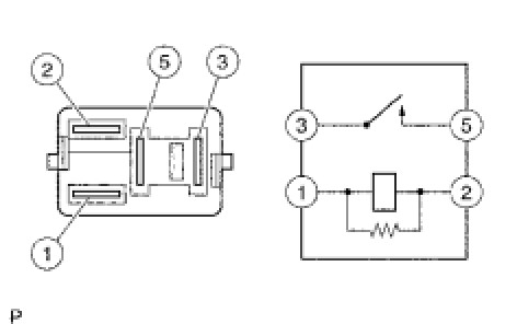
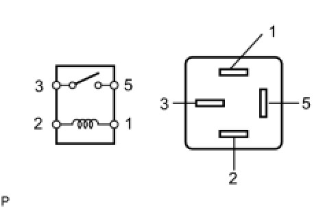
5. INSPECT IG2 RELAY
(a) Remove the IG2 relay from the No. 2 relay block.





(b) Measure the resistance according to the value(s) in the table below.
Standard Resistance:





If the result is not as specified, replace the relay.
6. INSPECT VVT LH RELAY
(a) Remove the VVT LH relay from the No. 2 relay block.





(b) Measure the resistance according to the value(s) in the table below.
Standard Resistance:





If the result is not as specified, replace the relay.
7. INSPECT VVT RH RELAY
(a) Remove the VVT RH relay from the No. 2 relay block.





(b) Measure the resistance according to the value(s) in the table below.
Standard Resistance:





If the result is not as specified, replace the relay.
8. INSPECT INJ2 RELAY
(a) Remove the INJ2 relay from the No. 2 relay block.





(b) Measure the resistance according to the value(s) in the table below.
Standard Resistance:





If the result is not as specified, replace the relay.
9. INSPECT A/F RELAY
(a) Remove the A/F relay from the No. 2 relay block.





(b) Measure the resistance according to the value(s) in the table below.
Standard Resistance:





If the result is not as specified, replace the relay.
10. INSPECT F/PMP RELAY
(a) Remove the F/PMP relay from the No. 2 relay block.





(b) Measure the resistance according to the value(s) in the table below.
Standard Resistance:





If the result is not as specified, replace the relay.
11. INSTALL NO. 2 RELAY BLOCK COVER
12. CONNECT CABLE TO NEGATIVE BATTERY TERMINAL
NOTE:
When disconnecting the cable, some systems need to be initialized after the cable is reconnected Repair Instruction - Initialization.

13. INSTALL ENGINE ROOM SIDE COVER LH Installation
14. INSTALL COOL AIR INTAKE DUCT SEAL Installation