Operation CHARM: Car repair manuals for everyone.
Manuals through 2025 now available!

Our trusted friends have launched a new website named LEMON, which has newer manuals. It also contains all the CHARM manuals.

LEMON is the spiritual successor to CHARM, I recommend you try it!

Link: lemon-manuals.la or lemon-manuals.org.ua

(Some people have issue connecting. LEMON is investigating. For now, use Firefox or change your DNS server)

Or, hide this message: temporarily or permanently

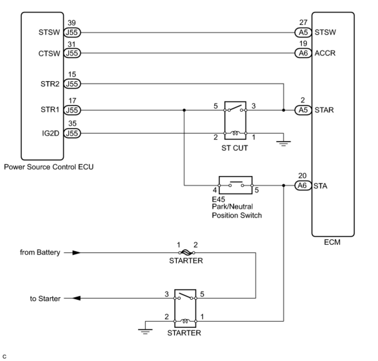
Cranking Holding Function Circuit








2UR-GSE ENGINE CONTROL: SFI SYSTEM: Cranking Holding Function Circuit

Cranking Holding Function Circuit

DESCRIPTION

The cranking holding control system provides current to the starter when the ECM detects the engine switch's start signal (STSW). When the ECM performs a firing judgment, the system cuts current to the starter. When the ECM receives the STSW signal, it turns on the ST CUT relay, which prevents flickering of the combination meter, clock, audio system, etc. Also, the ECM sends a signal to the ECM's STAR terminal. Then the STAR output signal travels through the park/neutral position (PNP) switch to the STARTER relay, causing the starter to activate.
When the engine is cranking, the starter operation signal is sent to the ECM's STA terminal.





WIRING DIAGRAM





INSPECTION PROCEDURE

PROCEDURE

1. READ VALUE USING TECHSTREAM (STA SIGNAL)
(a) Connect the Techstream to the DLC3.
(b) Turn the engine switch on (IG) and turn the Techstream ON.
(c) Enter the following menus: Powertrain / Engine / Data List / Starter Signal.
(d) Check the result when the engine switch is turned on (IG) and the engine is started.
Standard:






NG -- INSPECT ECM (STAR AND STSW VOLTAGE)
OK -- Continue to next step.

2. INSPECT STARTER RELAY




(a) Remove the STARTER relay from the engine room No. 1 relay block.
(b) Measure the resistance according to the value(s) in the table below.
Standard Resistance:





(c) Reinstall the STARTER relay.
NG -- REPLACE STARTER RELAY
OK -- Continue to next step.

3. INSPECT FUSIBLE LINK BLOCK ASSEMBLY (STARTER FUSE)




(a) Remove the fusible link block assembly from the engine room No. 1 relay block.
(b) Measure the resistance according to the value(s) in the table below.
Standard Resistance:





(c) Reinstall the fusible link block assembly.
NG -- REPLACE FUSIBLE LINK BLOCK ASSEMBLY (STARTER FUSE)
OK -- Continue to next step.

4. CHECK HARNESS AND CONNECTOR (PARK/NEUTRAL POSITION SWITCH - STARTER RELAY)




(a) Disconnect the park/neutral position switch connector.
(b) Remove the STARTER relay from the engine room No. 1 relay block.
(c) Measure the resistance according to the value(s) in the table below.
Standard Resistance (Check for Open):






Standard Resistance (Check for Short):





(d) Reconnect the park/neutral position switch connector.
(e) Reinstall the STARTER relay.
NG -- REPAIR OR REPLACE HARNESS OR CONNECTOR
OK -- Continue to next step.

5. CHECK HARNESS AND CONNECTOR (STARTER RELAY - BODY GROUND)




(a) Remove the STARTER relay from the engine room No. 1 relay block.
(b) Measure the resistance according to the value(s) in the table below.
Standard Resistance:





(c) Reinstall the STARTER relay.
NG -- REPAIR OR REPLACE HARNESS OR CONNECTOR (STARTER RELAY - BODY GROUND)
OK -- Continue to next step.

6. INSPECT ENGINE ROOM RELAY BLOCK (STARTER RELAY VOLTAGE)




(a) Remove the STARTER relay from the engine room No. 1 relay block.
(b) Measure the voltage according to the value(s) in the table below.
Standard Voltage:





(c) Reinstall the STARTER relay.
NG -- REPAIR OR REPLACE HARNESS OR CONNECTOR (STARTER RELAY - BATTERY)
OK -- Continue to next step.

7. INSPECT STARTER ASSEMBLY
(a) Inspect the starter assembly Testing and Inspection.
NG -- REPAIR OR REPLACE STARTER ASSEMBLY
OK -- Continue to next step.

8. CHECK HARNESS AND CONNECTOR (STARTER RELAY - STARTER ASSEMBLY)




(a) Remove the STARTER relay from the engine room No. 1 relay block.
(b) Disconnect the starter connector.
(c) Measure the resistance according to the value(s) in the table below.
Standard Resistance:





(d) Reinstall the STARTER relay.
(e) Reconnect the starter connector.
NG -- REPAIR OR REPLACE HARNESS OR CONNECTOR (STARTER RELAY - STARTER ASSEMBLY)
OK -- REPAIR OR REPLACE HARNESS OR CONNECTOR (STARTER - BATTERY)
9. INSPECT ECM (STAR AND STSW VOLTAGE)




(a) Measure the voltage according to the value(s) in the table below while cranking the engine.
Standard Voltage:






Result:






C -- CHECK HARNESS AND CONNECTOR (POWER SOURCE CONTROL ECU - ECM)
B -- REPLACE ECM
A -- Continue to next step.

10. INSPECT ST CUT RELAY




(a) Remove the ST CUT relay from the engine room No. 2 relay block.
(b) Measure the resistance according to the value(s) in the table below.
Standard Resistance:





(c) Reinstall the ST CUT relay.
NG -- REPLACE ST CUT RELAY
OK -- Continue to next step.

11. INSPECT PARK/NEUTRAL POSITION SWITCH ASSEMBLY




(a) Disconnect the park/neutral position switch connector.
(b) Measure the resistance according to the value(s) in the table below.
Standard Resistance:





(c) Reconnect the park/neutral position switch connector.
NG -- REPLACE PARK/NEUTRAL POSITION SWITCH ASSEMBLY
OK -- Continue to next step.

12. CHECK HARNESS AND CONNECTOR (ST CUT RELAY POWER SOURCE)




(a) Remove the ST CUT relay from the engine room No. 2 relay block.
(b) Turn the engine switch on (IG).
(c) Measure the voltage according to the value(s) in the table below.
Standard Voltage:





(d) Reinstall the ST CUT relay.
NG -- CHECK HARNESS AND CONNECTOR (ST CUT RELAY - POWER SOURCE CONTROL ECU)
OK -- Continue to next step.

13. CHECK HARNESS AND CONNECTOR (ST CUT RELAY - BODY GROUND)




(a) Remove the ST CUT relay from the engine room No. 2 relay block.
(b) Measure the resistance according to the value(s) in the table below.
Standard Resistance:





(c) Reinstall the ST CUT relay.
NG -- REPAIR OR REPLACE HARNESS OR CONNECTOR
OK -- Continue to next step.

14. CHECK HARNESS AND CONNECTOR (ECM - ST CUT RELAY)




(a) Disconnect the ECM connector.
(b) Remove the ST CUT relay from the engine room No. 2 relay block.
(c) Measure the resistance according to the value(s) in the table below.
Standard Resistance:





(d) Reinstall the ST CUT relay.
(e) Reconnect the ECM connector.
NG -- REPAIR OR REPLACE HARNESS OR CONNECTOR
OK -- Continue to next step.

15. CHECK HARNESS AND CONNECTOR (PARK/NEUTRAL POSITION SWITCH - ST CUT RELAY)




(a) Disconnect the park/neutral position switch connector.
(b) Remove the ST CUT relay from the engine room No. 2 relay block.
(c) Measure the resistance according to the value(s) in the table below.
Standard Resistance (Check for Open):






Standard Resistance (Check for Short):





(d) Reconnect the park/neutral position switch connector.
(e) Reinstall the ST CUT relay.
NG -- REPAIR OR REPLACE HARNESS OR CONNECTOR (ST CUT RELAY - PARK/NEUTRAL POSITION SWITCH)
OK -- REPAIR OR REPLACE HARNESS OR CONNECTOR (PARK/NEUTRAL POSITION SWITCH - ECM)
16. CHECK HARNESS AND CONNECTOR (ST CUT RELAY - POWER SOURCE CONTROL ECU)




(a) Remove the ST CUT relay from the engine room No. 2 relay block.
(b) Disconnect the power source control ECU connector.
(c) Measure the resistance according to the value(s) in the table below.
Standard Resistance:





(d) Reinstall the ST CUT relay.
(e) Reconnect the power source control ECU connector.
NG -- REPAIR OR REPLACE HARNESS OR CONNECTOR
OK -- GO TO SMART ACCESS SYSTEM WITH PUSH-BUTTON START
17. CHECK HARNESS AND CONNECTOR (POWER SOURCE CONTROL ECU - ECM)




(a) Check the harness and the connectors between the power source control ECU and ECM.
(1) Disconnect the power source control ECU connector.
(2) Disconnect the ECM connector.
(3) Measure the resistance according to the value(s) in the table below.
Standard Resistance (Check for Open):






Standard Resistance (Check for Short):






(4) Reconnect the ECM connector and power source control ECU connector.
NG -- REPAIR OR REPLACE HARNESS OR CONNECTOR
OK -- GO TO SMART ACCESS SYSTEM WITH PUSH-BUTTON START