Operation CHARM: Car repair manuals for everyone.
Manuals through 2025 now available!

Our trusted friends have launched a new website named LEMON, which has newer manuals. It also contains all the CHARM manuals.

LEMON is the spiritual successor to CHARM, I recommend you try it!

Link: lemon-manuals.la or lemon-manuals.org.ua

(Some people have issue connecting. LEMON is investigating. For now, use Firefox or change your DNS server)

Or, hide this message: temporarily or permanently

System Specifications

Cylinder Block Warpage
Cylinder head gasket to cylinder block contact surface maximum warpage 0.07 mm (0.00276 in.)

Cylinder Bore





Standard diameter 94.000 to 94.012 mm (3.7008 to 3.7013 in.)
Maximum diameter 94.200 mm (3.7087 in.)

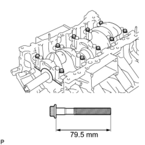
Crankshaft Main Bearing Cap Lower Bolts





Temporarily install the 10 crankshaft bearing cap bolts to the outside positions.
Standard Bolt Length 79.5 mm (3.13 in.)

The main bearing cap lower bolts are tightened in 2 progressive steps.





First pass: Uniformly tighten 20 cap bolts in sequence
for inside position 61 Nm (622 kgf-cm, 45 ft-lbf)
for outside position 27 Nm (275 kgf-cm, 20 ft-lbf)





Final pass Tighten bolts 90° in sequence

Crankshaft Main Bearing Cap Side Bolts





Install and uniformly tighten side bolts and 10 new seal washers in several steps in sequence
Torque 45 Nm (459 kgf-cm, 33 ft-lbf)

Pistons and Rings





Diameter
Standard 93.950 to 93.960 mm (3.6988 to 3.6992 in.)
Minimum 93.815 mm (3.6935 in.)

Piston Oil Clearance
Standard 0.040 to 0.062 mm (0.00157 to 0.00244 in.)
Maximum 0.385 mm (0.0152 in.)

Ring Groove Clearance





Standard Ring Groove Clearance
No. 1 ring 0.020 to 0.070 mm (0.000787 to 0.00276 in.)
No. 2 ring 0.020 to 0.060 mm (0.000787 to 0.00236 in.)
Oil ring expander 0.070 to 0.145 mm (0.00276 to 0.00571 in.)

Ring End Gaps





Standard end gap
No. 1 ring 0.25 to 0.35 mm (0.00984 to 0.0138 in.)
No. 2 ring 0.40 to 0.50 mm (0.0157 to 0.0197 in.)
Oil ring expander 0.10 to 0.40 mm (0.00394 to 0.0157 in.)
Maximum end gap
No. 1 ring 0.42 mm (0.0165 in.)
No. 2 ring 0.55 mm (0.0217 in.)
Oil ring expander 0.45 mm (0.0177 in.)

Piston Pin Oil Clearance
Standard Piston Pin Hole Inside Diameter
Mark A 21.998 to 22.001 mm (0.86606 to 0.86618 in.)
Mark B 22.001 to 22.004 mm (0.86618 to 0.86630 in.)
Mark C 22.004 to 22.007 mm (0.86630 to 0.86642 in.)

Standard Piston Pin Diameter
Mark A 21.998 to 22.001 mm (0.86606 to 0.86618 in.)
Mark B 22.001 to 22.004 mm (0.86618 to 0.86630 in.)
Mark C 22.004 to 22.007 mm (0.86630 to 0.86642 in.)

Piston Pin To Piston Oil Clearance
Standard -0.002 to 0.004 mm (-0.0000787 to 0.000157 in.)
Maximum 0.015 mm (0.000591 in.)

Connecting Rods
Standard Bushing Inside Diameter
Mark A 22.005 to 22.008 mm (0.86634 to 0.86645 in.)
Mark B 22.008 to 22.011 mm (0.86645 to 0.86657 in.)
Mark C 22.011 to 22.014 mm (0.86657 to 0.86669 in.)
Pin To Bushing Oil Clearance
Standard 0.005 to 0.011 mm (0.000197 to 0.000433 in.)
Maximum 0.03 mm (0.00118 in.)
Connecting Rod Alignment
Maximum bend 0.05 mm (0.00197 in.) per 100 mm (3.94 in.)
Maximum twist 0.15 mm (0.00591 in.) per 100 mm (3.94 in.)

Connecting Rod Bolt Diameter





Standard 8.5 to 8.6 mm (0.335 to 0.339 in.)
Minimum 8.3 mm (0.327 in.)

Connecting Rod Thrust Clearance
Standard 0.15 to 0.55 mm (0.00591 to 0.0217 in.)
Maximum 0.70 mm (0.0276 in.)
Connecting Rod Cap Oil Clearance
Standard 0.025 to 0.050 mm (0.000984 to 0.00197 in.)
Maximum 0.070 mm (0.00276 in.)

Crankshaft
Maximum circle runout 0.06 mm (0.00236 in.)
Main journal
Standard diameter 66.988 to 67.000 mm (2.6373 to 2.6378 in.)
Maximum taper and out-of-round 0.02 mm (0.000787 in.)
Crank pins
Standard diameter 55.982 to 56.000 mm (2.2040 to 2.2047 in.)
Maximum taper and out-of-round 0.02 mm (0.000787 in.)
Standard Oil Clearance
No. 1 and No. 5 journals 0.017 to 0.030 mm (0.000669 to 0.00118 in.)
Other journals 0.024 to 0.037 mm (0.000945 to 0.00146 in.)
Maximum Oil Clearance
No. 1 and No. 5 journals 0.050 mm (0.00197 in.)
Other journals 0.060 mm (0.00236 in.)

If replacing a bearing, replace it with one that has the same number. If the number of the bearing cannot be determined, select the correct bearing by adding together the numbers imprinted on the cylinder block and crankshaft. Refer to the table below for the appropriate bearing number. There are 6 sizes of standard bearings. For the No. 1 and No. 5 position bearings, use bearings marked 4, 5, 6, 7, 8 or 9. For other bearings, use bearings marked 3, 4, 5, 6, 7 or 8.





Example:
Cylinder block "07" + Crankshaft "06" = Total number 13 (Use upper bearing "6" and lower bearing "7")
A = Cylinder block number mark
B = Crankshaft number mark

Standard Bearing Center Wall Thickness

No. 1 and No. 5 Journals





Other Journals





Crankshaft Bearing Cap Set Bolt





Standard Diameter
Bolt A 10.5 to 11.0 mm (0.413 to 0.433 in.)
Bolt B 9.5 to 10.0 mm (0.374 to 0.394 in.)
Minimum Diameter
Bolt A 10.4 mm (0.409 in.)
Bolt B 9.4 mm (0.370 in.)

Crankshaft Pulley Bolt 300 Nm (3059 kgf-cm, 221 ft-lbf)