Operation CHARM: Car repair manuals for everyone.
Manuals through 2025 now available!

Our trusted friends have launched a new website named LEMON, which has newer manuals. It also contains all the CHARM manuals.

LEMON is the spiritual successor to CHARM, I recommend you try it!

Link: lemon-manuals.la or lemon-manuals.org.ua

(Some people have issue connecting. LEMON is investigating. For now, use Firefox or change your DNS server)

Or, hide this message: temporarily or permanently

Driver Side Door Entry Unlock Function does not Operate





DOOR LOCK: SMART ACCESS SYSTEM WITH PUSH-BUTTON START: Driver Side Door Entry Unlock Function does not Operate
- Driver Side Door Entry Unlock Function does not Operate

DESCRIPTION

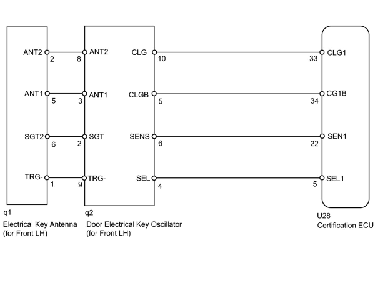
When an ID code from the door electrical key oscillator front LH matches an ID code from the key, the certification ECU outputs a SEL signal (Lo when output) to the door electrical key oscillator front LH, activates the touch sensor inside the outside door handle, and enters unlock standby mode. When the touch sensor is touched, the door electrical key oscillator front LH sends a SENS signal (Lo when output) to the certification ECU and the certification ECU sends an unlock signal to the driver side door lock.

WIRING DIAGRAM





INSPECTION PROCEDURE

PROCEDURE

1. CHECK MANUAL DOOR UNLOCK OPERATION

(a) Check that the manual door unlock function operates normally.

OK:

Manual door unlock function operates normally.

NG -- GO TO POWER DOOR LOCK CONTROL SYSTEM
OK -- Continue to next step.

2. READ VALUE USING TECHSTREAM (DOOR COURTESY SWITCH)

(a) Check the DATA LIST for proper functioning of the driver side door courtesy switch.

Main Body ECU RH:





OK:

ON (door courtesy switch is pushed) appears on the screen.

NG -- GO TO LIGHTING SYSTEM
OK -- Continue to next step.

3. READ VALUE USING TECHSTREAM (DOOR LOCK POSITION SWITCH)

(a) Check the DATA LIST for proper functioning of the door lock position switch.

Multiplex Network Master Switch:





OK:

On the Techstream screen, the display changes between ON and OFF as shown in the chart above.

NG -- GO TO POWER DOOR LOCK CONTROL SYSTEM (Proceed to Only Driver Door LOCK / UNLOCK Functions do not Operate)
OK -- Continue to next step.

4. PERFORM ACTIVE TEST USING TECHSTREAM (DRIVER SIDE SELECT)

(a) Select the ACTIVE TEST, use the Techstream to generate a control command, and then check that the oscillator operates.

Certification ECU:





OK:

ON (D-Seat Select is on) appears on the screen.

NG -- REPLACE CERTIFICATION ECU
OK -- Continue to next step.

5. READ VALUE USING TECHSTREAM (DRIVER SIDE TOUCH SENSOR)

(a) With ''D-Seat Select'' ON, check the DATA LIST for proper functioning of the touch sensor.

Certification ECU:





OK:

When driver side door touch sensor is touched, ON (Sensor is touched) appears on the screen.

NG -- CHECK DOOR ELECTRICAL KEY OSCILLATOR FRONT LH
OK -- Continue to next step.

6. CHECK OPERATION OF MULTIPLEX NETWORK MASTER SWITCH

(a) After replacing the multiplex network master switch with a normal one, check that the entry unlock function operates normally.

OK:

Entry unlock function operates normally.

NG -- REPLACE CERTIFICATION ECU

OK -- END (MULTIPLEX NETWORK MASTER SWITCH IS DEFECTIVE)

7. CHECK DOOR ELECTRICAL KEY OSCILLATOR FRONT LH





(a) Measure the voltage of the oscillator connector.

Standard voltage:





OK -- REPLACE CERTIFICATION ECU
NG -- Continue to next step.

8. CHECK WIRE HARNESS (OSCILLATOR - ANTENNA)





(a) Disconnect the q2 oscillator connector.

(b) Disconnect the q1 antenna connector.

(c) Measure the resistance of the wire harness side connectors.

Standard resistance:





NG -- REPAIR OR REPLACE HARNESS OR CONNECTOR
OK -- Continue to next step.

9. CHECK WIRE HARNESS (ECU - OSCILLATOR)





(a) Disconnect the U28 ECU connector.

(b) Disconnect the q2 oscillator connector.

(c) Measure the resistance of the wire harness side connectors.

Standard resistance:





NG -- REPAIR OR REPLACE HARNESS OR CONNECTOR

OK -- REPLACE DOOR ELECTRICAL KEY OSCILLATOR FRONT LH