Operation CHARM: Car repair manuals for everyone.
Manuals through 2025 now available!

Our trusted friends have launched a new website named LEMON, which has newer manuals. It also contains all the CHARM manuals.

LEMON is the spiritual successor to CHARM, I recommend you try it!

Link: lemon-manuals.la or lemon-manuals.org.ua

(Some people have issue connecting. LEMON is investigating. For now, use Firefox or change your DNS server)

Or, hide this message: temporarily or permanently

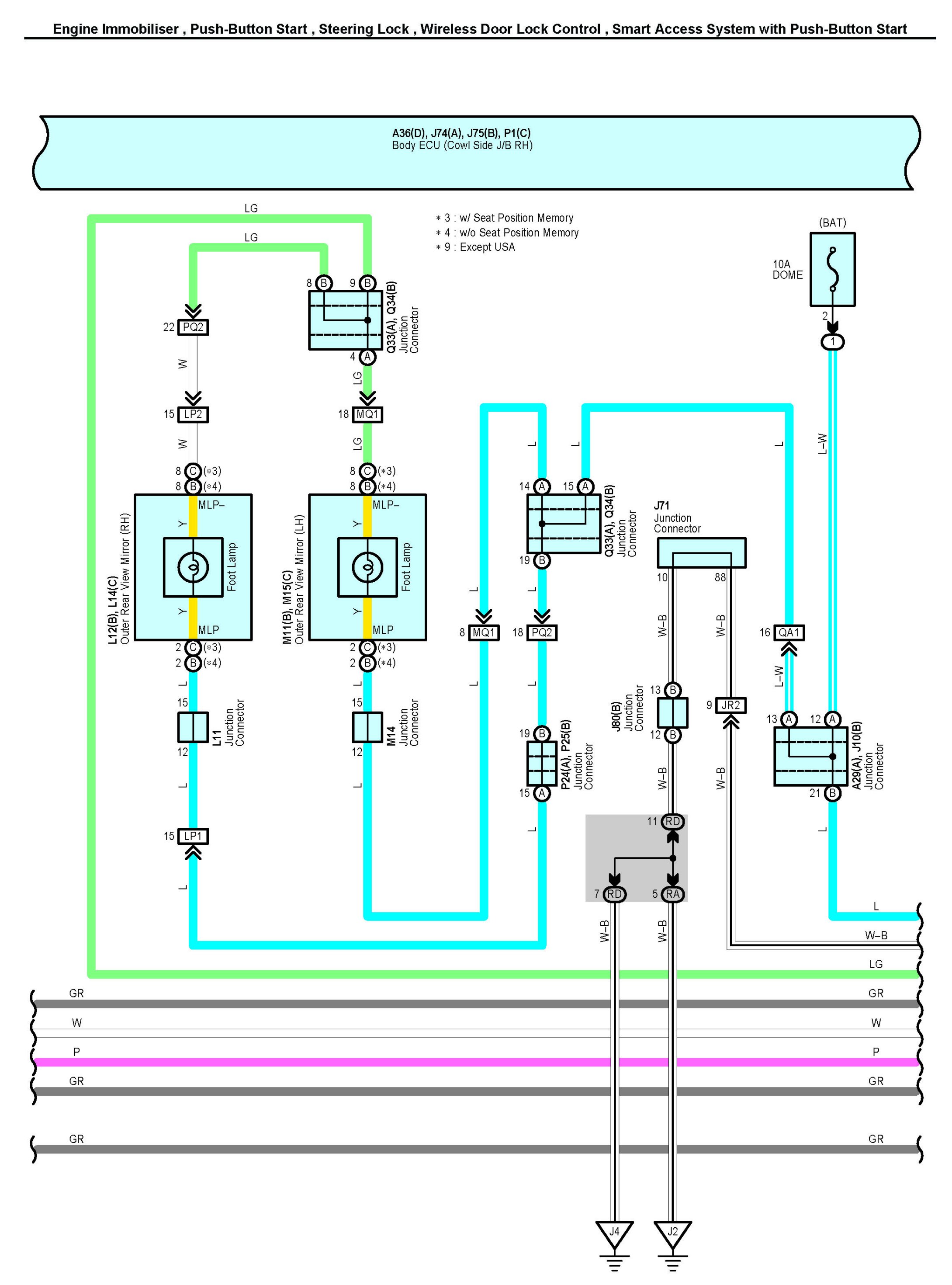
Engine Immobiliser, Push-Button Start, Steering Lock, Wireless Door Lock Control, Smart Access System With Push-Button Start

Engine Immobiliser, Push-Button Start, Steering Lock, Wireless Door Lock Control, Smart Access System With Push-Button Start Part 1:




Engine Immobiliser, Push-Button Start, Steering Lock, Wireless Door Lock Control, Smart Access System With Push-Button Start Part 2:




Engine Immobiliser, Push-Button Start, Steering Lock, Wireless Door Lock Control, Smart Access System With Push-Button Start Part 3:




Engine Immobiliser, Push-Button Start, Steering Lock, Wireless Door Lock Control, Smart Access System With Push-Button Start Part 4:




Engine Immobiliser, Push-Button Start, Steering Lock, Wireless Door Lock Control, Smart Access System With Push-Button Start Part 5:




Engine Immobiliser, Push-Button Start, Steering Lock, Wireless Door Lock Control, Smart Access System With Push-Button Start Part 6:




Engine Immobiliser, Push-Button Start, Steering Lock, Wireless Door Lock Control, Smart Access System With Push-Button Start Part 7:




Engine Immobiliser, Push-Button Start, Steering Lock, Wireless Door Lock Control, Smart Access System With Push-Button Start Part 8:




Engine Immobiliser, Push-Button Start, Steering Lock, Wireless Door Lock Control, Smart Access System With Push-Button Start Part 9:




Engine Immobiliser, Push-Button Start, Steering Lock, Wireless Door Lock Control, Smart Access System With Push-Button Start Part 10:




Engine Immobiliser, Push-Button Start, Steering Lock, Wireless Door Lock Control, Smart Access System With Push-Button Start Part 11:




Engine Immobiliser, Push-Button Start, Steering Lock, Wireless Door Lock Control, Smart Access System With Push-Button Start Part 12:




Engine Immobiliser, Push-Button Start, Steering Lock, Wireless Door Lock Control, Smart Access System With Push-Button Start Part 13:




Engine Immobiliser, Push-Button Start, Steering Lock, Wireless Door Lock Control, Smart Access System With Push-Button Start Part 14:




Engine Immobiliser, Push-Button Start, Steering Lock, Wireless Door Lock Control, Smart Access System With Push-Button Start Part 15:




Engine Immobiliser, Push-Button Start, Steering Lock, Wireless Door Lock Control, Smart Access System With Push-Button Start Part 16:




Engine Immobiliser, Push-Button Start, Steering Lock, Wireless Door Lock Control, Smart Access System With Push-Button Start Part 17:




Engine Immobiliser, Push-Button Start, Steering Lock, Wireless Door Lock Control, Smart Access System With Push-Button Start Part 18:




Engine Immobiliser, Push-Button Start, Steering Lock, Wireless Door Lock Control, Smart Access System With Push-Button Start Part 19:




Engine Immobiliser, Push-Button Start, Steering Lock, Wireless Door Lock Control, Smart Access System With Push-Button Start Part 20:




Connectors Part 1:




Connectors Part 2:




Connectors Part 3:




Connectors Part 4:




Connectors Part 5:




Connectors Part 6:




Connectors Part 7:




Connectors Part 8:




Connectors Part 9:






Locations: The locations of components, connectors, ground points, and splices referred to within these diagrams can be found at Vehicle Locations. Locations