Operation CHARM: Car repair manuals for everyone.
Manuals through 2025 now available!

Our trusted friends have launched a new website named LEMON, which has newer manuals. It also contains all the CHARM manuals.

LEMON is the spiritual successor to CHARM, I recommend you try it!

Link: lemon-manuals.la or lemon-manuals.org.ua

(Some people have issue connecting. LEMON is investigating. For now, use Firefox or change your DNS server)

Or, hide this message: temporarily or permanently

Power Source Mode Does Not Change to on (ACC)





4GR-FSE STARTING: SMART ACCESS SYSTEM WITH PUSH-BUTTON START: Power Source Mode does not Change to ON (IG and ACC)
- Power Source Mode does not Change to ON (IG and ACC)

DESCRIPTION

When the engine switch is pushed with the electrical key in the cabin, the power source control ECU receives signals to switch the power source mode.

HINT
To allow use of Techstream to inspect the smart access system with push-button start when the engine switch is off, repeat opening and closing any of the doors. Opening and closing a door establishes communication between Techstream and the power source control ECU. (Opening and closing a door can also be simulated by operating a door courtesy light switch.)

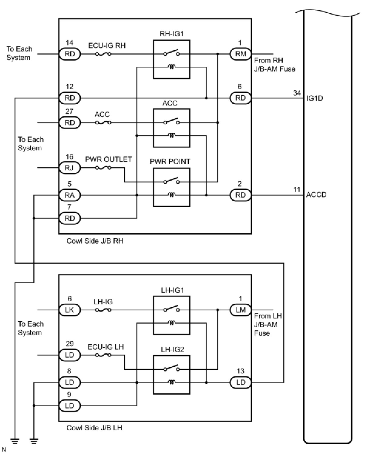
WIRING DIAGRAM









INSPECTION PROCEDURE

PROCEDURE

1. INSPECT FUSE (AM2)

(a) Remove the AM2 fuse from the cowl side J/B RH.

(b) Measure the resistance of the fuse.

Standard resistance:

Below 1 Ohms

NG -- REPLACE FUSE
OK -- Continue to next step.

2. CHECK CONNECTORS

(a) Check that the connectors are securely connected and the terminals are not deformed or loose.

OK:

The connectors are securely connected and the terminals are not deformed or loose.

NG -- REPAIR OR REPLACE CONNECTORS
OK -- Continue to next step.

3. CHECK WIRE HARNESS (POWER SOURCE CONTROL ECU - BATTERY AND BODY GROUND)

(a) Disconnect the J55 ECU connector.





(b) Measure the voltage according to the value(s) in the table below.

Standard voltage:





(c) Measure the resistance according to the value(s) in the table below.

Standard resistance:





NG -- REPAIR OR REPLACE HARNESS OR CONNECTOR
OK -- Continue to next step.

4. CHECK FOR DTCS

(a) Delete the DTCs Reading and Clearing Diagnostic Trouble Codes.

HINT
After all the DTCs are cleared, check if the trouble occurs again 5 seconds after the engine switch is turned on (IG).

(b) Check for DTCs again.

OK:

No DTC is output.

NG -- GO TO DTC CHART
OK -- Continue to next step.

5. READ VALUE USING TECHSTREAM

(a) Connect Techstream to the DLC3.

(b) Turn the engine switch on (IG).

(c) Check the DATA LIST for proper functioning of the start switches 1 and 2.

Body:

Body::





OK:

ON (engine switch on (IG)) and OFF (engine switch off) appear on the screen.

NG -- INSPECT ENGINE SWITCH
OK -- Continue to next step.

6. INSPECT RELAY (IG2)

(a) Remove the IG2 relay from the engine room R/B No. 2.





(b) Measure the resistance according to the value(s) in the table below.

Standard resistance:





NG -- REPLACE RELAY (IG2)
OK -- Continue to next step.

7. INSPECT JUNCTION BLOCK (RH-IG RELAY, LH-IG RELAY, ACC RELAY, PWR POINT RELAY)

(a) RH-IG relay:





(1) Disconnect the cowl side J/B RH connectors.

(2) Measure the resistance according to the value(s) in the table below.

Standard resistance:





(b) LH-IG relay:





(1) Disconnect the cowl side J/B LH connectors.

(2) Measure the resistance according to the value(s) in the table below.

Standard resistance:





NG -- REPLACE JUNCTION BLOCK
OK -- Continue to next step.

8. CHECK WIRE HARNESS

(a) Inspect the resistance and voltage (Power source control ECU or battery - IG2 relay).





(1) Measure the resistance according to the value(s) in the table below.

Standard resistance:





(2) Measure the voltage according to the value(s) in the table below.

Standard voltage:





(b) Inspect the resistance and voltage (Power source control ECU or battery - Cowl side J/B RH).





(1) Measure the resistance according to the value(s) in the table below.

Standard resistance:





(2) Measure the voltage according to the value(s) in the table below.

Standard voltage:





(c) Inspect the resistance (Cowl side J/B RH - Cowl side J/B LH).





(1) Measure the resistance according to the value(s) in the table below.

Standard resistance:





(d) Inspect the voltage (Battery - Cowl side J/B LH).





(1) Measure the voltage according to the value(s) in the table below.

Standard voltage:





NG -- REPAIR OR REPLACE HARNESS OR CONNECTOR
OK -- Continue to next step.

9. INSPECT POWER SOURCE CONTROL ECU

(a) Reconnect the J55 ECU connector.





(b) Measure the voltage according to the value(s) in the table below.

Standard voltage:





NG -- REPLACE POWER SOURCE CONTROL ECU

OK -- REPAIR OR REPLACE HARNESS OR CONNECTOR (COWL SIDE J/B - EACH SYSTEM)

10. INSPECT ENGINE SWITCH

(a) Remove the engine switch.





(b) Measure the resistance of the switch.

Standard resistance:





NG -- REPLACE ENGINE SWITCH
OK -- Continue to next step.

11. CHECK WIRE HARNESS (POWER SOURCE CONTROL ECU AND BODY GROUND - ENGINE SWITCH)

(a) Disconnect the J55 ECU connector.





(b) Measure the resistance according to the value(s) in the table below.

Standard resistance:





NG -- REPAIR OR REPLACE HARNESS OR CONNECTOR

OK -- REPLACE POWER SOURCE CONTROL ECU