Operation CHARM: Car repair manuals for everyone.
Manuals through 2025 now available!

Our trusted friends have launched a new website named LEMON, which has newer manuals. It also contains all the CHARM manuals.

LEMON is the spiritual successor to CHARM, I recommend you try it!

Link: lemon-manuals.la or lemon-manuals.org.ua

(Some people have issue connecting. LEMON is investigating. For now, use Firefox or change your DNS server)

Or, hide this message: temporarily or permanently

Part 1





4GR-FSE ENGINE CONTROL: SFI SYSTEM: EVAP System
- EVAP System

RELATED DTCS





If any EVAP system DTCs are set, the malfunctioning area can be determined using the following table.





NOTICE:
If the reference pressure difference between the first and second checks is greater than the specification, all the DTCs relating to the reference pressure (P043E, P043F, P2401, P2402 and P2419) are stored.

DESCRIPTION





Text in Illustration





HINT
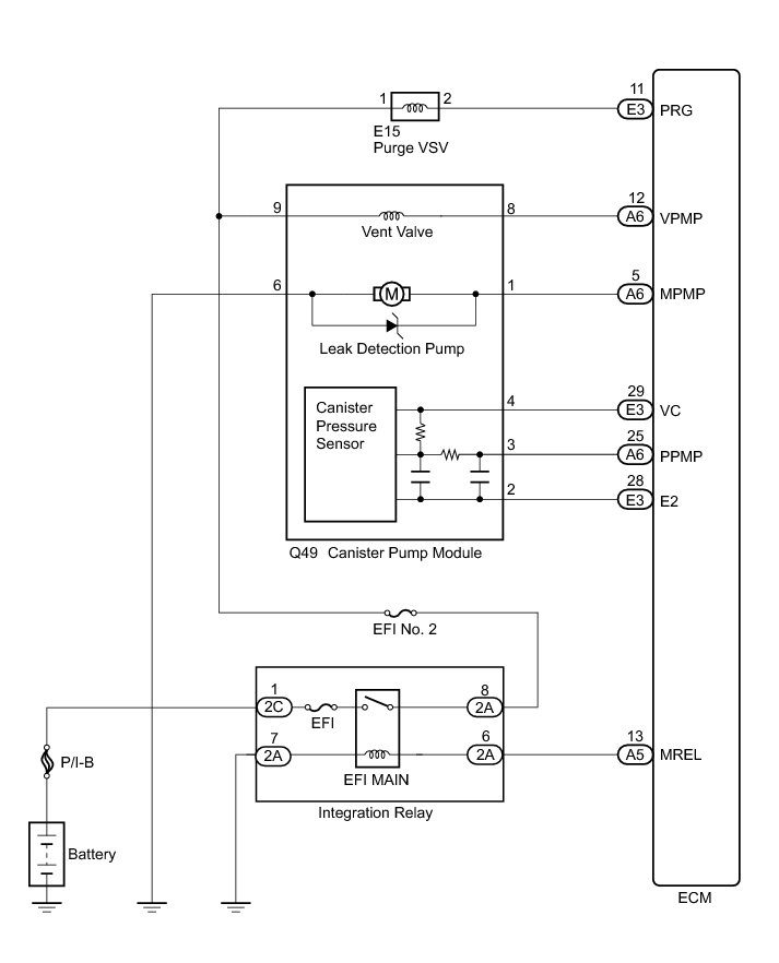
The canister pressure sensor, the leak detection pump and the vent valve are built into the canister pump module.





Text in Illustration





NOTICE:
In this vehicle's EVAP system, turning on the vent valve does not seal off the EVAP system. To check for leaks in the EVAP system, disconnect the air inlet vent hose and apply pressure from the atmospheric side of the canister.

While the engine is running, if a predetermined condition (closed-loop, etc.) is met, the purge VSV is opened by the ECM and stored fuel vapors in the canister are purged into the intake manifold. The ECM changes the duty cycle of the purge VSV to control purge flow volume.

The purge flow volume is also determined by the intake manifold pressure. Atmospheric pressure is allowed into the canister through the vent valve to ensure that the purge flow is maintained when negative pressure (vacuum) is applied to the canister.

The following 2 monitors run to confirm the appropriate EVAP system operation.

1. Key-off monitor

This monitor checks for EVAP (Evaporative Emission) system leaks and canister pump module malfunctions. The monitor starts 5 hours* after the engine switch is turned off. At least 5 hours are required for the fuel to cool down to stabilize the EVAP pressure, thus making the EVAP system monitor more accurate.

The leak detection pump creates negative pressure (vacuum) in the EVAP system and the pressure is measured. Finally, the ECM monitors for leaks from the EVAP system, and malfunctions in both the canister pump module and purge VSV based on the EVAP pressure.

HINT
*: If the engine coolant temperature is not below 35°C (95°F) 5 hours after the engine switch is turned off, the monitor check starts 2 hours later. If it is still not below 35°C (95°F) 7 hours after the engine switch is turned off, the monitor check starts 2.5 hours later.

2. Purge flow monitor

The purge flow monitor consists of the 2 monitors. The 1st monitor is conducted every time and the 2nd monitor is activated if necessary.

* The 1st monitor

* While the engine is running and the purge VSV is on (open), the ECM monitors the purge flow by measuring the EVAP pressure change. If negative pressure is not created, the ECM begins the 2nd monitor.

* The 2nd monitor

* The vent valve is turned off (open) and the EVAP pressure is measured. If the variation in the pressure is less than 0.4 kPa-g (3 mmHg-g), the ECM interprets this as the purge VSV being stuck closed, illuminates the MIL and sets DTC P0441 (2 trip detection logic).

Atmospheric pressure check:

In order to ensure reliable malfunction detection, the variation between the atmospheric pressures, before and after conducting the purge flow monitor, is measured by the ECM.





Text in Illustration













Text in Illustration













MONITOR RESULT

Refer to Checking Monitor Status Mode 6 Data.

CONFIRMATION DRIVING PATTERN

HINT
After a repair, check Monitor Status by performing the Key-Off Monitor Confirmation and Purge Flow Monitor Confirmation described below.

1. KEY-OFF MONITOR CONFIRMATION

(a) Preconditions

The monitor will not run unless:

* The vehicle has been driven for 10 minutes or more (in a city area or on a freeway).

* The fuel tank is less than 90% full.

* The altitude is less than 8000 ft. (2400 m).

* The engine coolant temperature is between 4.4°C and 35°C (40°F and 95°F).

* The intake air temperature is between 4.4°C and 35°C (40°F and 95°F).

* The vehicle remains stationary (the vehicle speed is 0 mph [0 km/h]).

(b) Monitor Conditions

* Allow the engine to idle for at least 5 minutes.

* Turn the engine switch off and wait for 5 hours (8 or 10.5 hours).

HINT
Do not start the engine until checking Monitor Status. If the engine is started, the steps described above must be repeated.

(c) Monitor Status

* Connect the Techstream to the DLC3.

* Turn the engine switch on (IG).

* Turn the Techstream on.

* Enter the following menus: Powertrain / Engine / Monitor / Evaporative System.

* Check the Monitor Status displayed on the Techstream.

HINT
If Incomplete is displayed, the monitor is not completed. Make sure that the preconditions have been met, and perform the Monitor Conditions again.

2. PURGE FLOW MONITOR CONFIRMATION (P0441)

HINT
Perform this monitor confirmation after the Key-Off Monitor Confirmation shows Complete.

(a) Preconditions

The monitor will not run unless:

* The vehicle has been driven for 10 minutes or more (in a city area or on a freeway).

* The engine coolant temperature is between 4.4°C and 35°C (40°F and 95°F).

* The intake air temperature is between 4.4°C and 35°C (40°F and 95°F).

(b) Monitor Conditions

* Release the pressure from the fuel tank by removing and reinstalling the fuel cap.

* Warm the engine up until the engine coolant temperature reaches more than 75°C (167°F).

* Increase the engine speed to 3000 rpm once.

* Allow the engine to idle and turn the the A/C switch on for 1 minute.

(c) Monitor Status

* Turn the engine switch off (if on (IG) or the engine is running).

* Connect the Techstream to the DLC3.

* Turn the engine switch on (IG).

* Turn the Techstream on.

* Enter the following menus: Powertrain / Engine / Monitor / Evaporative System.

* Check the Monitor Status displayed on the Techstream.

HINT
If Incomplete is displayed, the monitor is not completed. Make sure that the preconditions have been met, and perform the Monitor Conditions again.

WIRING DIAGRAM





INSPECTION PROCEDURE

NOTICE:
* Inspect the fuses for circuits related to this system before performing the following inspection procedure.
* The Techstream is required to conduct the following diagnostic troubleshooting procedure.
HINT
* Unit expression
* [kPa-a (mmHg-a)] denotes the absolute pressure.
* [kPa-g (mmHg-g)] denotes the absolute pressure (relative pressure).
* On the Techstream, convert the unit of measurement according to the inspection procedure.
* Using Techstream monitor results enables the EVAP (Evaporative Emission) system to be confirmed.
* Read freeze frame data using the Techstream. The ECM records vehicle and driving condition information as freeze frame data the moment a DTC is stored. When troubleshooting, freeze frame data can be helpful in determining whether the vehicle was running or stopped, whether the engine was warmed up or not, whether the air fuel ratio was lean or rich, as well as other data recorded at the time of a malfunction.
PROCEDURE

1. CONFIRM DTC

(a) Turn the engine switch off and wait for 10 seconds.

(b) Turn the engine switch on (IG).

(c) Turn the engine switch off and wait for 10 seconds.

(d) Connect the Techstream to the DLC3.

(e) Turn the engine switch on (IG).

(f) Turn the Techstream on.

(g) Enter the following menus: Powertrain / Engine / Trouble Codes.

(h) Confirm DTCs and freeze frame data.

If any EVAP system DTCs are set, the malfunctioning area can be determined using the following table.

NOTICE:
If the reference pressure difference between the first and second checks is greater than the specification, all the DTCs relating to the reference pressure (P043E, P043F, P2401, P2402 and P2419) are stored.





NEXT -- Continue to next step.

2. PERFORM EVAPORATIVE SYSTEM CHECK (AUTOMATIC MODE)

NOTICE:
* In the Evaporative System Check (Automatic Mode), a series of consists of 5 steps are performed automatically by the Techstream. It takes a maximum of approximately 18 minutes.
* Do not perform the Evaporative System Check when the fuel tank is more than 90% full because the cut-off valve may be closed, making the fuel tank leak check unavailable.
* Do not run the engine during this operation.
* When the temperature of the fuel is 35°C (95°F) or more, a large amount of vapor forms and any check results become inaccurate. When performing the Evaporative System Check, keep the fuel temperature below 35°C (95°F).
(a) Connect the Techstream to the DLC3.

(b) Turn the engine switch on (IG).

(c) Turn the Techstream on.

(d) Clear the DTCs DTC Check / Clear.

(e) Enter the following menus: Powertrain / Engine / Utility / Evaporative System Check / Automatic Mode.

(f) After the EVAP SYSTEM CHECK is completed, check for pending DTCs by entering the following menus: Powertrain / Engine / Trouble Codes.

HINT
If no pending DTCs are displayed, perform the Monitor Confirmation (see "Diagnostic Help" menu). After this confirmation, check for pending DTCs. If no DTCs are displayed, the EVAP system is normal.

NEXT -- Continue to next step.

3. PERFORM EVAPORATIVE SYSTEM CHECK (MANUAL MODE)





NOTICE:
* In the Evaporative System Check (Manual Mode), perform the series of 5 Evaporative System Check steps manually using the Techstream.
* Do not perform the Evaporative System Check when the fuel tank is more than 90% full because the cut-off valve may be closed, making the fuel tank leak check unavailable.
* Do not run the engine during this operation.
* When the temperature of the fuel is 35°C (95°F) or more, a large amount of vapor forms and any check results become inaccurate. When performing the Evaporative System Check, keep the fuel temperature below 35°C (95°F).
(a) Connect the Techstream to the DLC3.

(b) Turn the engine switch on (IG).

(c) Turn the Techstream on.

(d) Clear the DTCs DTC Check / Clear.

(e) Enter the following menus: Powertrain / Engine / Utility / Evaporative System Check / Manual Mode.

NEXT -- Continue to next step.

4. PERFORM EVAPORATIVE SYSTEM CHECK (STEP 1/5)





(a) Check the EVAP pressure in step 1/5.

Result:





(b) *: These DTCs are already present in the ECM when the vehicle arrives and are confirmed in the "Confirm DTC" procedures above.

B -- REPLACE CANISTER
A -- Continue to next step.

5. PERFORM EVAPORATIVE SYSTEM CHECK (STEP 1/5 TO 2/5)





(a) Check the EVAP pressure in steps 1/5 and 2/5.

Result:





(b) *: These DTCs are already present in the ECM when the vehicle arrives and are confirmed in the "Confirm DTC" procedures above.

HINT
The first reference pressure is the value determined in step 2/5.

B -- PERFORM ACTIVE TEST USING TECHSTREAM (ACTIVATE THE VACUUM PUMP)
A -- Continue to next step.

6. PERFORM EVAPORATIVE SYSTEM CHECK (STEP 2/5)





HINT
Make a note of the pressures checked in steps (a) and (b) below.

(a) Check the EVAP pressure 4 seconds after the leak detection pump is activated*.

*: The leak detection pump begins to operate as step 1/5 finishes and step 2/5 starts.

(b) Check the EVAP pressure again when it has stabilized. This pressure is the reference pressure.

Result:





*: These DTCs are already present in the ECM when the vehicle arrives and are confirmed in the "Confirm DTC" procedures above.

D -- INSPECT CANISTER PUMP MODULE (VENT VALVE OPERATION)

C -- REPLACE CANISTER

B -- PERFORM EVAPORATIVE SYSTEM CHECK (STEP 3/5)
A -- Continue to next step.

7. PERFORM EVAPORATIVE SYSTEM CHECK (STEP 2/5 TO 3/5)





(a) Check the EVAP pressure in step 3/5.

Result:





(b) *: These DTCs are already present in the ECM when the vehicle arrives and are confirmed in the step 1 "Confirm DTC".

C -- REPLACE CANISTER

B -- INSPECT CANISTER PUMP MODULE (POWER SOURCE FOR VENT VALVE)
A -- Continue to next step.

8. PERFORM EVAPORATIVE SYSTEM CHECK (STEP 3/5)





(a) Wait until the EVAP pressure change is less than 0.1 kPa (0.75 mmHg) for 30 seconds.

(b) Measure the EVAP pressure and record it.

HINT
A few minutes are required for the EVAP pressure to become saturated. When there is only a small amount of fuel in the fuel tank, it takes up to 15 minutes.

NEXT -- Continue to next step.

9. PERFORM EVAPORATIVE SYSTEM CHECK (STEP 4/5)





(a) Check the EVAP pressure in step 4/5.

Result:





(b) *: These DTCs are already present in the ECM when the vehicle arrives and are confirmed in the step 1 "Confirm DTC".

C -- PERFORM ACTIVE TEST USING TECHSTREAM (PURGE VSV)

B -- CHECK EVAP HOSE (PURGE VSV - INTAKE AIR SURGE TANK ASSEMBLY)
A -- Continue to next step.

10. PERFORM EVAPORATIVE SYSTEM CHECK (STEP 5/5)





(a) Check the EVAP pressure in step 5/5.

(b) Compare the EVAP pressure in step 3/5 and the second reference pressure (step 5/5).

Result:





(c) *: These DTCs are already present in the ECM when the vehicle arrives and are confirmed in the step 1 "Confirm DTC".

B -- PERFORM ACTIVE TEST USING TECHSTREAM (PURGE VSV)

A -- REPAIR OR REPLACE PARTS AND COMPONENTS INDICATED BY OUTPUT DTCS

11. PERFORM EVAPORATIVE SYSTEM CHECK (STEP 3/5)





(a) Check the EVAP pressure in step 3/5.

Result:





(b) *: These DTCs are already present in the ECM when the vehicle arrives and are confirmed in the step 1 "Confirm DTC".

HINT
The first reference pressure is the value determined in step 2/5.

B -- PERFORM ACTIVE TEST USING TECHSTREAM (ACTIVATE THE VACUUM PUMP)

A -- REPLACE CANISTER