Operation CHARM: Car repair manuals for everyone.
Manuals through 2025 now available!

Our trusted friends have launched a new website named LEMON, which has newer manuals. It also contains all the CHARM manuals.

LEMON is the spiritual successor to CHARM, I recommend you try it!

Link: lemon-manuals.la or lemon-manuals.org.ua

(Some people have issue connecting. LEMON is investigating. For now, use Firefox or change your DNS server)

Or, hide this message: temporarily or permanently

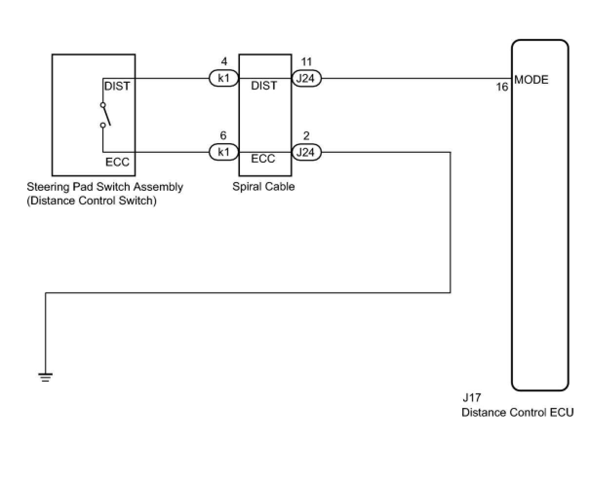
Distance Control Switch Circuit





CRUISE CONTROL: DYNAMIC RADAR CRUISE CONTROL SYSTEM: Distance Control Switch Circuit
- Distance Control Switch Circuit

DESCRIPTION

The distance control switch sets the vehicle-to-vehicle distance control mode. The distance control switch is installed in the steering pad switch. The vehicle-to-vehicle distance set value can be changed by operating the steering pad switch (distance control switch) while the dynamic radar cruise control system is in operation. The steering pad switch uses the BEAN to communicate with each ECU. Therefore, it does not have a direct connection with the ECM. If there are any malfunctions in the communication line of the steering pad switch, one or more DTCs in the multiplex communication system are output.

WIRING DIAGRAM





INSPECTION PROCEDURE

NOTICE:
When the distance control ECU is replaced with a new one, initialization must be performed Installation.

PROCEDURE

1. INSPECT STEERING PAD SWITCH ASSEMBLY

(a) Remove the steering pad Components.

(b) Disconnect the k1 connector from the spiral cable.





(c) Measure the resistance according to the value(s) in the table below.

Standard Resistance:





NG -- REPLACE STEERING PAD SWITCH ASSEMBLY Components
OK -- Continue to next step.

2. INSPECT SPIRAL CABLE

NOTICE:
The spiral cable is an important part of the SRS airbag system. Incorrect removal or installation of the spiral cable may cause airbag deployment. Be sure to read the page shown in the brackets.

HINT
* Removal Removal
* Installation Installation

(a) Remove the spiral cable Components.





(b) Measure the resistance according to the value(s) in the table below.

Standard Resistance:





HINT
The spiral cable makes a maximum of approximately 5 rotations.

NG -- REPLACE SPIRAL CABLE Components
OK -- Continue to next step.

3. CHECK HARNESS AND CONNECTOR (SPIRAL CABLE - DISTANCE CONTROL ECU, BODY GROUND)

(a) Disconnect the distance control ECU connector.





(b) Measure the resistance according to the value(s) in the table below.

Standard Resistance:





NG -- REPAIR OR REPLACE HARNESS OR CONNECTOR
OK -- Continue to next step.

4. INSPECT DISTANCE CONTROL ECU

(a) Reconnect the distance control ECU connector.





(b) Turn the engine switch on (IG).

(c) Measure the voltage according to the value(s) in the table below.

Standard Voltage:





NG -- REPLACE DISTANCE CONTROL ECU Components

OK -- PROCEED TO NEXT SUSPECTED AREA SHOWN IN PROBLEM SYMPTOMS TABLE Dynamic Radar Cruise Control System