Operation CHARM: Car repair manuals for everyone.
Manuals through 2025 now available!

Our trusted friends have launched a new website named LEMON, which has newer manuals. It also contains all the CHARM manuals.

LEMON is the spiritual successor to CHARM, I recommend you try it!

Link: lemon-manuals.la or lemon-manuals.org.ua

(Some people have issue connecting. LEMON is investigating. For now, use Firefox or change your DNS server)

Or, hide this message: temporarily or permanently

Relay





2UR-GSE ENGINE CONTROL: RELAY: ON-VEHICLE INSPECTION

1. DISCONNECT CABLE FROM NEGATIVE BATTERY TERMINAL

CAUTION:
Wait at least 90 seconds after disconnecting the cable from the negative (-) battery terminal to disable the SRS system.

NOTICE:
When disconnecting the cable, some systems need to be initialized after the cable is reconnected Testing and Inspection.

2. REMOVE COOL AIR INTAKE DUCT SEAL Removal

3. REMOVE ENGINE ROOM SIDE COVER LH Removal

4. REMOVE NO. 2 RELAY BLOCK COVER

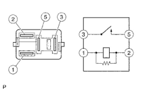
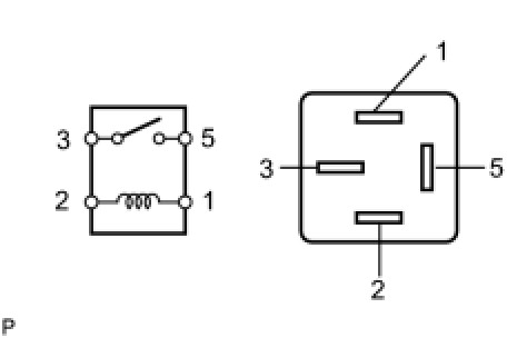
5. INSPECT IG2 RELAY

(a) Remove the IG2 relay from the No. 2 relay block.

(b) Measure the resistance according to the value(s) in the table below.





Standard Resistance:





(b) If the result is not as specified, replace the relay.

6. INSPECT VVT LH RELAY

(a) Remove the VVT LH relay from the No. 2 relay block.

(b) Measure the resistance according to the value(s) in the table below.





Standard Resistance:





(b) If the result is not as specified, replace the relay.

7. INSPECT VVT RH RELAY

(a) Remove the VVT RH relay from the No. 2 relay block.

(b) Measure the resistance according to the value(s) in the table below.





Standard Resistance:





(b) If the result is not as specified, replace the relay.

8. INSPECT INJ2 RELAY

(a) Remove the INJ2 relay from the No. 2 relay block.

(b) Measure the resistance according to the value(s) in the table below.





Standard Resistance:





(b) If the result is not as specified, replace the relay.

9. INSPECT A/F RELAY

(a) Remove the A/F relay from the No. 2 relay block.

(b) Measure the resistance according to the value(s) in the table below.





Standard Resistance:





(b) If the result is not as specified, replace the relay.

10. INSPECT F/PMP RELAY

(a) Remove the F/PMP relay from the No. 2 relay block.

(b) Measure the resistance according to the value(s) in the table below.





Standard Resistance:





(b) If the result is not as specified, replace the relay.

11. INSTALL NO. 2 RELAY BLOCK COVER

12. CONNECT CABLE TO NEGATIVE BATTERY TERMINAL

NOTICE:
When disconnecting the cable, some systems need to be initialized after the cable is reconnected Testing and Inspection.

13. INSTALL ENGINE ROOM SIDE COVER LH Installation

14. INSTALL COOL AIR INTAKE DUCT SEAL Installation