Operation CHARM: Car repair manuals for everyone.
Manuals through 2025 now available!

Our trusted friends have launched a new website named LEMON, which has newer manuals. It also contains all the CHARM manuals.

LEMON is the spiritual successor to CHARM, I recommend you try it!

Link: lemon-manuals.la or lemon-manuals.org.ua

(Some people have issue connecting. LEMON is investigating. For now, use Firefox or change your DNS server)

Or, hide this message: temporarily or permanently

Relay Box

Engine Room No.1 R/B, J/B - Engine Compartment Right:






Driver Side J/B - Right Kick Panel:






Driver Side J/B - Right Kick Panel - View A:






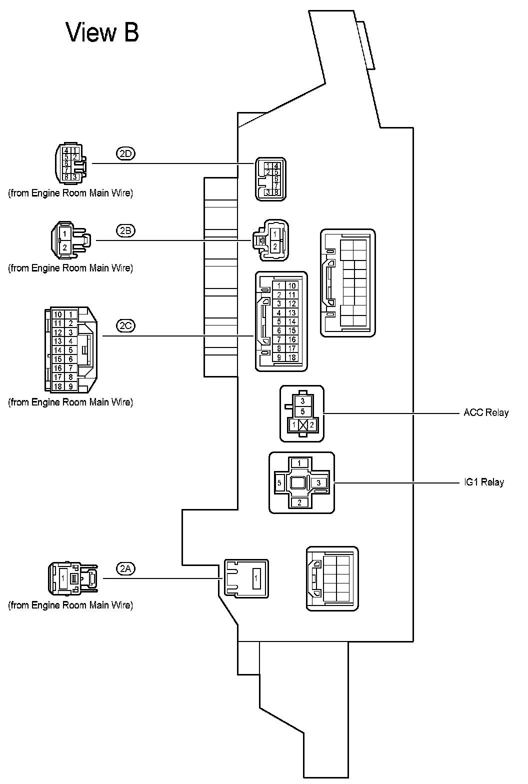
Driver Side J/B - Right Kick Panel - View B:






Driver Side J/B - Right Kick Panel - View C:






Passenger Side J/B - Right Kick Panel:






Passenger Side J/B - Right Kick Panel - View A:






Passenger Side J/B - Right Kick Panel - View B:






Passenger Side J/B - Right Kick Panel - View C:






Center J/B - Upper Side of the Glove Box:






Instrument Panel J/B - Near The Front Passenger Airbag Assembly:






Luggage Room J/B - Luggage Room Left: