Operation CHARM: Car repair manuals for everyone.
Manuals through 2025 now available!

Our trusted friends have launched a new website named LEMON, which has newer manuals. It also contains all the CHARM manuals.

LEMON is the spiritual successor to CHARM, I recommend you try it!

Link: lemon-manuals.la or lemon-manuals.org.ua

(Some people have issue connecting. LEMON is investigating. For now, use Firefox or change your DNS server)

Or, hide this message: temporarily or permanently

Installation





3UZ-FE ENGINE MECHANICAL: TIMING BELT: INSTALLATION

1. INSTALL NO. 2 TIMING BELT IDLER SUB-ASSEMBLY Reassembly

2. INSTALL NO. 1 TIMING BELT IDLER SUB-ASSEMBLY Reassembly

3. INSTALL TIMING BELT

(a) Check the No. 1 and No. 2 belt idler.

(1) Visually check the seal portion of the idler pulley for oil leakage.

If leakage is found, replace the idler.

(2) Check that the idler turns smoothly.

If necessary, replace the idler.

(b) Check the water pump.





(1) Visually check the air hole and water hole for coolant leakage.

If leakage is found, replace the water pump and belt.

(2) Turn the pulley, and check that the water pump bearing moves smoothly and quietly.

If necessary, replace the water pump.

(c) Remove any oil or water on the crankshaft, oil pump pulley, water pump pulley, No. 1 idler and No. 2 idler. Keep them clean.

NOTICE:
Only wipe the pulleys. Do not use any cleaning agents on the pulleys.

(d) Set the No. 1 cylinder to TDC/compression.





(1) Turn the hexagon wrench head portion of the camshaft to align the timing marks of the camshaft timing pulleys and timing belt plates.

HINT
Turn the camshaft timing pulleys slightly clockwise to make installation of the timing belt easier.

Camshaft timing pulley of LH bank: 1/2 of a tooth

Camshaft timing pulley of RH bank: 1 tooth





(2) Using the crankshaft pulley bolt, turn the crankshaft to align the timing marks of the crankshaft timing pulley and oil pump body.





(3) Remove any oil or water on each pulley. Keep them clean.





NOTICE:
Only wipe the pulleys. Do not use any cleaning agents on the pulleys.

(4) Face the front mark (arrow) on the belt forward.

(5) Connect the belt to the crankshaft timing pulley.

Align the installation mark on the belt with the timing mark of the crankshaft timing pulley.

(6) Connect the belt to the No. 2 idler.

(7) Connect the belt to the camshaft timing pulley (LH bank).

Align the installation mark on the belt with the timing mark of the camshaft timing pulley.

(8) Connect the belt to the water pump pulley.

(9) Connect the belt to the camshaft timing pulley (RH bank).

Align the installation mark on the belt with the timing mark of the camshaft timing pulley.

(10) Connect the timing belt to the No. 1 idler.

(e) Set the belt tensioner.





(1) Using a press, slowly press in the push rod using 981 to 9,807 N (100 to 1,000 kgf, 220 to 2,205 lbf) of pressure.

(2) Align the holes of the push rod and housing. Pass a 1.27 mm hexagon wrench through the holes to keep the setting position of the push rod.

(3) Release the press.

(4) Install the dust boot to the belt tensioner.

(f) Install the belt tensioner.





(1) Temporarily install the belt tensioner with the 2 bolts.

(2) Alternately tighten the 2 bolts.

Torque : 26 Nm (265 kgf-cm, 19 ft-lbf)

(3) Using pliers, remove the 1.27 mm hexagon wrench from the belt tensioner.

(g) Check the valve timing.





(1) Using the crankshaft pulley bolt, slowly turn the crankshaft timing pulley 2 revolutions from TDC to TDC.

NOTICE:
Always turn the crankshaft pulley clockwise.

(2) Check that each pulley aligns with the timing marks as shown in the illustration.





(2) If the timing marks do not align, remove the belt and reinstall it.

(3) Remove the crankshaft pulley bolt.

4. INSTALL CRANKSHAFT POSITION SENSOR PLATE

(a) Install the crankshaft position sensor plate as shown in the illustration.





NOTICE:
Be careful of the installation direction.

5. INSTALL TIMING GEAR COVER SPACER





(a) Install the gasket to the cover spacer.

(b) Install the cover spacer.

6. INSTALL NO. 1 TIMING BELT COVER





(a) Install the timing belt cover with the 4 bolts.

Torque : 7.5 Nm (76 kgf-cm, 66 in-lbf)

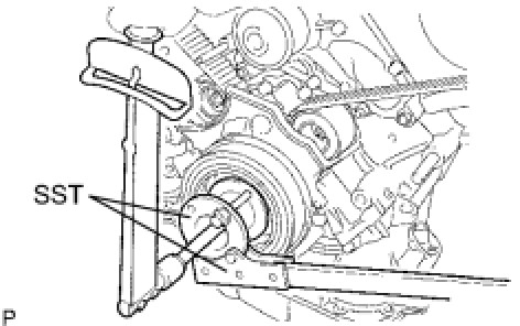
7. INSTALL CRANKSHAFT PULLEY

(a) Align the damper set key with the key groove of the pulley.





(b) Using SST and a hammer, tap on the pulley.

SST : 09223-46011

(c) Using SST, install the pulley bolt.





SST : 09213-70011

SST : 09330-00021

Torque : 245 Nm (2,498 kgf-cm, 181 ft-lbf)

8. INSTALL IDLER PULLEY ASSEMBLY

(a) Install the idler with the 2 bolts and 2 nuts.





Torque : 16 Nm (163 kgf-cm, 12 ft-lbf for 12 mm head)

Torque : 32 Nm (326 kgf-cm, 24 ft-lbf for 14 mm head)

Bolt length:

106 mm (4.17 in.) for 12 mm head (A)

114 mm (4.49 in.) for 14 mm head (B)

9. INSTALL V-RIBBED BELT TENSIONER ASSEMBLY





(a) Install the belt tensioner with the bolt and 2 nuts.

Torque : 16 Nm (163 kgf-cm, 12 ft-lbf)

HINT
Use bolts that are 106 mm (4.17 in.) in length.

10. INSTALL NO. 2 TIMING BELT COVER SUB-ASSEMBLY

(a) Set the No. 2 cover by matching the claws and pin with each part.





(b) Install the timing belt cover with the 2 bolts.

Torque : 16 Nm (163 kgf-cm, 12 ft-lbf)

HINT
Use bolts that are 106 mm (4.17 in.) in length.

11. INSTALL NO. 2 IDLER PULLEY SUB-ASSEMBLY





(a) Install the idler pulley and cover plate with the bolt.

Torque : 39 Nm (398 kgf-cm, 29 ft-lbf)

12. INSTALL NO. 3 TIMING BELT COVER SUB-ASSEMBLY LH

(a) Install the gasket to the cover.





(b) Run the camshaft position sensor wire through the cover hole.

(c) Install the cover with the 4 bolts.

Torque : 7.5 Nm (76 kgf-cm, 66 in-lbf)

(d) Install the wire grommet to the cover.

(e) Install the sensor connector to the sensor holder.

(f) Connect the sensor connector.

(g) Install the sensor wire to the wire clamp on the cover.

(h) Install the engine wire to the 2 wire clamps on the cover.

(i) Connect the 2 water by-pass hoses as shown in the illustration.





(j) Install the No. 3 water by-pass pipe to the cover with the cap nut.

Torque : 7.5 Nm (76 kgf-cm, 66 in-lbf)

13. INSTALL NO. 3 TIMING BELT COVER SUB-ASSEMBLY RH

(a) Install the gasket to the cover.





(b) Install the cover with the cap nut and 3 bolts.

Torque : 7.5 Nm (76 kgf-cm, 66 in-lbf)

(c) Install the 2 PS air hoses to the clamp on the cover.

14. INSTALL SPARK PLUG

(a) Install the spark plugs.

Torque : 18 Nm (183 kgf-cm, 13 ft-lbf)

15. INSTALL IGNITION COIL ASSEMBLY Installation

16. CONNECT COOLER COMPRESSOR ASSEMBLY

(a) Set the cooler compressor to the engine. Then install the stay, wire bracket, 3 bolts and nut to connect the cooler compressor.

Torque : 49 Nm (500 kgf-cm, 36 ft-lbf for bolts)

Torque : 29 Nm (296 kgf-cm, 21 ft-lbf for nuts)

17. INSTALL GENERATOR ASSEMBLY Installation

18. INSTALL VANE PUMP ASSEMBLY Installation

19. INSTALL FAN & GENERATOR V BELT Installation

20. INSTALL RADIATOR ASSEMBLY Installation

21. CONNECT NO. 1 OIL COOLER OUTLET TUBE Installation

22. CONNECT NO. 1 OIL COOLER INLET TUBE Installation

23. CONNECT NO. 2 RADIATOR HOSE Installation

24. CONNECT NO. 1 RADIATOR HOSE Installation

25. INSTALL AIR CLEANER ASSEMBLY Installation

26. INSTALL INTAKE AIR CONNECTOR PIPE Installation

27. INSTALL NO. 1 AIR CLEANER INLET Installation

28. INSTALL V-BANK COVER Installation

29. CONNECT CABLE TO NEGATIVE BATTERY TERMINAL

30. PERFORM INITIALIZATION

(a) Perform initialization Testing and Inspection.

NOTICE:
Certain systems need to be initialized after disconnecting and reconnecting the cable from the negative (-) battery terminal.

31. ADD ENGINE COOLANT Service and Repair

32. CHECK FOR ENGINE COOLANT LEAKS Testing and Inspection

33. INSTALL ENGINE UNDER COVER