Operation CHARM: Car repair manuals for everyone.
Manuals through 2025 now available!

Our trusted friends have launched a new website named LEMON, which has newer manuals. It also contains all the CHARM manuals.

LEMON is the spiritual successor to CHARM, I recommend you try it!

Link: lemon-manuals.la or lemon-manuals.org.ua

(Some people have issue connecting. LEMON is investigating. For now, use Firefox or change your DNS server)

Or, hide this message: temporarily or permanently

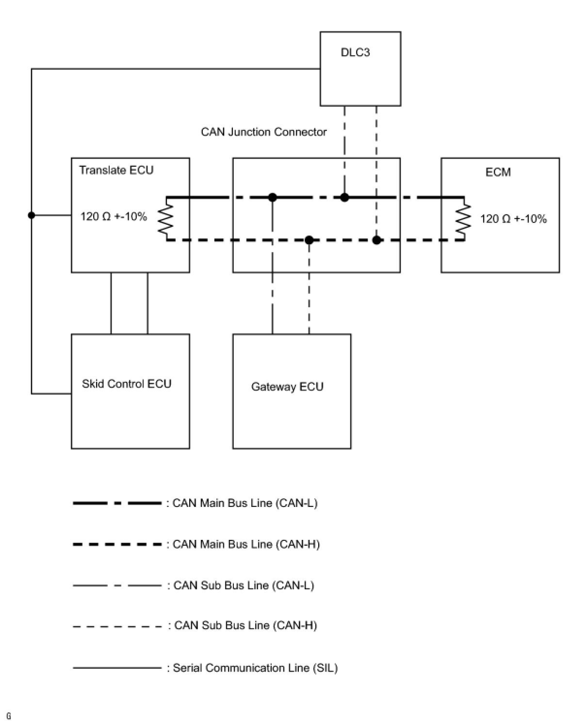
CAN Communication System





CAN COMMUNICATION: CAN COMMUNICATION SYSTEM: SYSTEM DIAGRAM





HINT
The ECM uses the CAN communication system instead of the conventional communication line (SIL) to perform DTC communication.





CAN COMMUNICATION: CAN COMMUNICATION SYSTEM: SYSTEM DESCRIPTION

1. BRIEF DESCRIPTION

(a) The CAN (Controller Area Network) is a serial data communication system for real time application. It is a vehicle multiplex communication system which has a high communication speed (500 kbps) and the ability to detect malfunctions.

(b) By pairing the CANH and CANL bus lines, the CAN performs communication based on differential voltage.

(c) While the skid control ECU assembly uses the serial communication line, the ECM uses the CAN communication line. The translate ECU enables communication between the skid control ECU assembly and ECM by changing the communication method.

(d) The CAN has 2 resistors of 120 Ohms, which are necessary to communicate with the main bus line.

2. DEFINITION OF TERMS

(a) Main bus line

(1) The main bus line is a wire harness between the 2 terminus circuits on the bus (communication line). This is the main bus in the CAN communication system.

(b) Sub bus line

(1) The sub bus line is a wire harness which diverges from the main bus line to an ECU or sensor.

(c) Terminus circuit

(1) The terminus circuit is a circuit placed to convert communication current of the CAN communication into bus voltage. It consists of a resistor and condenser. Two terminus circuits are necessary on a bus.

(d) CAN junction connector

(1) The CAN junction connector is a junction designed for CAN communication, which contains the terminus circuit.

3. ECU WHICH COMMUNICATE THROUGH CAN COMMUNICATION SYSTEM

(a) ECM

(b) Gateway ECU

(c) Translate ECU

4. DIAGNOSTIC TROUBLE CODE FOR CAN COMMUNICATION SYSTEM

(a) DTCs for the CAN communication system are as follows: U0073/42, U0100/65, U0001 and U0101

5. REMARK FOR TROUBLESHOOTING

(a) Trouble in the CAN bus (communication line) can be checked from the DLC3 (except when there is a wire break other than in the sub bus line of the DLC3).

NOTICE:
Do not insert the tester probes directly into the DLC3 connector. Be sure to use a service wire.

(b) DTCs related to the CAN communication system can be checked using the Techstream.

(c) The CAN communication system cannot detect trouble in the sub bus line of the DLC3 even though the DLC3 is also connected to the CAN communication system.

6. HOW TO DISTINGUISH CAN JUNCTION CONNECTOR

(a) In the CAN communication system, the shape of all the connectors connected to the CAN junction connector is the same. The connectors connected to the CAN junction connector can be distinguished by the colors of the bus line and the connecting side of the connector.

HINT
See "Terminals of ECU" CAN Communication System for bus line color or the type of connecting surface.