Operation CHARM: Car repair manuals for everyone.
Manuals through 2025 now available!

Our trusted friends have launched a new website named LEMON, which has newer manuals. It also contains all the CHARM manuals.

LEMON is the spiritual successor to CHARM, I recommend you try it!

Link: lemon-manuals.la or lemon-manuals.org.ua

(Some people have issue connecting. LEMON is investigating. For now, use Firefox or change your DNS server)

Or, hide this message: temporarily or permanently

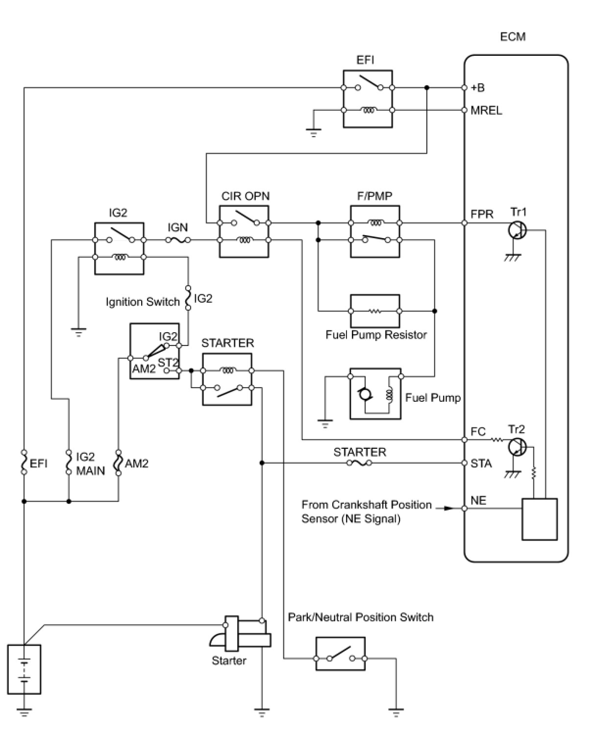
Fuel Pump Control Circuit





3UZ-FE ENGINE CONTROL SYSTEM: SFI SYSTEM: Fuel Pump Control Circuit
- Fuel Pump Control Circuit

DESCRIPTION

When the engine is cranked, current flows from terminal ST of the ignition switch to the starter relay coil and also current flows to terminal STA of the ECM (STA signal). When the STA signal and NE signal are input to the ECM, Transistor 1 (Tr1) of the ECM is turned ON, current flows to the coil of the circuit opening relay (Marking: CIR OPN), the relay switches on, power is supplied to the fuel pump, and the fuel pump operates. While the NE signal is generated (engine running), the ECM keeps Tr1 ON (circuit opening relay ON) and the fuel pump also keeps operating. The fuel pump speed is controlled at two levels (high speed or low speed) by the condition of the engine (starting, light load, heavy load). The fuel pump operates at high speed when: 1) the engine starts and the STA signal is ON; and 2) Transistor 2 (Tr2) of the ECM is OFF, causing the fuel pump relay (Marking: F/PMP) to close and battery positive voltage to be applied directly to the fuel pump. The fuel pump operates at low speed when: 1) after the engine starts, the engine is idling or has a light load; and 2) since the ECM's Tr2 is ON, battery positive voltage is applied to the fuel pump via the fuel pump resistor.

WIRING DIAGRAM





INSEPCTION PROCEDURE

HINT
This troubleshooting procedure is based on the premise that the engine is started. If the engine is not started, proceed to the problem symptoms table Symptom Related Diagnostic Procedures.

PROCEDURE

1. PERFORM ACTIVE TEST USING TECHSTREAM (OPERATE C/OPN RELAY)

(a) Connect the Techstream to the DLC3.

(b) Turn the ignition switch to ON and turn the Techstream on.

(c) Enter the following menus: Powertrain / Engine / Active Test / Control the Fuel Pump / Speed.

(d) Check the relay operation while operating it using the tester.

Result





B -- INSPECT FUEL PUMP RELAY
A -- Continue to next step.

2. INSPECT FUSE (IGN)





(a) Remove the IGN fuse from the engine room No. 1 relay block.

(b) Measure the resistance of the fuse.

Standard Resistance:

Below 1 Ohms

NG -- REPLACE FUSE
OK -- Continue to next step.

3. INSPECT CIRCUIT OPENING RELAY





(a) Remove the circuit opening relay from the engine room No. 2 relay block.

(b) Measure the resistance of the relay.

Standard Resistance:





NG -- REPLACE CIRCUIT OPENING RELAY
OK -- Continue to next step.

4. INSPECT IG2 RELAY





(a) Remove the IG2 relay from the engine room No. 1 relay block.

(b) Measure the resistance of the relay.

Standard Resistance:





NG -- REPLACE IG2 RELAY
OK -- Continue to next step.

5. INSPECT ECM (FC VOLTAGE)





(a) Turn the ignition switch to ON.

(b) Measure the voltage of the ECM connector.

Standard Voltage:





NG -- REPAIR OR REPLACE HARNESS OR CONNECTOR

OK -- REPLACE ECM Service and Repair

6. INSPECT FUEL PUMP RELAY





(a) Remove the fuel pump relay from the engine room No. 2 relay block.

(b) Measure the resistance of the relay.

Standard Resistance:





NG -- REPLACE FUEL PUMP RELAY
OK -- Continue to next step.

7. INSPECT FUEL PUMP





(a) Check the resistance of the fuel pump.

(1) Measure the resistance between terminals 4 and 5.

Standard Resistance:

0.2 to 3.0 Ohms at 20°C (68°F)

(b) Check the operation of the fuel pump.

(1) Apply battery voltage to both the terminals. Check that the pump operates.

NOTICE:
* These tests must be done quickly (within 10 seconds) to prevent the coil from burning out.
* Keep fuel pump as far away from the battery as possible.
CAUTION:
Always turn the voltage on and off on the battery side, not the fuel pump.

NG -- REPLACE FUEL PUMP
OK -- Continue to next step.

8. INSPECT FUEL PUMP RESISTOR





(a) Measure the resistance of the resistor.

Standard Resistance:

0.30 to 0.34 Ohms at 20°C (68°F)

NG -- REPLACE FUEL PUMP RESISTOR
OK -- Continue to next step.

9. INSPECT ECM (FPR VOLTAGE)





(a) Turn the ignition switch to ON.

(b) Measure the voltage of the ECM connector.

Standard Voltage:





NG -- REPAIR OR REPLACE HARNESS OR CONNECTOR
OK -- Continue to next step.

10. CHECK FOR SHORT OR OPEN IN ALL HARNESSES CONNECTED TO FUEL PUMP AND FUEL PUMP RESISTOR

NG -- REPAIR OR REPLACE HARNESS OR CONNECTOR

OK -- REPLACE ECM Service and Repair