Operation CHARM: Car repair manuals for everyone.
Manuals through 2025 now available!

Our trusted friends have launched a new website named LEMON, which has newer manuals. It also contains all the CHARM manuals.

LEMON is the spiritual successor to CHARM, I recommend you try it!

Link: lemon-manuals.la or lemon-manuals.org.ua

(Some people have issue connecting. LEMON is investigating. For now, use Firefox or change your DNS server)

Or, hide this message: temporarily or permanently

Charging System: Testing and Inspection





3UZ-FE CHARGING: CHARGING SYSTEM: ON-VEHICLE INSPECTION

1. CHECK BATTERY CONDITION

NOTICE:
If the battery is weak or if the engine is difficult to start, perform the following procedures.

(a) Check the battery for damage and deformation. If severe damage, deformation or leakage is found, replace the battery.

(b) Turn the engine switch off and turn on the headlight for 20 to 30 seconds. This will remove the surface charge from the battery.





(c) Measure the battery voltage between the negative (-) and positive (+) terminals of the battery.

Standard voltage:

12.5 to 12.9 V at 20°C (68°F)

(c) If the voltage is below the specification, recharge the battery.

(d) Check the electrolyte quantity of each cell.

(1) For maintenance-free batteries:

* If the electrolyte quantity is below the lower line, replace the battery.

* If the electrolyte quantity is above the lower line, check the battery voltage when cranking the engine. If the voltage is less than 9.6 V, recharge or replace the battery.

HINT
Before checking the battery voltage, turn off all the electrical systems (headlights, blower motor, rear defogger, etc.).





(2) For non-maintenance-free batteries:

* If the electrolyte quantity is below the lower line, add distilled water to each cell. Then, recharge the battery and check the electrolyte's specific gravity.

Standard specific gravity:

1.25 to 1.29 at 20°C (68°F)

(2) If the electrolyte quantity is below the lower line, check the battery voltage when cranking the engine. If the voltage is less than 9.6 V, recharge or replace the battery.

HINT
Before checking the battery voltage, turn off all the electrical systems (headlights, blower motor, rear defogger, etc.).

2. CHECK BATTERY TERMINAL AND FUSE

(a) Check that the battery terminals are not loose or corroded.

If the terminals are corroded, clean the terminals.

(b) Measure the resistance of the H-fuse and fuses.

Standard resistance:

Below 1 Ohms

(b) If the results are not as specified, replace fuses as necessary.

3. CHECK FAN & GENERATOR V BELT

(a) Check the belt for wear, cracks or other signs of damage.





(a) If any of the following defects is found, replace the fan and generator V belt.

* The belt is cracked.

* The belt is worn out to the extent that the cords are exposed.

* The belt has chunks missing from the ribs.

(b) Check that the belt fits properly in the ribbed grooves.





HINT
Check with your hand to confirm that the belt has not slipped out of the groove on the bottom to the pulley. If it has slipped out, replace the fan and generator V belt. Install a new fan and generator V belt correctly.

4. VISUALLY CHECK GENERATOR WIRING

(a) Check that the wiring is in good condition.

5. LISTEN FOR ABNORMAL NOISE FROM GENERATOR

(a) Check that the generator does not emit any abnormal noise while the engine is running.

6. CHECK CHARGE WARNING LIGHT CIRCUIT

(a) Turn the ignition switch ON. Check that the charge warning light turns ON.

(b) Start the engine. Check that the light turns OFF. If the light does not operate as specified, troubleshoot the charge warning light circuit.

7. CHECK CHARGING CIRCUIT WITHOUT LOAD





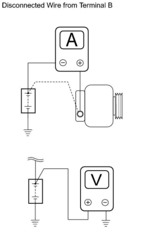
(a) Connect a voltmeter and ammeter to the charging circuit as follows.

HINT
If a battery / generator tester is available, connect the tester to the charging circuit according to the manufacturer's instructions.

(1) Disconnect the wire from terminal B of the generator and connect it to the ammeter's negative (-) lead.

(2) Connect the ammeter's positive (+) lead to terminal B of the generator.

(3) Connect the voltmeter's positive (+) lead to the positive (+) terminal of the battery.

(4) Ground the voltmeter's negative(-) lead.

(b) Check the charging circuit.

(1) Keep the engine speed at 2,000 rpm. Check the reading on the ammeter and voltmeter.

Standard amperage:

10 A or less

Standard voltage:

13.2 to 14.8 V

(1) If the result is not as specified, replace the generator.

HINT
If the battery is not fully charged, the ammeter reading will sometimes be more than the standard amperage.

8. CHECK CHARGING CIRCUIT WITH LOAD

(a) With the engine running at 2,000 rpm, turn on the high beam headlights and turn the heater blower switch to the HI position.

(b) Check the reading on the ammeter.

Standard amperage:

30 A or more

(b) If the ammeter reading is less than the standard amperage, replace the generator.

HINT
If the battery is fully charged, the ammeter reading will sometimes be less than the standard amperage.