Operation CHARM: Car repair manuals for everyone.
Manuals through 2025 now available!

Our trusted friends have launched a new website named LEMON, which has newer manuals. It also contains all the CHARM manuals.

LEMON is the spiritual successor to CHARM, I recommend you try it!

Link: lemon-manuals.la or lemon-manuals.org.ua

(Some people have issue connecting. LEMON is investigating. For now, use Firefox or change your DNS server)

Or, hide this message: temporarily or permanently

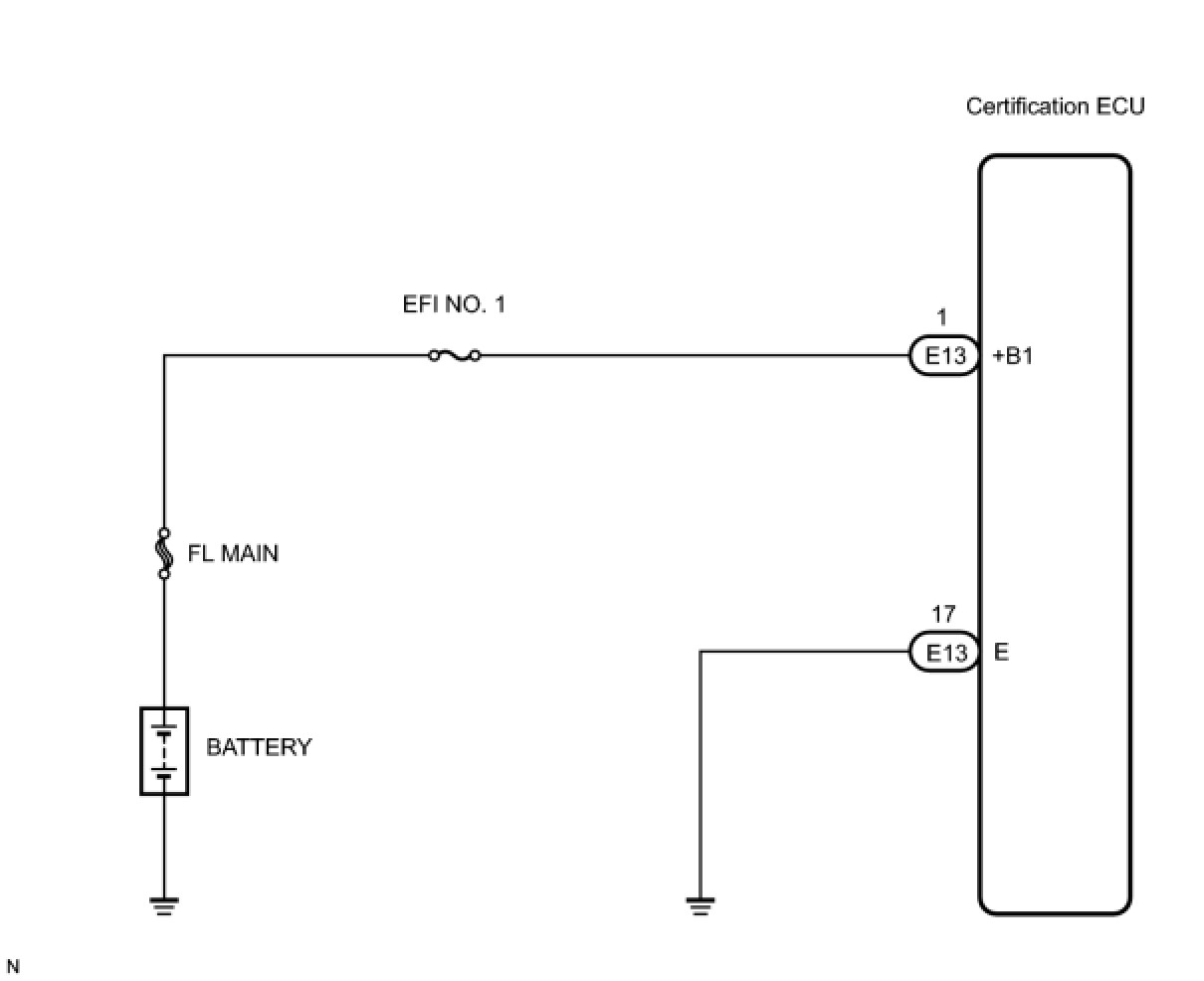
Certification ECU Power Source Circuit





ENGINE IMMOBILIZER: ENGINE IMMOBILIZER SYSTEM: Certification ECU Power Source Circuit
- Certification ECU Power Source Circuit

DESCRIPTION

This circuit provides power to operate the certification ECU.

WIRING DIAGRAM





INSPECTION PROCEDURE

NOTICE:
If the certification ECU is replaced, register the key and ECU communication ID Registration.

PROCEDURE

1. INSPECT FUSE (EFI NO. 1)

(a) Remove the EFI No. 1 fuse from the No. 1 engine room R/B.

(b) Measure the resistance of the fuse.

Standard resistance:

Below 1 Ohms

NG -- REPLACE FUSE
OK -- Continue to next step.

2. CHECK WIRE HARNESS (CERTIFICATION ECU - BATTERY)

(a) Disconnect the E13 ECU connector.





(b) Measure the voltage according to the value(s) in the table below.

Standard voltage:





NG -- REPAIR OR REPLACE HARNESS OR CONNECTOR
OK -- Continue to next step.

3. CHECK HARNESS AND CONNECTOR (CERTIFICATION ECU - BODY GROUND)

(a) Measure the resistance according to the value(s) in the table below.





Standard resistance:





NG -- REPAIR OR REPLACE HARNESS OR CONNECTOR

OK -- PROCEED TO NEXT CIRCUIT INSPECTION SHOWN IN PROBLEM SYMPTOMS TABLE