Operation CHARM: Car repair manuals for everyone.
Manuals through 2025 now available!

Our trusted friends have launched a new website named LEMON, which has newer manuals. It also contains all the CHARM manuals.

LEMON is the spiritual successor to CHARM, I recommend you try it!

Link: lemon-manuals.la or lemon-manuals.org.ua

(Some people have issue connecting. LEMON is investigating. For now, use Firefox or change your DNS server)

Or, hide this message: temporarily or permanently

Rear Door RH Entry Unlock Function Does Not Operate





DOOR LOCK: SMART ACCESS SYSTEM WITH PUSH-BUTTON START: Rear Door RH Entry Unlock Function does not Operate
- Rear Door RH Entry Unlock Function does not Operate

DESCRIPTION

When an ID code from the door electrical key oscillator rear RH matches an ID code from the key, the certification ECU outputs a SEL signal (Lo when output) to the door electrical key oscillator rear RH, activates the touch sensor inside the outside door handle, and enters unlock standby mode. When the touch sensor is touched, the door electrical key oscillator rear RH sends a SENS signal (Lo when output)) to the certification ECU and the certification ECU sends an unlock signal to the rear door RH lock.

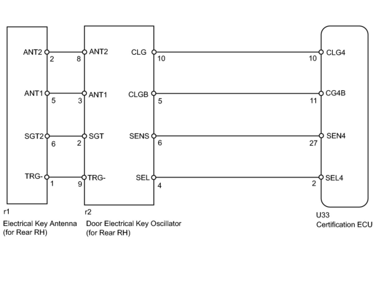
WIRING DIAGRAM





INSPECTION PROCEDURE

PROCEDURE

1. CHECK MANUAL DOOR UNLOCK OPERATION

(a) Check that the manual door unlock function operates normally.

OK:

Manual door unlock function operates normally.

NG -- GO TO POWER DOOR LOCK CONTROL SYSTEM
OK -- Continue to next step.

2. READ VALUE USING TECHSTREAM (DOOR COURTESY SWITCH)

(a) Check the DATA LIST for proper functioning of the rear RH side door courtesy switches.

Main Body ECU RH:





OK:

ON (door courtesy switch is pushed) appears on the screen.

NG -- GO TO LIGHTING SYSTEM
OK -- Continue to next step.

3. READ VALUE USING TECHSTREAM (DOOR LOCK POSITION SWITCH)

(a) Check the DATA LIST for proper functioning of the door lock position switch.

Multiplex Network Door ECU Rear RH:





OK:

On the Techstream screen, the display changes between ON and OFF as shown in the chart above.

NG -- GO TO POWER DOOR LOCK CONTROL SYSTEM (Proceed to Only Rear Door RH LOCK / UNLOCK Functions do not Operate)
OK -- Continue to next step.

4. PERFORM ACTIVE TEST USING TECHSTREAM (PASSENGER SIDE REAR SELECT)

(a) Select the ACTIVE TEST, use the Techstream to generate a control command, and then check that the oscillator operates.

Certification ECU:





OK:

ON (Pr-Seat Select is on) appears on the screen.

NG -- REPLACE CERTIFICATION ECU
OK -- Continue to next step.

5. READ VALUE USING TECHSTREAM (PR TOUCH SENSOR)

(a) With ''Pr-Seat Select'' ON, check the DATA LIST for proper functioning of the touch sensor.

Certification ECU:





OK:

When passenger side rear door touch sensor is touched, OK (Sensor is touched) appears on the screen.

NG -- CHECK DOOR ELECTRICAL KEY OSCILLATOR REAR RH
OK -- Continue to next step.

6. CHECK OPERATION OF MULTIPLEX NETWORK DOOR ECU REAR RH

(a) After replacing the multiplex network door ECU rear RH with a normal one, check that the entry unlock function operates normally.

OK:

Entry unlock function operates normally.

NG -- REPLACE CERTIFICATION ECU

OK -- END (MULTIPLEX NETWORK DOOR ECU REAR RH IS DEFECTIVE)

7. CHECK DOOR ELECTRICAL KEY OSCILLATOR REAR RH





(a) Measure the voltage of the oscillator connector.

Standard voltage:





OK -- REPLACE CERTIFICATION ECU
NG -- Continue to next step.

8. CHECK WIRE HARNESS (OSCILLATOR - ANTENNA)





(a) Disconnect the r2 oscillator connector.

(b) Disconnect the r1 antenna connector.

(c) Measure the resistance of the wire harness side connectors.

Standard resistance:





NG -- REPAIR OR REPLACE HARNESS OR CONNECTOR
OK -- Continue to next step.

9. CHECK WIRE HARNESS (ECU - OSCILLATOR)





(a) Disconnect the U33 ECU connector.

(b) Disconnect the r2 oscillator connector.

(c) Measure the resistance of the wire harness side connectors.

Standard resistance:





NG -- REPAIR OR REPLACE HARNESS OR CONNECTOR

OK -- REPLACE DOOR ELECTRICAL KEY OSCILLATOR REAR RH