Operation CHARM: Car repair manuals for everyone.
Manuals through 2025 now available!

Our trusted friends have launched a new website named LEMON, which has newer manuals. It also contains all the CHARM manuals.

LEMON is the spiritual successor to CHARM, I recommend you try it!

Link: lemon-manuals.la or lemon-manuals.org.ua

(Some people have issue connecting. LEMON is investigating. For now, use Firefox or change your DNS server)

Or, hide this message: temporarily or permanently

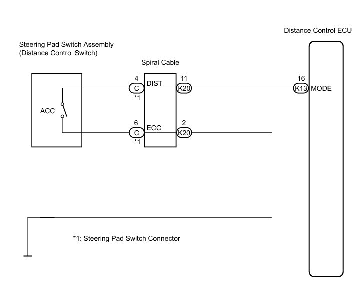
Distance Control Switch Circuit





CRUISE CONTROL: DYNAMIC RADAR CRUISE CONTROL SYSTEM: Distance Control Switch Circuit
- Distance Control Switch Circuit

DESCRIPTION

The distance control switch sets the vehicle-to-vehicle distance mode. The distance control switch is installed in the steering pad switch. The vehicle-to-vehicle distance set value can be changed by operating the steering pad switch (distance control switch) while the dynamic radar cruise control system is in operation. The steering pad switch uses the BEAN to communicate with each ECU. Therefore it does not have a direct connection with the hybrid vehicle control ECU. If there are any malfunction in the communication line of the steering pad switch, one or more DTCs in the multiplex communication system are output.

WIRING DIAGRAM





INSPECTION PROCEDURE

NOTICE:
When the distance control ECU is replaced with a new one, initialization must be performed Installation.

PROCEDURE

1. INSPECT STEERING PAD SWITCH ASSEMBLY





Text in Illustration





(a) Remove the steering pad switch assembly.

(b) Measure the resistance according to the value(s) in the table below.

Standard resistance:





(c) Install the steering pad switch assembly.

NG -- REPLACE STEERING PAD SWITCH ASSEMBLY
OK -- Continue to next step.

2. INSPECT SPIRAL CABLE SUB-ASSEMBLY





(a) Disconnect the spiral cable.

(b) Measure the resistance according to the value(s) in the table below.

Standard resistance:





Text in Illustration





(c) Reconnect the spiral cable.

NG -- REPLACE SPIRAL CABLE SUB-ASSEMBLY
OK -- Continue to next step.

3. CHECK HARNESS AND CONNECTOR (DISTANCE CONTROL ECU - SPIRAL CABLE AND BODY GROUND)

(a) Disconnect the distance control ECU connector.

(b) Disconnect the spiral cable connector.

(c) Measure the resistance according to the value(s) in the table below.

Standard resistance:





(d) Reconnect the distance control ECU connector.

(e) Reconnect the spiral cable connector.

NG -- REPAIR OR REPLACE HARNESS OR CONNECTOR (DISTANCE CONTROL ECU - SPIRAL CABLE OR BODY GROUND)
OK -- Continue to next step.

4. CHECK HARNESS AND CONNECTOR (SPIRAL CABLE - BODY GROUND)





(a) Disconnect the spiral cable connector.

(b) Measure the resistance according to the value(s) in the table below.

Standard resistance:





Text in Illustration





(c) Reconnect the spiral cable connector.

NG -- REPAIR OR REPLACE HARNESS OR CONNECTOR (SPIRAL CABLE - BODY GROUND)
OK -- Continue to next step.

5. CHECK DISTANCE CONTROL ECU





(a) Remove the distance control ECU connector.

(b) Turn the power switch ON (IG).

(c) Measure the voltage according to the value(s) in the table below.

Standard voltage:





Text in Illustration





(d) Install the distance control ECU connector.

NG -- REPLACE DISTANCE CONTROL ECU

OK -- PROCEED TO NEXT CIRCUIT INSPECTION SHOWN IN PROBLEM SYMPTOMS TABLE Dynamic Radar Cruise Control System