Operation CHARM: Car repair manuals for everyone.
Manuals through 2025 now available!

Our trusted friends have launched a new website named LEMON, which has newer manuals. It also contains all the CHARM manuals.

LEMON is the spiritual successor to CHARM, I recommend you try it!

Link: lemon-manuals.la or lemon-manuals.org.ua

(Some people have issue connecting. LEMON is investigating. For now, use Firefox or change your DNS server)

Or, hide this message: temporarily or permanently

VC Output Circuit





2GR-FSE ENGINE CONTROL SYSTEM: SFI SYSTEM: VC Output Circuit
- VC Output Circuit

DESCRIPTION

The ECM constantly generates 5 V power from the battery voltages supplied to the +B (BATT) terminal to operate the microprocessor. The ECM also provides this power to the sensors through the VC output circuit.





When the VC circuit is short-circuited, the microprocessor in the ECM and sensors that are supplied with power through the VC circuit are inactivated because the power is not supplied from the VC circuit. Under this condition, the system does not start up and the MIL does not illuminate even if the system malfunctions.

HINT
Under normal conditions, the MIL is illuminated for several seconds when the power switch is first turned on (IG). The MIL goes off when the engine is started.

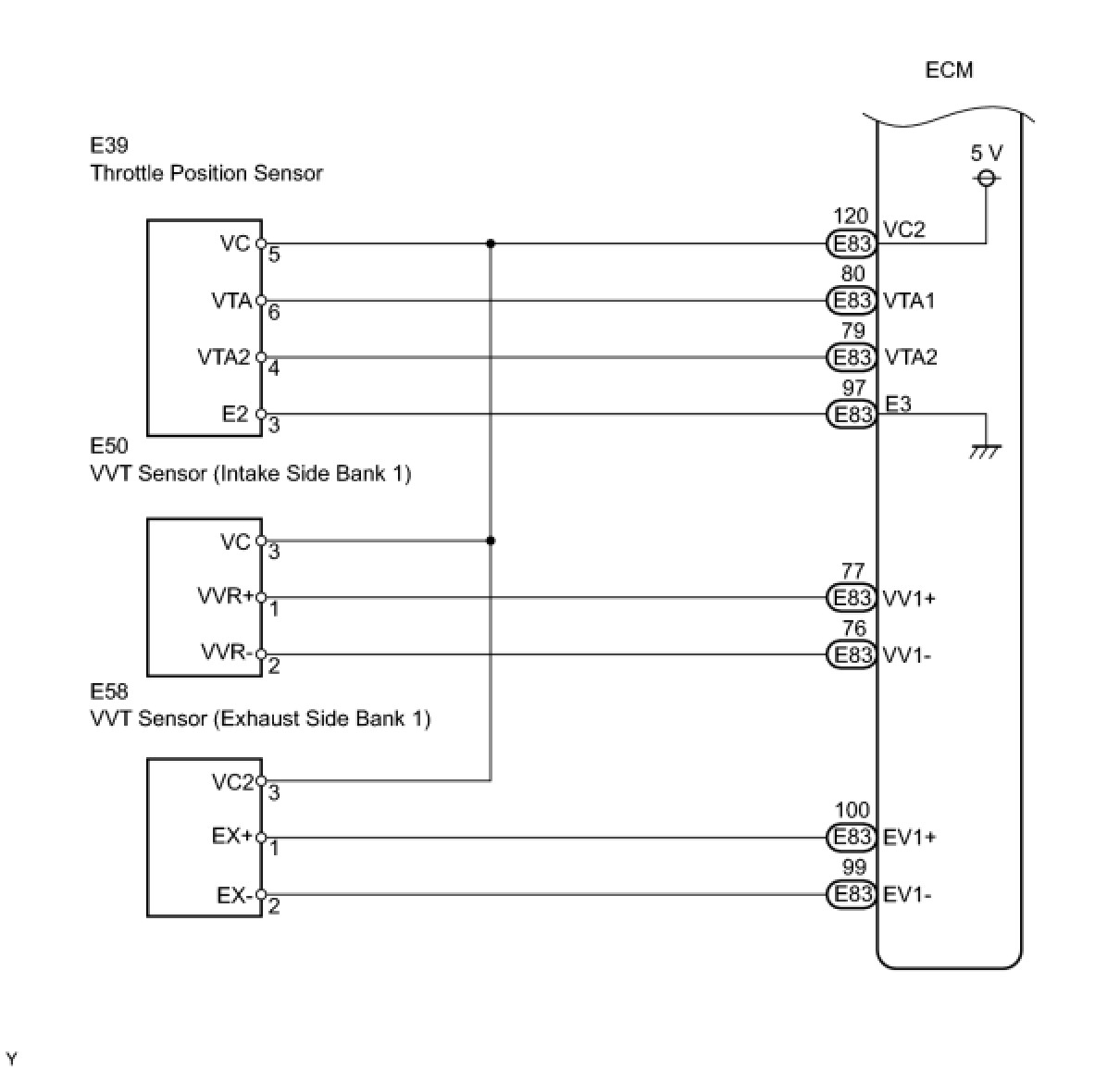
WIRING DIAGRAM









INSPECTION PROCEDURE

PROCEDURE

1. CHECK MIL CONDITION

(a) Check that the Malfunction Indicator Lamp (MIL) lights up when turning the power switch on (IG).

OK:

MIL illuminates

OK -- SYSTEM OK
NG -- Continue to next step.

2. CHECK CONNECTION BETWEEN TECHSTREAM AND ECM

(a) Connect the Techstream to the DLC3.

(b) Turn the power switch on (IG) and Techstream on.

(c) Check the communication between the Techstream and ECM.

Result:





A -- GO TO MIL CIRCUIT
B -- Continue to next step.

3. CHECK MIL (THROTTLE POSITION SENSOR)

(a) Disconnect the E39 throttle body assembly connector.

(b) Turn the power switch on (IG).

(c) Check the MIL.

Result:





(d) Reconnect the throttle body assembly connector.

A -- REPLACE THROTTLE BODY ASSEMBLY
B -- Continue to next step.

4. CHECK MIL (VVT SENSOR FOR INTAKE CAMSHAFT BANK 1)

(a) Disconnect the E50 VVT sensor for intake camshaft (bank 1) connector.

(b) Turn the power switch on (IG).

(c) Check the MIL.

Result:





(d) Reconnect the VVT sensor for intake camshaft (bank 1) connector.

A -- REPLACE VVT SENSOR (FOR INTAKE CAMSHAFT BANK 1)
B -- Continue to next step.

5. CHECK MIL (VVT SENSOR FOR EXHAUST CAMSHAFT BANK 1)

(a) Disconnect the E58 VVT sensor for exhaust camshaft (bank 1) connector.

(b) Turn the power switch on (IG).

(c) Check the MIL.

Result:





(d) Reconnect the VVT sensor for exhaust camshaft (bank 1) connector.

A -- REPLACE VVT SENSOR (FOR EXHAUST CAMSHAFT BANK 1)
B -- Continue to next step.

6. CHECK MIL (VVT SENSOR FOR INTAKE CAMSHAFT BANK 2)

(a) Disconnect the E60 VVT sensor for intake camshaft (bank 2) connector.

(b) Turn the power switch on (IG).

(c) Check the MIL.

Result:





(d) Reconnect the VVT sensor for intake camshaft (bank 2) connector.

A -- REPLACE VVT SENSOR (FOR INTAKE CAMSHAFT BANK 2)
B -- Continue to next step.

7. CHECK MIL (VVT SENSOR FOR EXHAUST CAMSHAFT BANK 2)

(a) Disconnect the E66 VVT sensor for exhaust camshaft (bank 2) connector.

(b) Turn the power switch on (IG).

(c) Check the MIL.

Result:





(d) Reconnect the VVT sensor for exhaust camshaft (bank 2) connector.

A -- REPLACE VVT SENSOR (FOR EXHAUST CAMSHAFT BANK 2)
B -- Continue to next step.

8. CHECK MIL (CANISTER PUMP MODULE)

(a) Disconnect the V17 or x1 canister pump module connector.

(b) Turn the power switch on (IG).

(c) Check the MIL.

Result:





(d) Reconnect the canister pump module connector.

A -- REPLACE CANISTER
B -- Continue to next step.

9. CHECK MIL (FUEL TANK PRESSURE SENSOR)

(a) Disconnect the e1 fuel tank pressure sensor connector.

(b) Turn the power switch on (IG).

(c) Check the MIL.

Result:





(d) Reconnect the fuel tank pressure sensor connector.

A -- REPLACE FUEL TANK PRESSURE SENSOR
B -- Continue to next step.

10. CHECK MIL (FUEL PRESSURE SENSOR)

(a) Disconnect the E72 fuel pressure sensor connector.

(b) Turn the power switch on (IG).

(c) Check the MIL.

Result:





(d) Reconnect the fuel pressure sensor connector.

A -- REPLACE FUEL PRESSURE SENSOR
B -- Continue to next step.

11. CHECK HARNESS AND CONNECTOR

(a) Disconnect the E39 throttle body assembly connector.

(b) Disconnect the E50 VVT sensor for intake camshaft (bank 1) connector.

(c) Disconnect the E58 VVT sensor for exhaust camshaft (bank 1) connector.

(d) Disconnect the E60 VVT sensor for intake camshaft (bank 2) connector.

(e) Disconnect the E66 VVT sensor for exhaust camshaft (bank 2) connector.

(f) Disconnect the V17 or x1 canister pump module connector.

(g) Disconnect the e1 fuel tank pressure sensor connector.

(h) Disconnect the E72 fuel pressure sensor connector.

(i) Disconnect the E83 ECM connectors.

(j) Measure the resistance.

Standard resistance (check for short):





(k) Reconnect the ECM connector.

(l) Reconnect the fuel pressure sensor connector.

(m) Reconnect the fuel tank pressure sensor connector.

(n) Reconnect the canister pump module connector.

(o) Reconnect the VVT sensor connectors.

(p) Reconnect the throttle body assembly connector.

NG -- REPAIR OR REPLACE HARNESS OR CONNECTOR

OK -- REPLACE ECM Removal