Variable Valve Timing Relay: Testing and Inspection
1UR-FSE ENGINE CONTROL SYSTEM: VVT RELAY: ON-VEHICLE INSPECTION
1. REMOVE COOL AIR INTAKE DUCT SEAL Removal
2. REMOVE ENGINE ROOM SIDE COVER LH Removal
3. DISCONNECT CABLE FROM NEGATIVE BATTERY TERMINAL
NOTICE:
When disconnecting the cable, some systems need to be initialized after the cable is reconnected Repair Instruction - Initialization.
4. REMOVE VVT RELAY (VVT RH, VVT LH)
(a) Remove the VVT relay from the engine room No. 2 relay block.
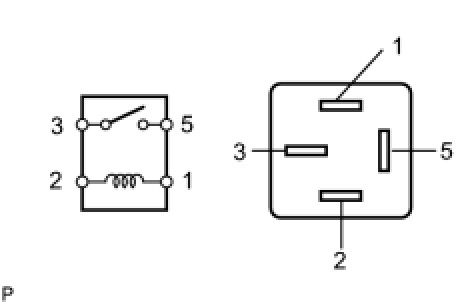
5. INSPECT VVT RELAY
(a) Measure the resistance according to the value(s) in the table below.
Standard resistance:
If the result is not as specified, replace the relay.
6. INSTALL VVT RELAY
7. CONNECT CABLE TO NEGATIVE BATTERY TERMINAL
NOTICE:
When disconnecting the cable, some systems need to be initialized after the cable is reconnected Repair Instruction - Initialization.
8. INSTALL ENGINE ROOM SIDE COVER LH Installation
9. INSTALL COOL AIR INTAKE DUCT SEAL Installation