Operation CHARM: Car repair manuals for everyone.
Manuals through 2025 now available!

Our trusted friends have launched a new website named LEMON, which has newer manuals. It also contains all the CHARM manuals.

LEMON is the spiritual successor to CHARM, I recommend you try it!

Link: lemon-manuals.la or lemon-manuals.org.ua

(Some people have issue connecting. LEMON is investigating. For now, use Firefox or change your DNS server)

Or, hide this message: temporarily or permanently

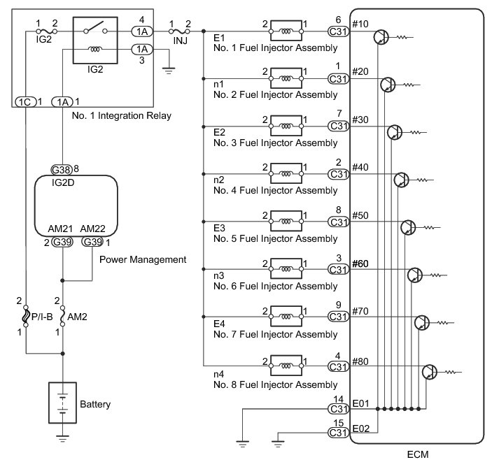
Fuel Injector Circuit





1UR-FE ENGINE CONTROL: SFI SYSTEM: Fuel Injector Circuit
- Fuel Injector Circuit

DESCRIPTION

The fuel injectors are located on the intake manifold. They inject fuel into the cylinders based on the signals from the ECM.

WIRING DIAGRAM





INSPECTION PROCEDURE

NOTICE:
Inspect the fuses for circuits related to this system before performing the following inspection procedure.

PROCEDURE

1. INSPECT FUEL INJECTOR ASSEMBLY (POWER SOURCE)





(a) Disconnect the fuel injector connector.

(b) Turn the engine switch on (IG).

(c) Measure the voltage according to the value(s) in the table below.

Standard Voltage:





Text in Illustration





NG -- INSPECT NO. 1 INTEGRATION RELAY (IG2)
OK -- Continue to next step.

2. INSPECT FUEL INJECTOR ASSEMBLY

(a) Inspect the fuel injector assembly Testing and Inspection.

NG -- REPLACE FUEL INJECTOR ASSEMBLY Removal
OK -- Continue to next step.

3. CHECK HARNESS AND CONNECTOR (FUEL INJECTOR - ECM)

(a) Disconnect the fuel injector connector.

(b) Disconnect the ECM connector.

(c) Measure the resistance according to the value(s) in the table below.

Standard Resistance:





NG -- REPAIR OR REPLACE HARNESS OR CONNECTOR

OK -- REPLACE ECM Removal

4. INSPECT NO. 1 INTEGRATION RELAY (IG2)

(a) Inspect the No. 1 integration relay (IG2) Testing and Inspection.

NG -- REPLACE NO. 1 INTEGRATION RELAY Testing and Inspection

OK -- REPAIR OR REPLACE HARNESS OR CONNECTOR (NO. 1 INTEGRATION RELAY - FUEL INJECTOR)