Operation CHARM: Car repair manuals for everyone.
Manuals through 2025 now available!

Our trusted friends have launched a new website named LEMON, which has newer manuals. It also contains all the CHARM manuals.

LEMON is the spiritual successor to CHARM, I recommend you try it!

Link: lemon-manuals.la or lemon-manuals.org.ua

(Some people have issue connecting. LEMON is investigating. For now, use Firefox or change your DNS server)

Or, hide this message: temporarily or permanently

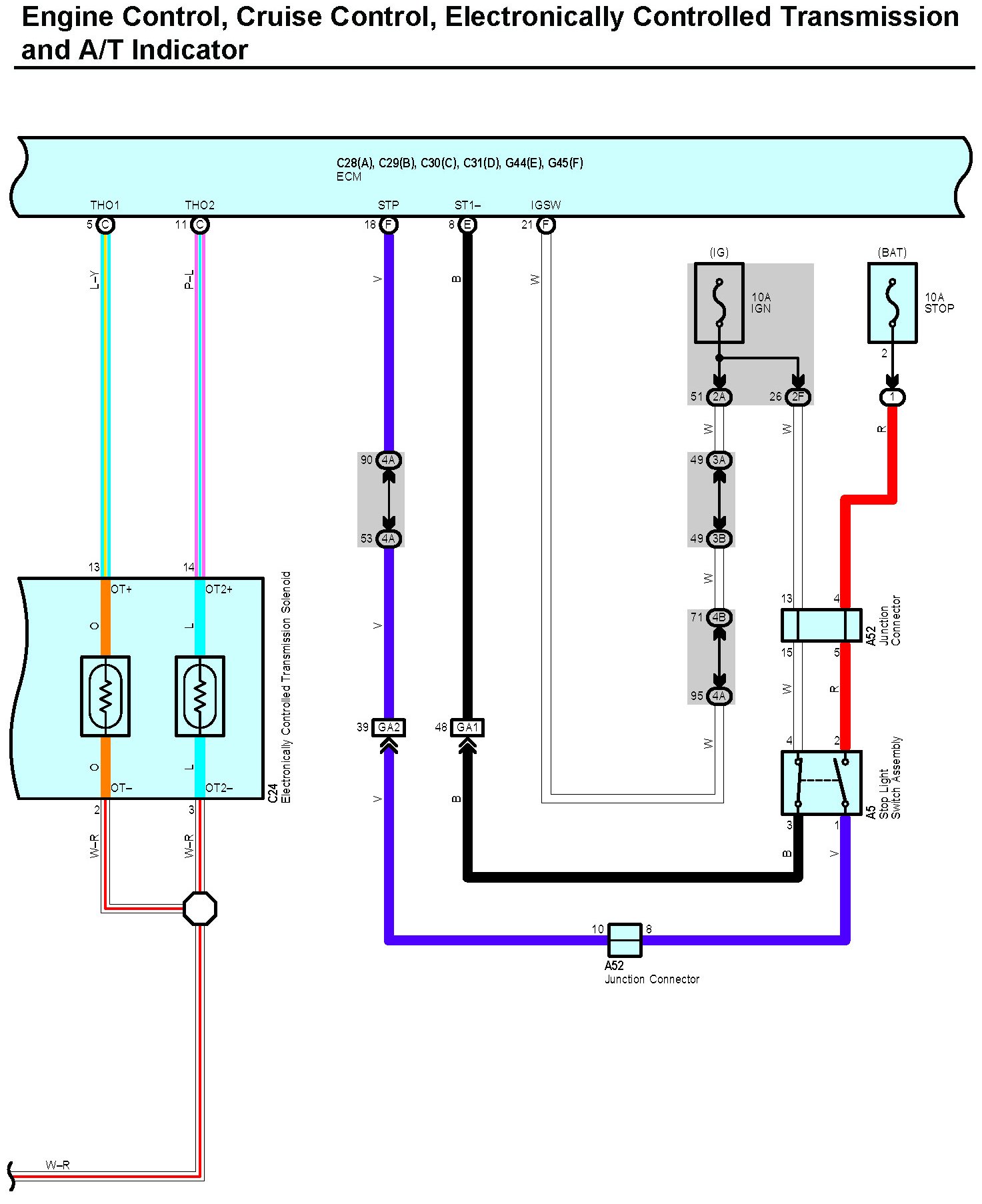
Engine Control Part 19

Engine Control, Cruise Control, Electronically Controlled Transmission and A/T Indicator Part 19:




Engine Control, Cruise Control, Electronically Controlled Transmission and A/T Indicator Part 20:




Engine Control, Cruise Control, Electronically Controlled Transmission and A/T Indicator Part 21:






Next Diagram Engine Control Part 20

Previous Diagram Engine Control Part 18


Locations: The locations of components, connectors, ground points, and splices referred to within these diagrams can be found at Vehicle Locations. Locations

Connector Views: Diagrams of the connectors referred to within these diagrams can be found at Connector Views by Connector Number. Connector Views By Connector Number