Operation CHARM: Car repair manuals for everyone.
Manuals through 2025 now available!

Our trusted friends have launched a new website named LEMON, which has newer manuals. It also contains all the CHARM manuals.

LEMON is the spiritual successor to CHARM, I recommend you try it!

Link: lemon-manuals.la or lemon-manuals.org.ua

(Some people have issue connecting. LEMON is investigating. For now, use Firefox or change your DNS server)

Or, hide this message: temporarily or permanently

Starting System: Testing and Inspection





1UR-FE ENGINE CONTROL: SFI SYSTEM: Starter Signal Circuit
- Starter Signal Circuit

DESCRIPTION

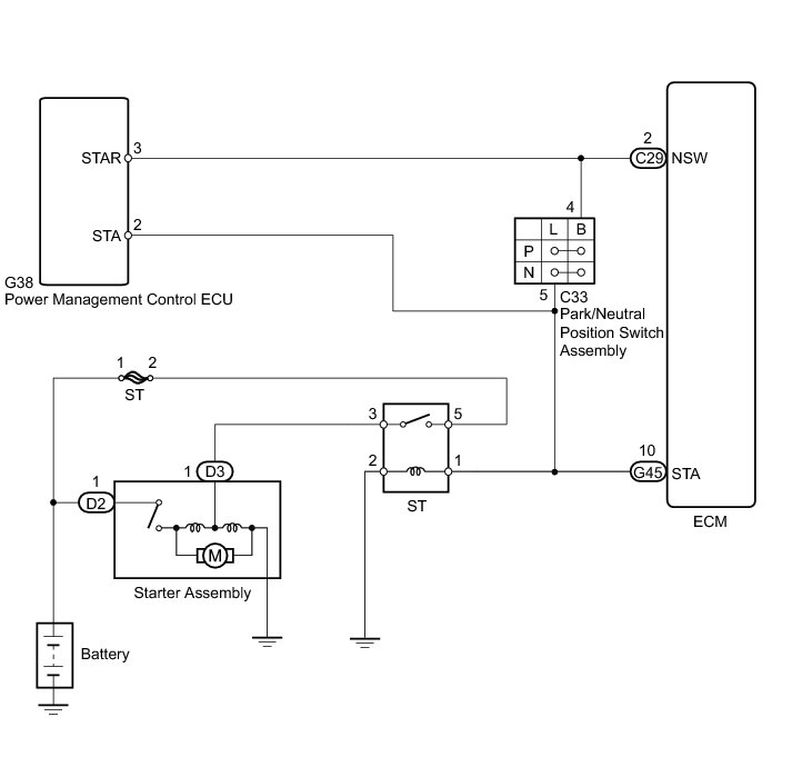
While the engine is being cranked, current flows from terminal STAR of the power management control ECU to the park/neutral position switch and also flows to terminal STA of the ECM (STA signal).

WIRING DIAGRAM





INSPECTION PROCEDURE

NOTICE:
Inspect the fuses for circuits related to this system before performing the following inspection procedure.

HINT
This chart is based on the premise that the engine can crank normally. If the engine cannot crank normally, proceed to Problem Symptoms Table Symptom Related Diagnostic Procedures.

PROCEDURE

1. READ VALUE USING TECHSTREAM (STARTER SIGNAL)

(a) Connect the Techstream to the DLC3.

(b) Turn the engine switch on (IG).

(c) Turn the Techstream on.

(d) Enter the following menus: Powertrain / Engine and ECT / Data List / Starter Signal.

(e) Read the value.

OK:





NG -- CHECK STARTER RELAY (ST) (POWER SOURCE)

OK -- PROCEED TO NEXT SUSPECTED AREA SHOWN IN PROBLEM SYMPTOMS TABLE Symptom Related Diagnostic Procedures

2. CHECK STARTER RELAY (ST) (POWER SOURCE)

(a) Remove the starter relay (ST) from the engine room relay block.





(b) Measure the voltage according to the value(s) in the table below.

Standard Voltage:





HINT
The engine does not crank because the relay is not installed.

Text in Illustration





(c) Reinstall the starter relay (ST).

NG -- CHECK HARNESS AND CONNECTOR (STARTER RELAY (ST) - PARK/NEUTRAL POSITION SWITCH)
OK -- Continue to next step.

3. INSPECT STARTER RELAY (ST)

(a) Inspect the starter relay (ST) Testing and Inspection.

NG -- REPLACE STARTER RELAY (ST)
OK -- Continue to next step.

4. CHECK HARNESS AND CONNECTOR (STARTER RELAY (ST) - BODY GROUND)

(a) Remove the starter relay (ST) from the engine room relay block.

(b) Measure the resistance according to the value(s) in the table below.

Standard Resistance:





(c) Reinstall the starter relay (ST).

NG -- REPAIR OR REPLACE HARNESS OR CONNECTOR (STARTER RELAY (ST) - BODY GROUND)

OK -- REPAIR OR REPLACE HARNESS OR CONNECTOR (ECM - PARK/NEUTRAL POSITION SWITCH)

5. CHECK HARNESS AND CONNECTOR (STARTER RELAY (ST) - PARK/NEUTRAL POSITION SWITCH)

(a) Remove the starter relay (ST) from the engine room relay block.

(b) Disconnect the park/neutral position switch connector.

(c) Measure the resistance according to the value(s) in the table below.

Standard Resistance (Check for Open):





Standard Resistance (Check for Short):





(d) Reinstall the starter relay (ST).

(e) Reconnect the park/neutral position switch connector.

NG -- REPAIR OR REPLACE HARNESS OR CONNECTOR
OK -- Continue to next step.

6. INSPECT PARK/NEUTRAL POSITION SWITCH ASSEMBLY

(a) Inspect the park/neutral position switch assembly Component Tests and General Diagnostics.

NG -- REPLACE PARK/NEUTRAL POSITION SWITCH ASSEMBLY Removal
OK -- Continue to next step.

7. CHECK HARNESS AND CONNECTOR (PARK/NEUTRAL POSITION SWITCH - POWER MANAGEMENT CONTROL ECU)

(a) Disconnect the park/neutral position switch connector.

(b) Disconnect the power management control ECU connector.

(c) Measure the resistance according to the value(s) in the table below.

Standard Resistance (Check for Open):





Standard Resistance (Check for Short):





(d) Reconnect the park/neutral position switch connector.

(e) Reconnect the power management control ECU connector.

NG -- REPAIR OR REPLACE HARNESS OR CONNECTOR

OK -- GO TO SMART ACCESS SYSTEM WITH PUSH-BUTTON START How To Proceed With Troubleshooting