Operation CHARM: Car repair manuals for everyone.
Manuals through 2025 now available!

Our trusted friends have launched a new website named LEMON, which has newer manuals. It also contains all the CHARM manuals.

LEMON is the spiritual successor to CHARM, I recommend you try it!

Link: lemon-manuals.la or lemon-manuals.org.ua

(Some people have issue connecting. LEMON is investigating. For now, use Firefox or change your DNS server)

Or, hide this message: temporarily or permanently

Engine Does Not Start





4GR-FSE STARTING: SMART ACCESS SYSTEM WITH PUSH-BUTTON START: Engine does not Start
- Engine does not Start

DESCRIPTION

1. ENGINE START SYSTEM OPERATION

(a) A/T Models: If the engine switch is pressed with the shift lever in P or N and the brake pedal depressed, the power source control ECU determines that it is an engine start request.

(b) M/T Models: If the engine switch is pressed with the clutch pedal depressed, the power source control ECU determines that it is an engine start request.

(c) The certification ECU and other ECUs perform key verification via the LIN communication line.

(d) The power source control ECU activates the ACC relay.

(e) The power source control ECU activates the IG1 and IG2 relays. The engine switch indicator light turns green.

(f) The certification ECU outputs a steering UNLOCK signal. The signal is sent to the steering lock ECU via the power source control ECU.

(g) The power source control ECU sends an engine start request signal to the ECM.

(h) The ECM sends an ACC cut request signal to the power source control ECU.

(i) The ECM and power source control ECU activate the ST relay.

(j) The power source control ECU deactivates the ACC relay until the ECU detects an engine start.

(k) When engine revolution speed reaches 200 rpm, the power source control ECU determines that the engine has been started.

The ECU reactivates the ACC relay and turns off the engine switch indicator light.









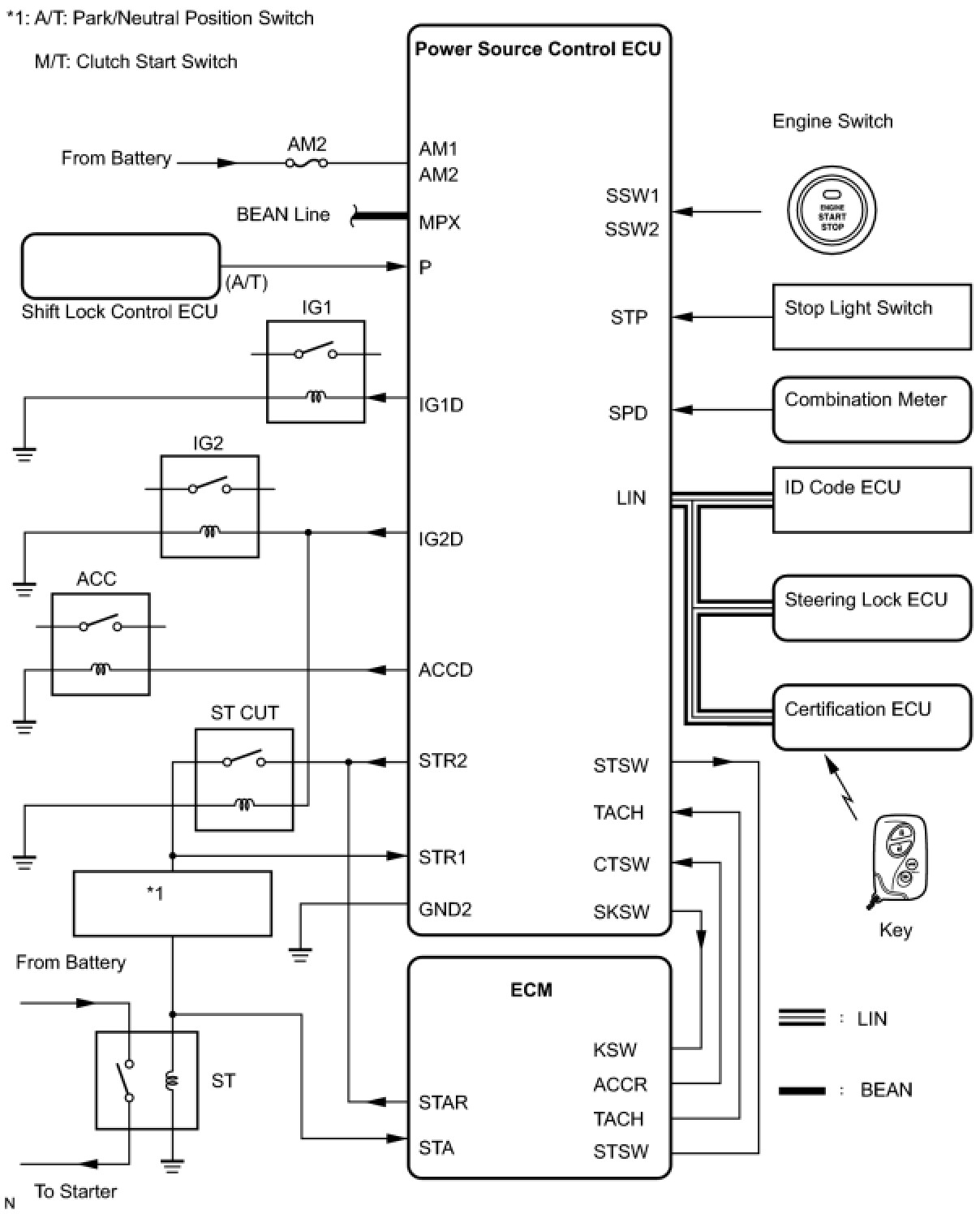
WIRING DIAGRAM

See CRANKING HOLDING FUNCTION CIRCUIT Cranking Holding Function Circuit.

INSPECTION PROCEDURE

PROCEDURE

1. CHECK IF ENGINE START (INITIALIZE STEERING LOCK)

(a) Shift lever is in the P position.

(b) Open and close the driver's door with the engine switch off. Check if the engine can be started.

OK:

Engine can be started.

HINT
After the battery is discharged and then recharged, the engine may not start unless the steering lock is initialized using the above procedure.

OK -- END
NG -- Continue to next step.

2. CHECK FOR DTC

(a) Delete the DTCs Reading and Clearing Diagnostic Trouble Codes.

(b) Check for DTCs again.

OK:

No DTC is output.

NG -- GO TO DTC CHART
OK -- Continue to next step.

3. CHECK SWITCH CONDITION

(a) Check the engine start function.

(1) A/T Models: When the key is inside the vehicle and the shift lever is in P, check that pressing the engine switch causes the power source mode to change as follows.

(2) M/T Models: When the key is inside the vehicle, check the brake pedal causes the engine to start.

OK:

Engine starts.

HINT
* If power mode does not change to ON (IG and ACC) Power Source Mode Does Not Change To ON (IG and ACC).
* If power mode does not change to ON (IG) Power Source Mode Does Not Change To ON (IG).
* If power mode does not change to ON (ACC) Power Source Mode Does Not Change To ON (ACC).

NG -- PROCEED TO APPROPRIATE PROBLEM SYMPTOMS SHOWN IN PROBLEM SYMPTOMS TABLE
OK -- Continue to next step.

4. CHECK BASIC FUNCTION

(a) Check the engine cranking function.

(1) A/T Models: When there is fuel in the fuel tank, the key is inside the vehicle and the shift lever is in P, check that depressing the brake pedal and pressing the engine switch crank the engine.

(2) M/T Models: When there is fuel in the tank and the key is inside the vehicle, check that depressing the clutch pedal and the brake pedal and pressing the engine switch crank the engine.

OK:

Engine cranks.

NG -- READ VALUE USING TECHSTREAM (L CODE)
OK -- Continue to next step.

5. READ VALUE USING TECHSTREAM (STA SIGNAL)

(a) Connect Techstream to the DLC3.

(b) Turn the engine switch on (IG).

(c) Check the result when the engine switch is turned on (IG) and the engine is started.

Standard:





OK:

ON (ENGINE START) and OFF (ENGINE SWITCH ON (IG)) appear on the screen.

OK -- INSPECT RELAY (STARTER)
NG -- Continue to next step.

6. READ VALUE USING TECHSTREAM (STOP LIGHT SWITCH)

(a) Connect Techstream to the DLC3.

(b) Turn the engine switch on (IG).

(c) Check the DATA LIST for proper functioning of the stop light switch.

Body:





OK:

ON (brake pedal (A/T) or clutch pedal (M/T) depressed) and OFF (brake pedal (A/T) or clutch pedal (M/T) released) appear on the screen.

HINT
If the result of the inspection for a tester display is not as specified, perform troubleshooting for DTC B2284 first B2284.

NG -- GO TO DTC CHART
OK -- Continue to next step.

7. READ VALUE USING TECHSTREAM (STEERING LOCK)

(a) Connect Techstream to the DLC3.

(b) Turn the engine switch on (IG).

Body:





OK:

ON (steering is unlocked) and OFF (steering is locked) appear on the screen.

NG -- CHECK WIRE HARNESS (POWER SOURCE CONTROL ECU - STEERING LOCK ECU)
OK -- Continue to next step.

8. CHECK STEERING LOCK

(a) Check if the steering lock is released when turning the engine switch on (ACC).

OK:

The steering lock is released.

NG -- GO TO STEERING LOCK SYSTEM
OK -- Continue to next step.

9. INSPECT ECM (STAR AND STSW VOLTAGE)

(a) Measure the voltage of the A5 and E4 ECM connectors while cranking the engine.





Standard voltage:





Result:





C -- CHECK HARNESS AND CONNECTOR (POWER SOURCE CONTROL ECU - ECM)

B -- REPLACE ECM
A -- Continue to next step.

10. INSPECT RELAY (ST CUT)

(a) Remove the ST CUT relay from the engine room J/B and R/B No. 2.





(b) Measure the resistance of the ST CUT relay.

Standard resistance:





NG -- REPLACE RELAY
OK -- Continue to next step.

11. INSPECT PARK/NEUTRAL POSITION SWITCH (A/T) OR CLUTCH START SWITCH (M/T)

(a) Disconnect the park/neutral position (PNP) switch (A/T) or clutch switch (M/T) connector.





(b) Measure the resistance between each terminal shown below when the shift lever is moved to each range.

Standard resistance (A/T):





Standard resistance (M/T):





NG -- REPLACE PNP SWITCH (A/T) OR CLUTCH START SWITCH (M/T)

OK -- CHECK AND REPLACE HARNESS AND CONNECTOR (PARK/NEUTRAL POSITION SWITCH - ECM, ECM - ST CUT RELAY, ST)

12. INSPECT RELAY (STARTER)

(a) Remove the starter relay from the engine room J/B and R/B No. 1.





(b) Measure the resistance of the starter relay.

Standard resistance:





NG -- REPLACE RELAY
OK -- Continue to next step.

13. CHECK HARNESS AND CONNECTOR (PNP SWITCH (A/T) OR CLUTCH START SWITCH (M/T) - ST RELAY)

(a) Check the harness and the connectors between the park/neutral position switch and the starter relay.





(1) Disconnect the E45*1 or A24*2 switch connector.

*1: A/T

*2: M/T

(2) Remove the starter relay from the engine room J/B and R/B No. 1.

(3) Measure the resistance of the wire harness side connectors.

Standard resistance (A/T) (Check for open):





Standard resistance (M/T) (Check for open):





Standard resistance (A/T) (Check for short):





Standard resistance (M/T) (Check for short):





(b) Check the harness and the connector between the starter relay and the body ground.

(1) Remove the starter relay from the engine room J/B and R/B No. 1.

(2) Measure the resistance of the starter relay and the body ground.

Standard resistance (Check for open):





NG -- REPAIR OR REPLACE HARNESS OR CONNECTOR
OK -- Continue to next step.

14. INSPECT ENGINE ROOM RELAY BLOCK (STARTER RELAY VOLTAGE)

(a) Remove the starter relay from the engine room J/B and R/B No. 1.





(b) Measure the voltage of the engine room J/B and R/B No. 1 and the body ground.

Standard voltage:





NG -- REPAIR OR REPLACE HARNESS OR CONNECTOR
OK -- Continue to next step.

15. INSPECT STARTER ASSEMBLY

HINT
Testing and Inspection.

NG -- REPAIR OR REPLACE STARTER ASSEMBLY

OK -- REPAIR OR REPLACE HARNESS OR CONNECTOR (STARTER RELAY - STARTER, STARTER - BATTERY)

16. CHECK HARNESS AND CONNECTOR (POWER SOURCE CONTROL ECU - ECM)

(a) Check the harness and the connectors between the power source control ECU and ECM.





(1) Disconnect the power source control ECU connector.

(2) Disconnect the A5 ECM connector.

(3) Measure the resistance of the wire harness side connectors.

Standard resistance (Check for open):





Standard resistance (Check for short):





NG -- REPAIR OR REPLACE HARNESS OR CONNECTOR
OK -- Continue to next step.

17. CHECK AND REPLACE POWER SOURCE CONTROL ECU

(a) Replace the power source control ECU.

(b) Check the engine cranking function.

(1) A/T Models: When there is fuel in the fuel tank, the key is inside the vehicle and the shift lever is in P, check that depressing the brake pedal and pressing the engine switch crank the engine.

(2) M/T Models: When there is fuel in the tank and the key is inside the vehicle, check that depressing the clutch pedal and the brake pedal and pressing the engine switch crank the engine.

OK:

Engine cranks.

HINT
After the power source control ECU is replaced, the engine may not start unless each system is initialized using the above procedure.

NG -- REPLACE ECM

OK -- END

18. READ VALUE USING TECHSTREAM (L CODE)

(a) Reconnect the connectors.

(b) Connect Techstream to the DLC3.

(c) Turn the engine switch on (IG).

Smart Access:





OK:

OK is displayed on the screen.

HINT
If the result of the inspection for a tester display is not as specified, there may be malfunction of the steering lock ECU or the ID code box.

NG -- GO TO ENGINE IMMOBILIZER SYSTEM
OK -- Continue to next step.

19. READ VALUE USING TECHSTREAM (ENGINE START REQUEST)

(a) Connect Techstream to the DLC3.

(b) Turn the engine switch on (IG).

Smart Access:





OK:

OK (received) and NG (non-received) appear on the screen.

NG -- REPLACE CERTIFICATION ECU
OK -- Continue to next step.

20. READ VALUE USING TECHSTREAM (S CODE)

(a) Connect Techstream to the DLC3.

(b) Turn the engine switch on (IG).

Smart Access:





OK:

OK is displayed on the screen.

HINT
If the result of the inspection for a tester display is not as specified, there may be malfunction of the certification ECU or the ID code box.

NG -- GO TO ENGINE IMMOBILIZER SYSTEM
OK -- Continue to next step.

21. INSPECT ID CODE BOX

(a) Check the input signal waveform.





(1) Connect the oscilloscope to the terminals J69-6 (EFIO) and A6-6 (IMI).

(2) Turn the engine switch on (IG).

(3) Check the signal waveform according to the condition(s) in the table below.





NG -- REPLACE ID CODE BOX

OK -- END

22. CHECK WIRE HARNESS (POWER SOURCE CONTROL ECU - STEERING LOCK ECU)

(a) Disconnect the ECU connector.





(b) Measure the resistance according to the value(s) in the table below.

Standard resistance:





NG -- REPAIR OR REPLACE HARNESS OR CONNECTOR
OK -- Continue to next step.

23. INSPECT POWER SOURCE CONTROL ECU

(a) Reconnect the J55 ECU connector.





(b) Connect the oscilloscope to the power source control ECU terminals specified in the table below and check the waveform.









OK:

The waveform appears as shown in the illustration.

HINT
The waveform varies depending on the contents of communication.

NG -- REPLACE POWER SOURCE CONTROL ECU
OK -- Continue to next step.

24. INSPECT STEERING LOCK ECU

(a) Reconnect the J29 ECU connector.





(b) Connect the oscilloscope to the power source control ECU terminals specified in the table below and check the waveform.









OK:

The waveform appears as shown in the illustration.

HINT
The waveform varies depending on the contents of communication.

NG -- REPLACE STEERING LOCK ECU

OK -- REPLACE POWER SOURCE CONTROL ECU