Operation CHARM: Car repair manuals for everyone.
Manuals through 2025 now available!

Our trusted friends have launched a new website named LEMON, which has newer manuals. It also contains all the CHARM manuals.

LEMON is the spiritual successor to CHARM, I recommend you try it!

Link: lemon-manuals.la or lemon-manuals.org.ua

(Some people have issue connecting. LEMON is investigating. For now, use Firefox or change your DNS server)

Or, hide this message: temporarily or permanently

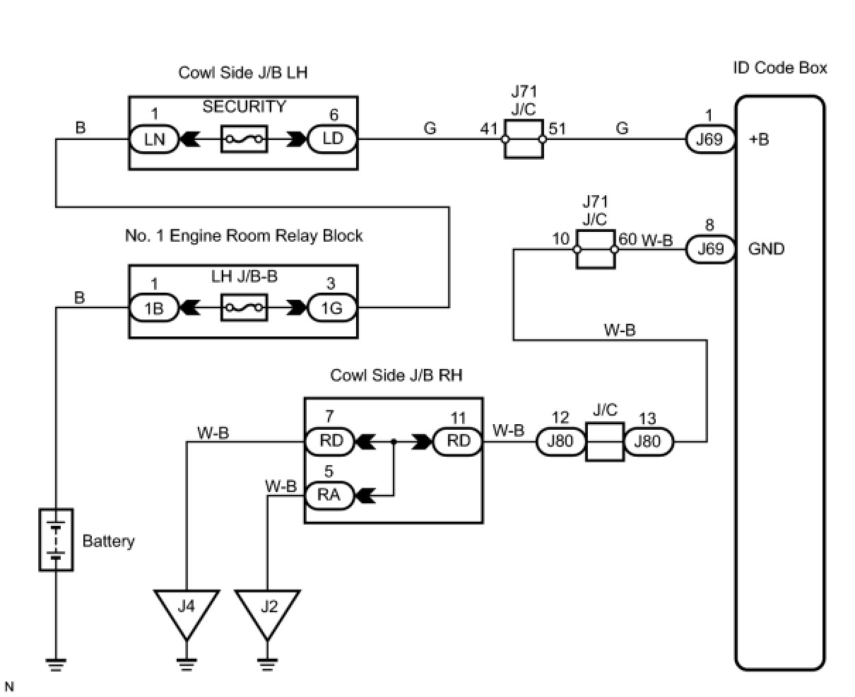
ID Code Box Power Source Circuit





ENGINE IMMOBILIZER: ENGINE IMMOBILIZER SYSTEM: ID Code Box Power Source Circuit
- ID Code Box Power Source Circuit

DESCRIPTION

This circuit provides power to operate the ID code box.

WIRING DIAGRAM





INSPECTION PROCEDURE

PROCEDURE

1. INSPECT FUSE (SECURITY)

(a) Remove the SECURITY fuse from the cowl side junction block RH.

(b) Measure the resistance of the fuse.

Standard resistance:

Below 1 Ohms

NG -- REPLACE FUSE
OK -- Continue to next step.

2. CHECK HARNESS AND CONNECTOR (ID CODE BOX - BATTERY)

(a) Disconnect the J69 ECU connector.





(b) Measure the voltage according to the value(s) in the table below.

Standard voltage:





NG -- REPAIR OR REPLACE HARNESS OR CONNECTOR
OK -- Continue to next step.

3. CHECK HARNESS AND CONNECTOR (ID CODE BOX - BODY GROUND)

(a) Measure the resistance according to the value(s) in the table below.





Standard resistance:





NG -- REPAIR OR REPLACE HARNESS OR CONNECTOR

OK -- PROCEED TO NEXT CIRCUIT INSPECTION SHOWN IN PROBLEM SYMPTOMS TABLE