Operation CHARM: Car repair manuals for everyone.
Manuals through 2025 now available!

Our trusted friends have launched a new website named LEMON, which has newer manuals. It also contains all the CHARM manuals.

LEMON is the spiritual successor to CHARM, I recommend you try it!

Link: lemon-manuals.la or lemon-manuals.org.ua

(Some people have issue connecting. LEMON is investigating. For now, use Firefox or change your DNS server)

Or, hide this message: temporarily or permanently

Navigation System

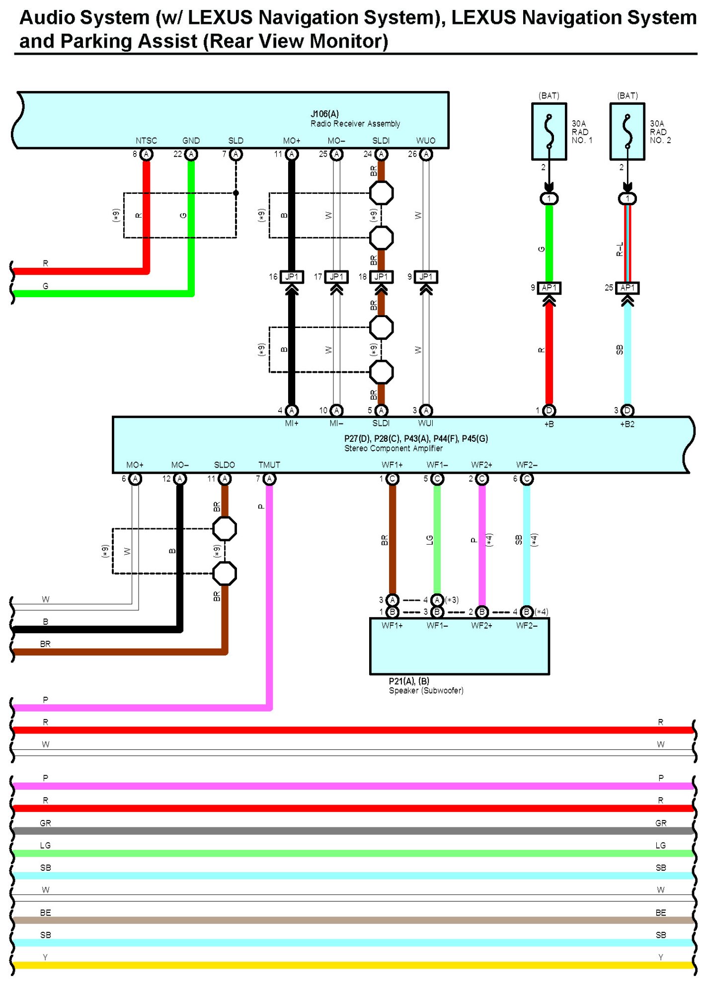
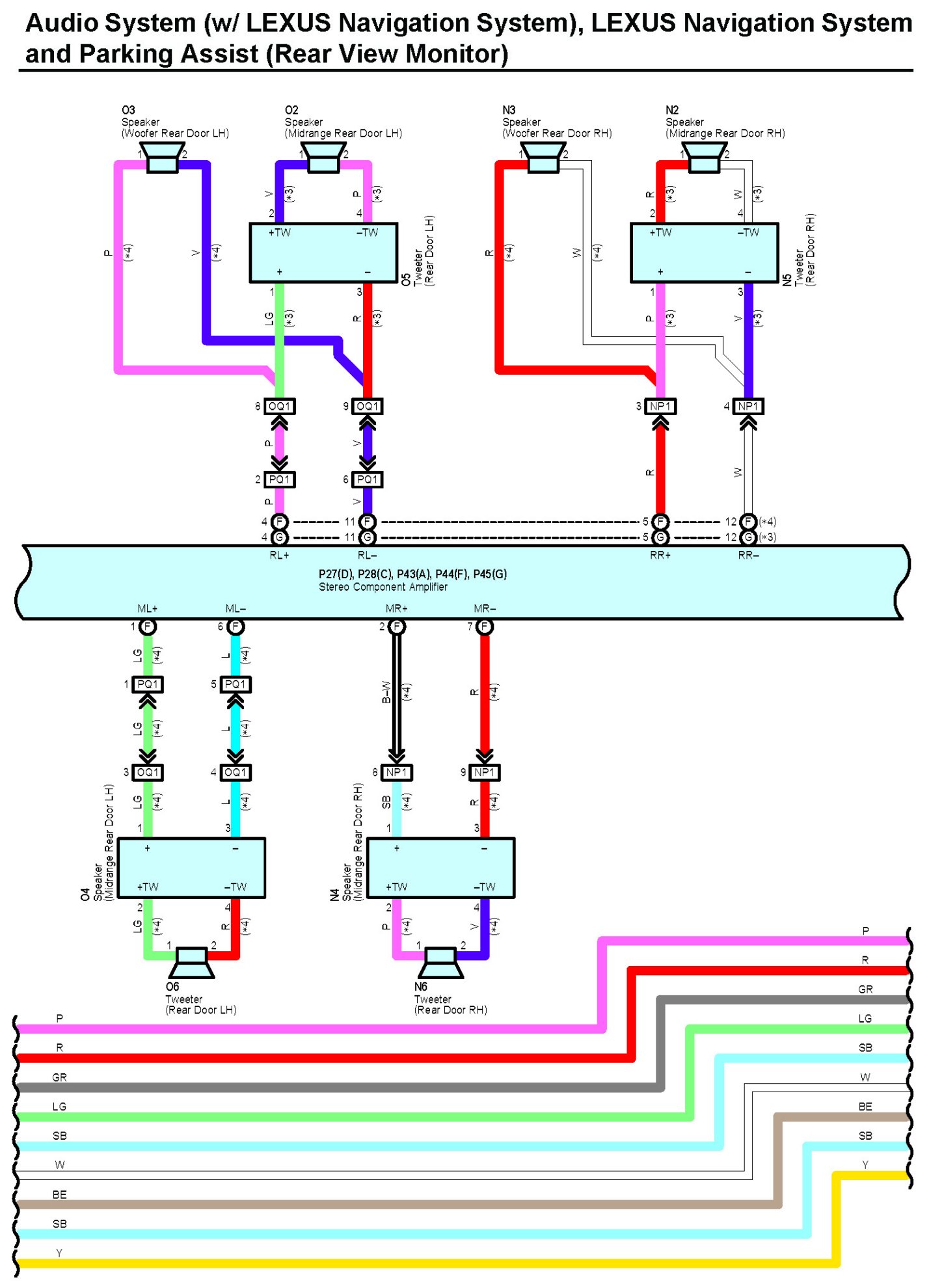
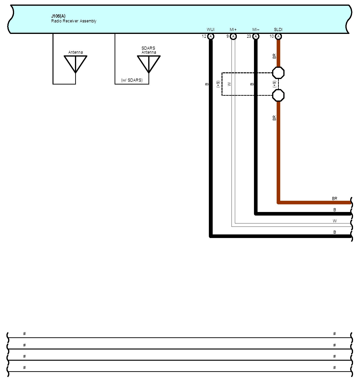
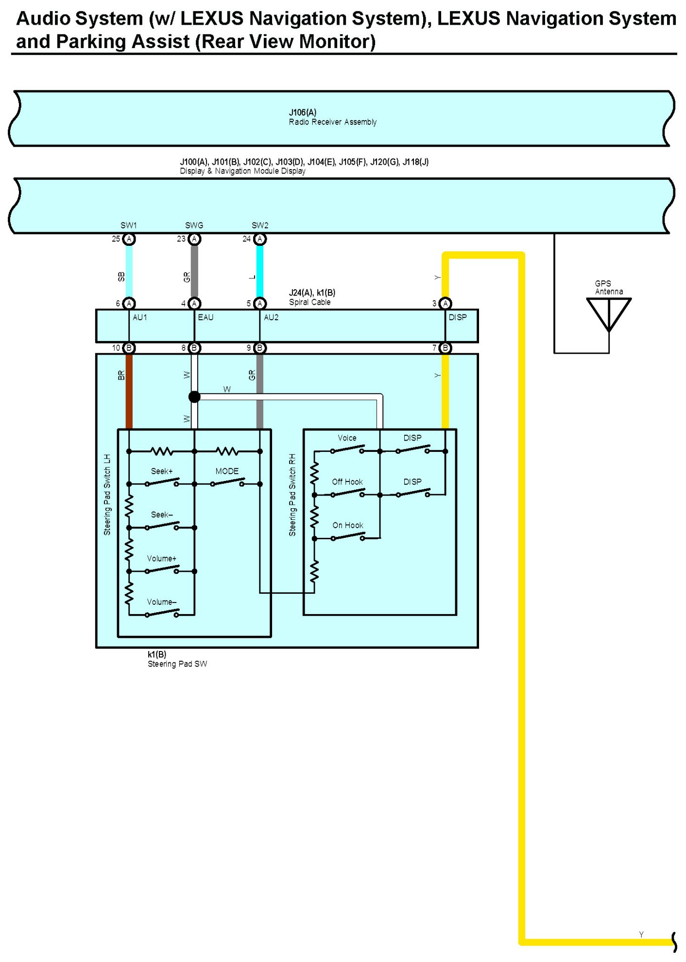
Audio System (w/ Lexus Navigation System), Lexus Navigation System and Parking Assist (Rear View Monitor) Part 1:




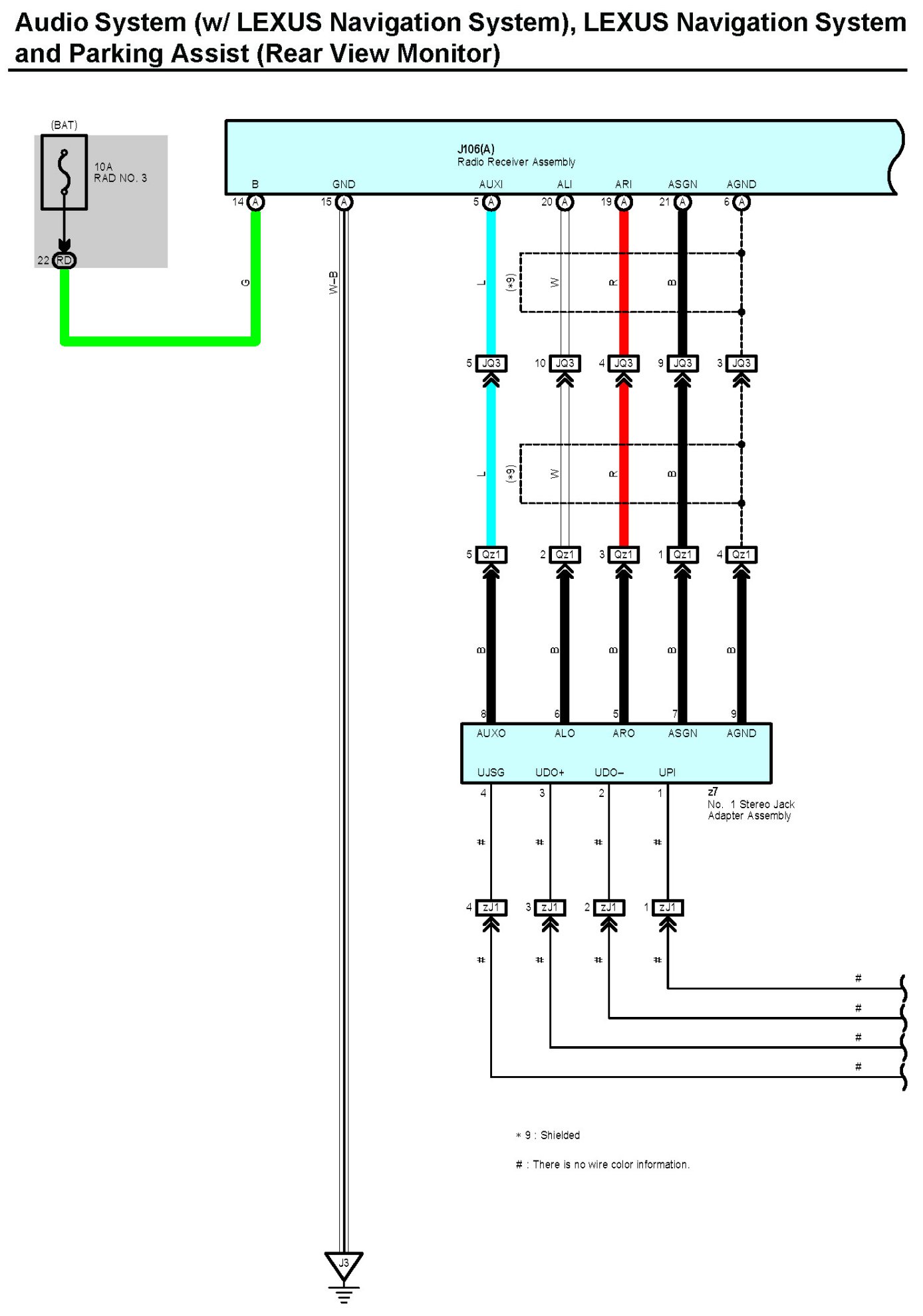
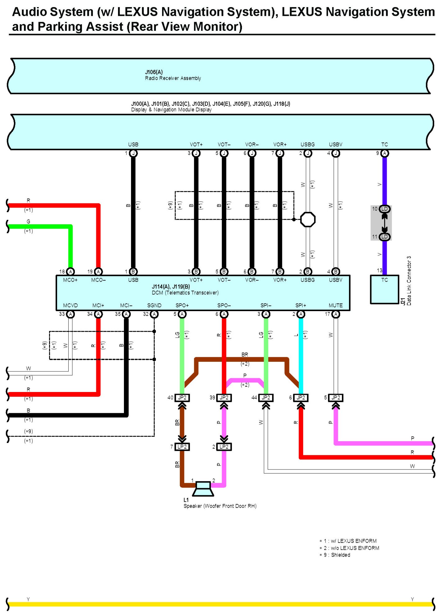
Audio System (w/ Lexus Navigation System), Lexus Navigation System and Parking Assist (Rear View Monitor) Part 2:




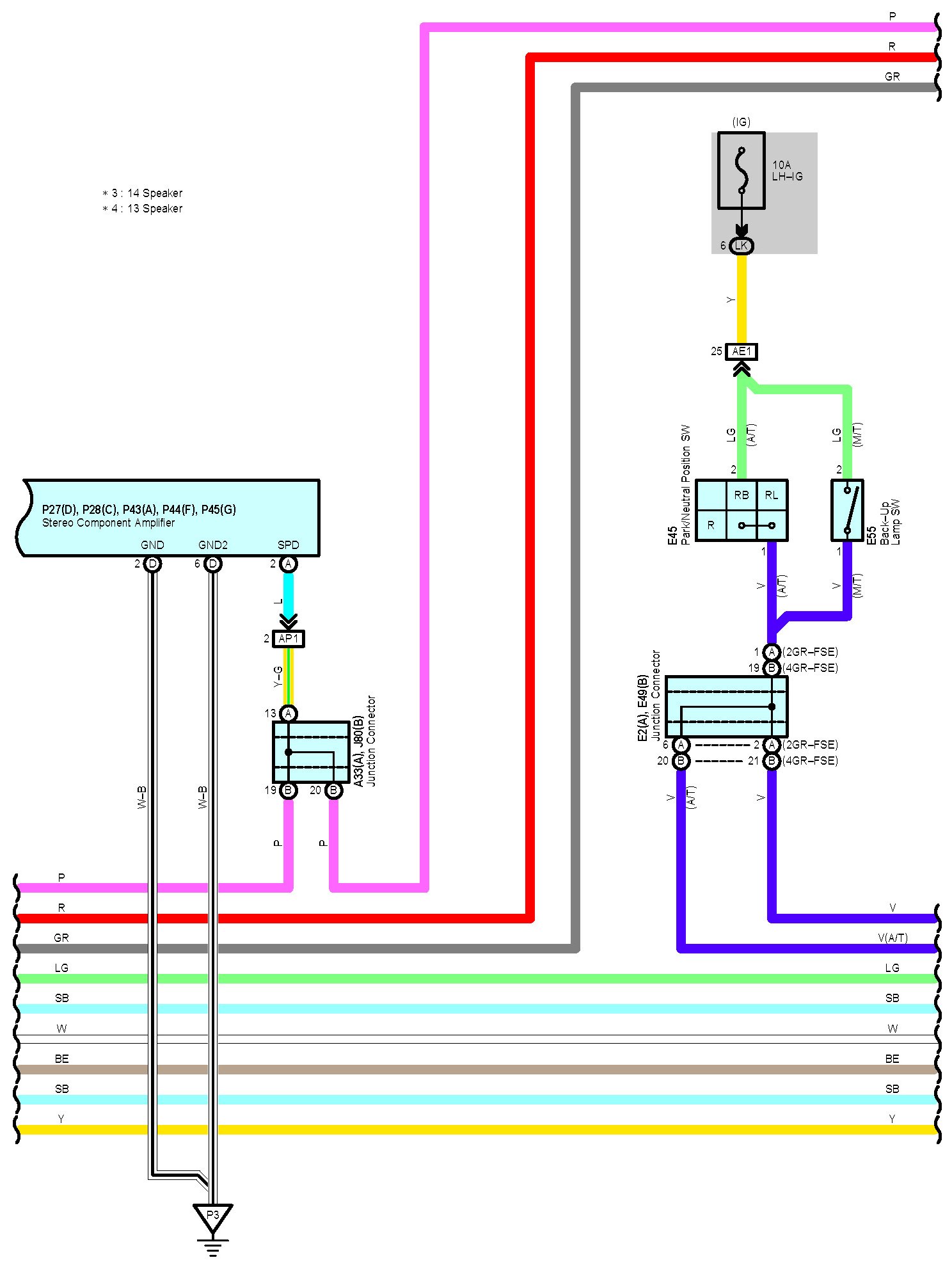
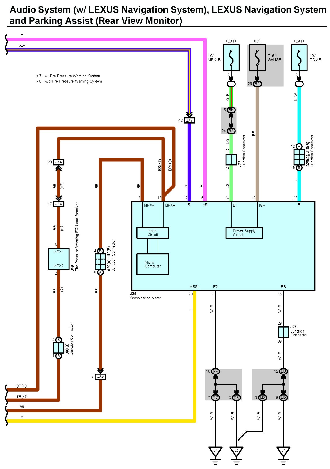
Audio System (w/ Lexus Navigation System), Lexus Navigation System and Parking Assist (Rear View Monitor) Part 3:




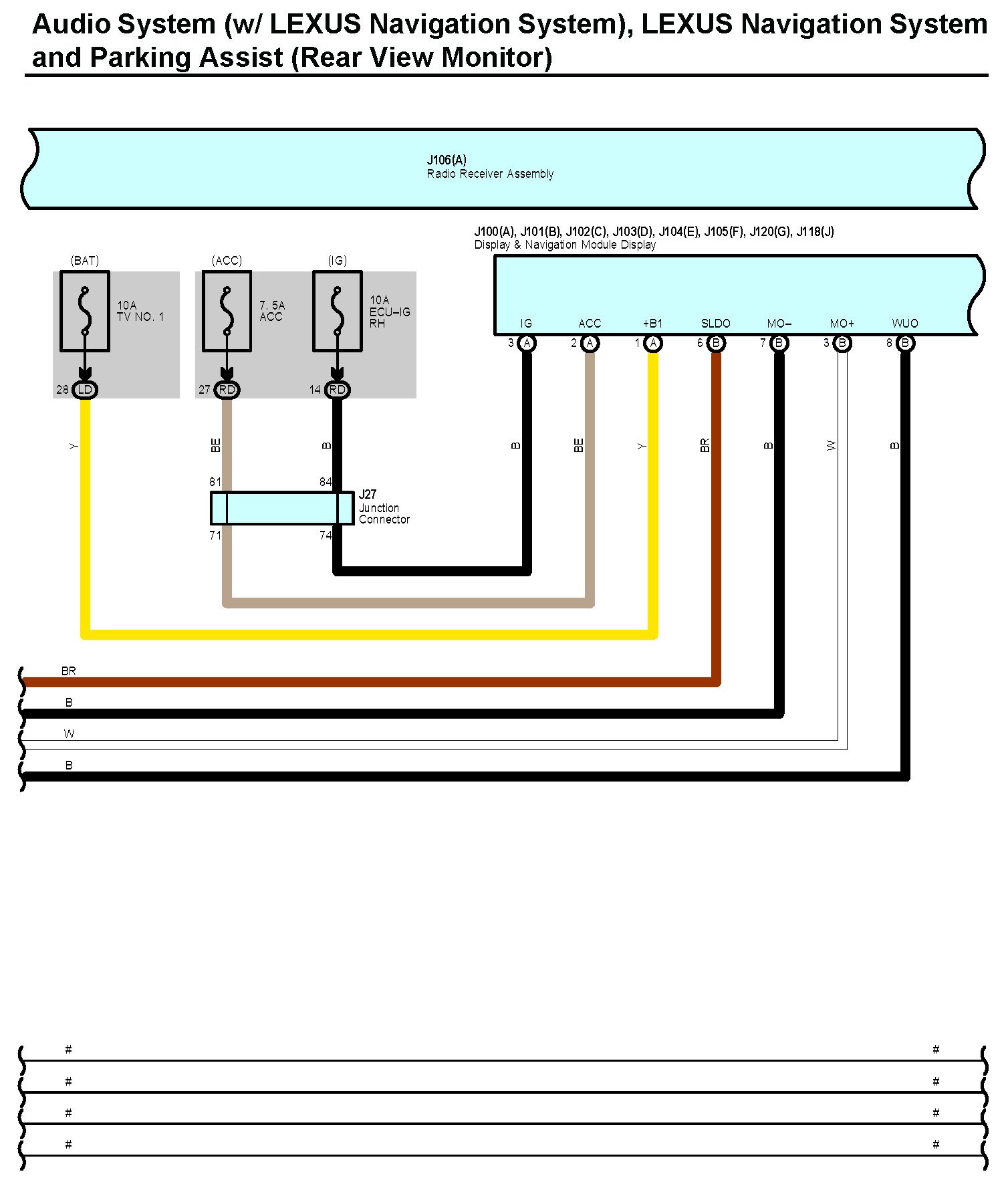
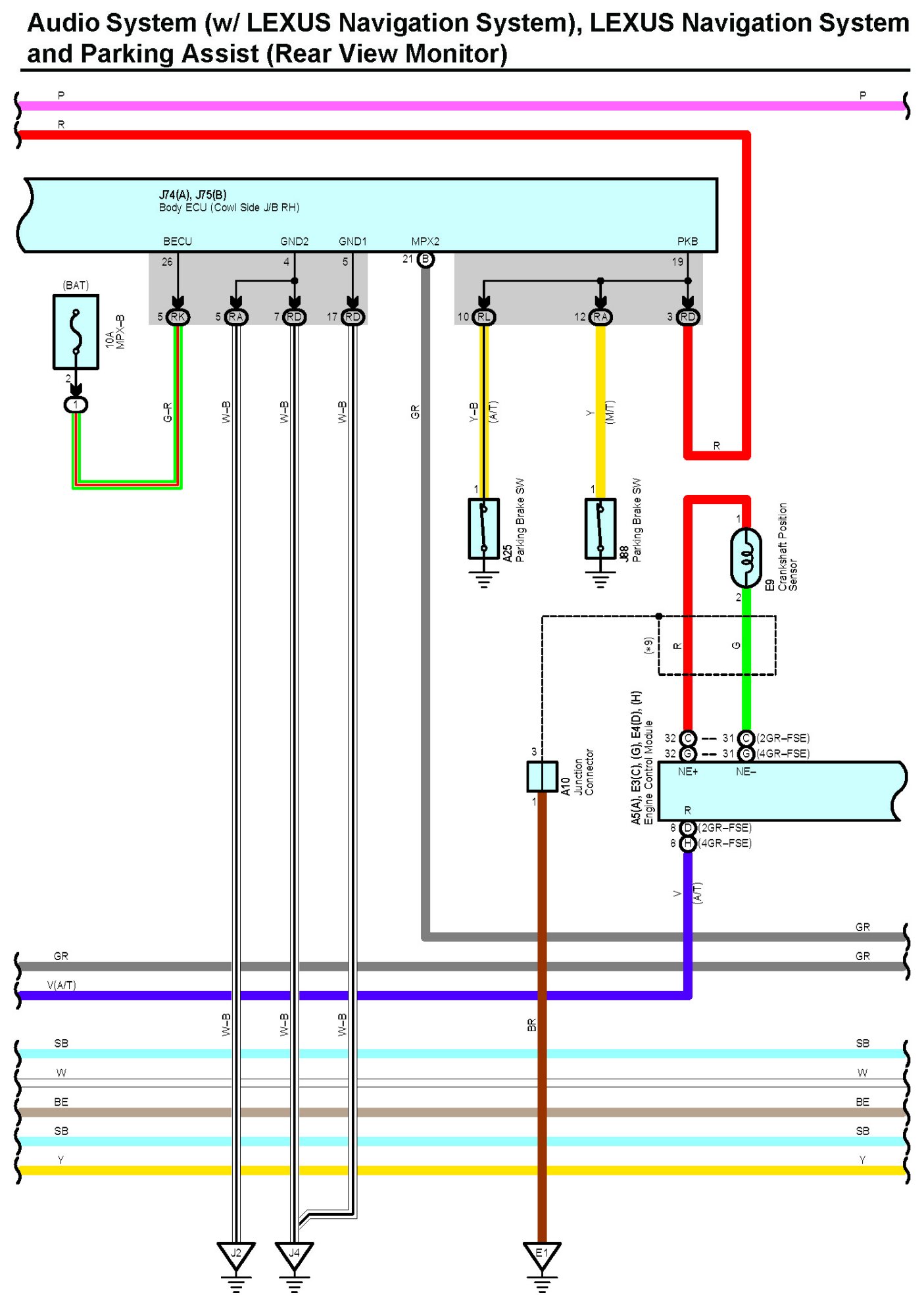
Audio System (w/ Lexus Navigation System), Lexus Navigation System and Parking Assist (Rear View Monitor) Part 4:




Audio System (w/ Lexus Navigation System), Lexus Navigation System and Parking Assist (Rear View Monitor) Part 5:




Audio System (w/ Lexus Navigation System), Lexus Navigation System and Parking Assist (Rear View Monitor) Part 6:




Audio System (w/ Lexus Navigation System), Lexus Navigation System and Parking Assist (Rear View Monitor) Part 7:




Audio System (w/ Lexus Navigation System), Lexus Navigation System and Parking Assist (Rear View Monitor) Part 8:




Audio System (w/ Lexus Navigation System), Lexus Navigation System and Parking Assist (Rear View Monitor) Part 9:




Audio System (w/ Lexus Navigation System), Lexus Navigation System and Parking Assist (Rear View Monitor) Part 10:




Audio System (w/ Lexus Navigation System), Lexus Navigation System and Parking Assist (Rear View Monitor) Part 11:




Audio System (w/ Lexus Navigation System), Lexus Navigation System and Parking Assist (Rear View Monitor) Part 12:




Audio System (w/ Lexus Navigation System), Lexus Navigation System and Parking Assist (Rear View Monitor) Part 13:




Audio System (w/ Lexus Navigation System), Lexus Navigation System and Parking Assist (Rear View Monitor) Part 14:




Audio System (w/ Lexus Navigation System), Lexus Navigation System and Parking Assist (Rear View Monitor) Part 15:




Audio System (w/ Lexus Navigation System), Lexus Navigation System and Parking Assist (Rear View Monitor) Part 16:




Audio System (w/ Lexus Navigation System), Lexus Navigation System and Parking Assist (Rear View Monitor) Part 17:












Locations: The locations of components, connectors, ground points, and splices referred to within these diagrams can be found at Vehicle Locations. Locations

Connector Views: Diagrams of the connectors referred to within these diagrams can be found at Connector Views by Connector Number. Connector Views By Connector Number