Manuals through 2025 now available!
Our trusted friends have launched a new website named LEMON, which has newer manuals. It also contains all the CHARM manuals.
LEMON is the spiritual successor to CHARM, I recommend you try it!
Link:
lemon-manuals.la or
lemon-manuals.org.ua
(Some people have issue connecting. LEMON is investigating. For now, use Firefox or change your DNS server)
Or, hide this message:
temporarily or
permanently
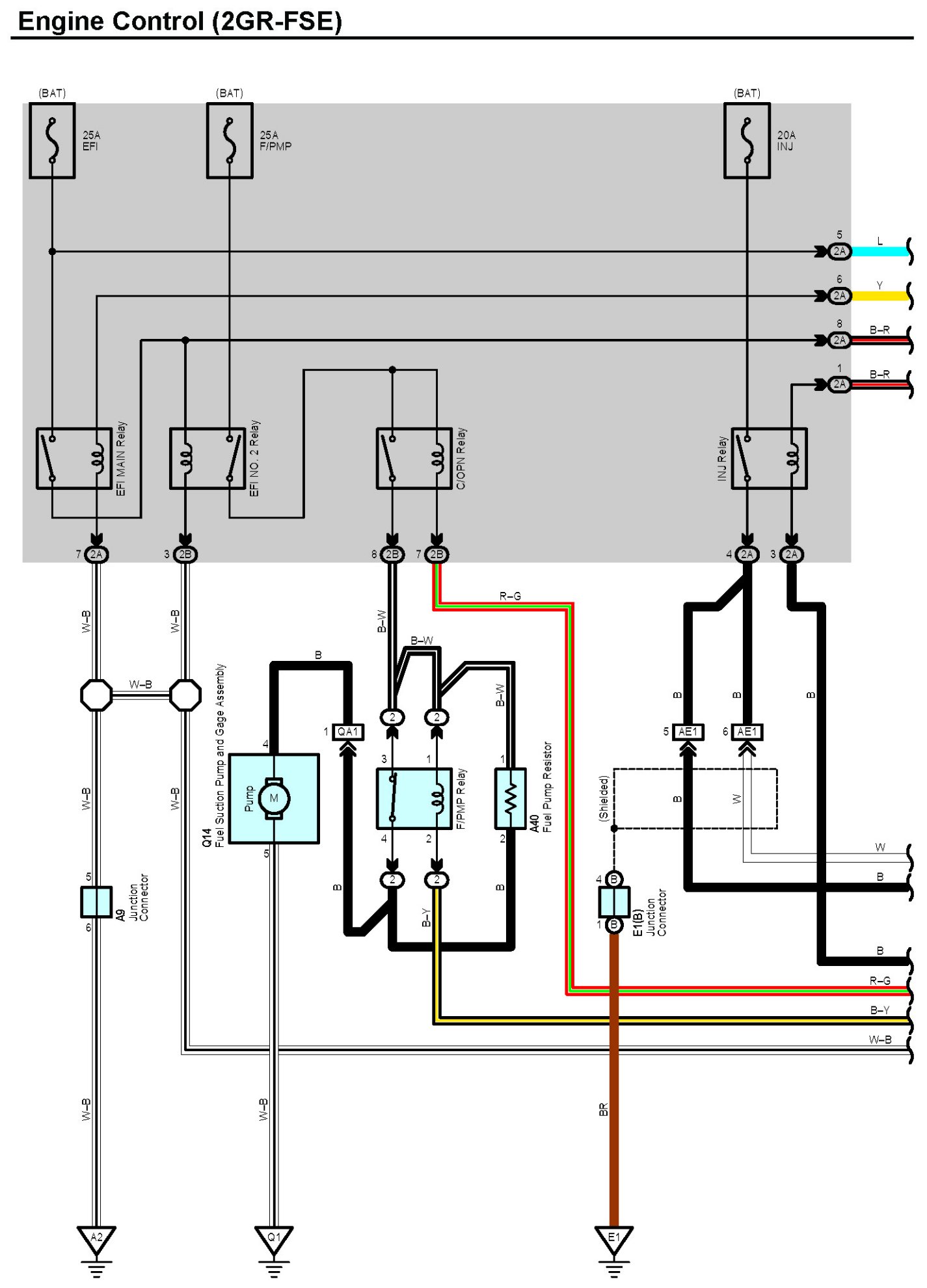
Engine Control Part 1
Engine Control Part 1:
Next Diagram
Engine Control Part 2Locations: The locations of components, connectors, ground points, and splices referred to within these diagrams can be found at Vehicle Locations.
LocationsConnector Views: Diagrams of the connectors referred to within these diagrams can be found at Connector Views by Connector Number.
Connector Views By Connector Number