Operation CHARM: Car repair manuals for everyone.
Manuals through 2025 now available!

Our trusted friends have launched a new website named LEMON, which has newer manuals. It also contains all the CHARM manuals.

LEMON is the spiritual successor to CHARM, I recommend you try it!

Link: lemon-manuals.la or lemon-manuals.org.ua

(Some people have issue connecting. LEMON is investigating. For now, use Firefox or change your DNS server)

Or, hide this message: temporarily or permanently

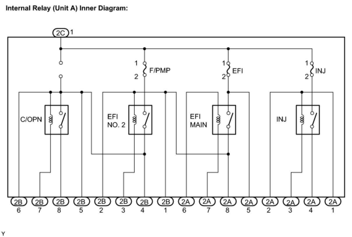
Main Relay (Computer/Fuel System): Testing and Inspection





2GR-FSE ENGINE CONTROL SYSTEM: INTEGRATION RELAY: INSPECTION

1. INSPECT INTEGRATION RELAY

NOTICE:
* Some relays are built into the integration relay (unit: A). The integration relay cannot be disassembled. If there is a malfunction in the circuit of the integration relay, replace the integration relay.
* The internal circuit of the integration relay is as shown in the illustration. Inspect the integration relay using the following procedures.






(a) Measure the resistance of the C/OPN relay.





(1) Using an ohmmeter, measure the resistance between terminal.

Standard resistance:





(2) Connect the battery's positive (+) lead to terminals 2B-5 and negative (-) lead to terminal 2B-7. Using an voltmeter, measure the resistance between terminal.

Standard voltage:





(b) Measure the resistance of the EFI MAIN relay.





(1) Remove the EFI fuse. Using an ohmmeter, measure the resistance between the terminals.

Standard resistance:





(2) Connect the battery's positive (+) lead to terminal 2A-6 and negative (-) lead to terminal 2A-7. Using an ohmmeter, measure the resistance between terminal.

Standard resistance:





(c) Measure the resistance of the EFI NO. 2 relay.





(1) Remove the F/PMP fuse. Using an ohmmeter, measure the resistance between the terminals.

Standard resistance:





(2) Connect the battery's positive (+) lead to terminal 2A-8 and negative (-) lead to terminal 2B-3. Using an ohmmeter, measure the resistance between the terminals.

Standard resistance:





(d) Measure the resistance of the EFI INJ relay.





(1) Remove the INJ fuse. Using an ohmmeter, measure the resistance between the terminals.

Standard resistance:





(2) Connect the battery's positive (+) lead to terminal 2A-2 and negative (-) lead to terminal 2A-3. Using an ohmmeter, measure the resistance between the terminals.

Standard resistance: