Operation CHARM: Car repair manuals for everyone.
Manuals through 2025 now available!

Our trusted friends have launched a new website named LEMON, which has newer manuals. It also contains all the CHARM manuals.

LEMON is the spiritual successor to CHARM, I recommend you try it!

Link: lemon-manuals.la or lemon-manuals.org.ua

(Some people have issue connecting. LEMON is investigating. For now, use Firefox or change your DNS server)

Or, hide this message: temporarily or permanently

Cruise Control System





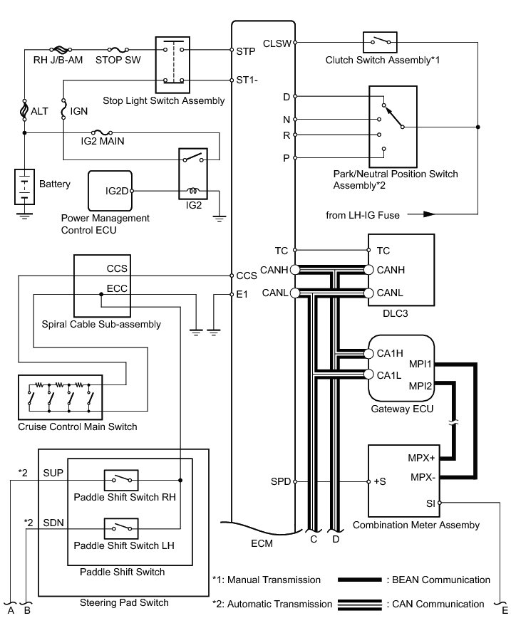
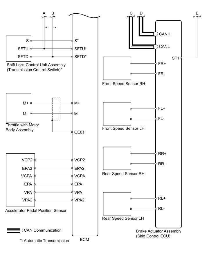
CRUISE CONTROL: CRUISE CONTROL SYSTEM: SYSTEM DIAGRAM









Communication Table









SYSTEM DESCRIPTION

1. CRUISE CONTROL SYSTEM

This system is controlled by the ECM, and is activated by the throttle position sensor and motor. The ECM controls the following functions: ON-OFF, - (COAST)/SET, + (ACCEL)/RES (RESUME), CANCEL, vehicle speed operation, motor output control, and shift down control.

The ECM compares the driving vehicle speed from the speed sensor with the stored vehicle speed set through the cruise control main switch. The ECM instructs the throttle valve motor of the throttle body assembly to close the valve when the driving speed is greater than the stored speed, and instructs it to open the valve when the driving speed is less than the stored speed.

The ECM receives signals such as ON-OFF, - (COAST)/SET, + (ACCEL)/RES (RESUME), and CANCEL from the cruise control main switch and executes the command.

The ECM illuminates the combination meter assembly's CRUISE main indicator light when it receives a cruise control main switch ON signal.

The ECM cancels the cruise control system when the brake pedal is depressed and the ECM receives a stop light switch assembly signal.

The ECM cancels the cruise control system when 3rd, 2nd or 1st range selected using the shift paddle switch (for Automatic Transaxle).

The ECM cancels the cruise control system when the shift lever is moved from D or S to any other position, or 3rd, 2nd, or 1st range is selected with the shift lever in S, and the ECM receives a park/neutral position switch signal (for Automatic Transaxle).

The ECM cancels the cruise control system when the clutch pedal is depressed and the ECM receives a clutch switch assembly signal (for Manual Transaxle).

2. LIMIT CONTROL

(a) Low speed limit

The lowest possible limit of the speed setting range is set at approximately 40 km/h (25 mph). The cruise control system cannot be set when the vehicle speed is below the low speed limit. Cruise control operation will be automatically canceled but the stored vehicle speed will be retained when the vehicle speed drops below the low speed limit of 40 km/h (25 mph) while the cruise control is in operating.

(b) High speed limit

The highest possible limit of the speed setting range is set at approximately 200 km/h (125 mph). The cruise control system cannot be set when the driving vehicle speed is over the high speed limit. Also, + (ACCEL)/RES (RESUME) cannot be used to increase speed beyond the high speed limit.

3. OPERATION OF CRUISE CONTROL

The cruise control main switch operates 7 functions: SET, - (COAST), TAP-DOWN, RES (RESUME), + (ACCEL), TAP-UP, and CANCEL. The SET, TAP-DOWN, and - (COAST) functions, and the RES (RESUME), TAP-UP, and + (ACCEL) functions are operated with the same switch. The cruise control main switch is an automatic return type switch which turns on only while operating it in the direction of each arrow and turns off after releasing it.

(a) SET CONTROL

Vehicle speed is stored and constant speed control is maintained when pushing the cruise control main switch to - (COAST)/SET while driving with the main switch on (the CRUISE main indicator light is on), and the vehicle speed is within the set speed range (between the low and high speed limits).

(b) COAST CONTROL

When the cruise control main switch is set to - (COST)/SET and held in that position while the cruise control system is operating, the ECM sends a "throttle valve opening angle 0°" demand signal to the cruise control system. Then the vehicle speed, when the cruise control main switch is released, is stored and maintained.

HINT
An actual throttle valve opening angle of 0° is not possible due to the idle speed control, etc.

(c) TAP-DOWN CONTROL

When tapping down the cruise control main switch to - (COAST)/SET (for approximately 0.6 seconds) while the cruise control system is operating, the stored vehicle speed decreases each time by approximately 1.6 km/h (1 mph). When the cruise control main switch is released from - (COAST)/SET and the difference between the driving and stored vehicle speed is more than 5 km/h (3 mph), the driving vehicle speed is stored and constant speed control is maintained.

(d) ACCELERATION CONTROL

The throttle valve motor of the throttle body assembly is instructed by the ECM to open the throttle valve when + (ACCEL)/RES (RESUME) on the cruise control main switch is pressed and held while the cruise control system is operating. When the cruise control main switch is released from + (ACCEL)/RES (RESUME), the vehicle speed is stored and the vehicle is controlled at a constant speed.

(e) TAP-UP CONTROL

When tapping up the cruise control main switch to + (ACCEL)/RES (RESUME) (for approximately 0.6 seconds) while the cruise control system is operating, the stored vehicle speed increases each time by approximately 1.6 km/h (1 mph). However, when the difference between the driving and the stored vehicle speed is more than 5 km/h (approximately 3 mph), the stored vehicle speed will not be changed.

(f) RESUME CONTROL

If cruise control operation was canceled with the stop light switch assembly or the CANCEL switch, and if driving speed is within the limit range, pushing the cruise control main switch to + (ACCEL)/RES (RESUME) restores vehicle speed memorized at the time of cancellation, and maintains constant speed control.

(g) MANUAL CANCEL CONTROL

Performing any of the following cancels the cruise control system while it is operating (the stored vehicle speed in the ECM is maintained).

Depressing the brake pedal

Depressing the clutch pedal (for Manual Transaxle).

Moving the shift lever from D or S to any other position, or selecting 3rd, 2nd, or 1st range with the shift lever in S (for Automatic Transaxle).

Selecting 3rd, 2nd, or 1st range with the shift paddle switch (for Automatic Transaxle).

Pushing the cruise control main switch to CANCEL

Turning the cruise control main switch off (the stored vehicle speed in the ECM is not maintained).

(h) SHIFT-DOWN CONTROL

When the vehicle is traveling uphill using cruise control, automatic transmission control may cause the transmission to shift down. During shift-down control, when the end of uphill travel is determined based on the throttle valve angle, the transmission will shift up after a certain period of time.

4. AUTO CANCEL (FAIL-SAFE)

This system has an automatic cancellation function (fail-safe) Fail-Safe Chart.