Operation CHARM: Car repair manuals for everyone.
Manuals through 2025 now available!

Our trusted friends have launched a new website named LEMON, which has newer manuals. It also contains all the CHARM manuals.

LEMON is the spiritual successor to CHARM, I recommend you try it!

Link: lemon-manuals.la or lemon-manuals.org.ua

(Some people have issue connecting. LEMON is investigating. For now, use Firefox or change your DNS server)

Or, hide this message: temporarily or permanently

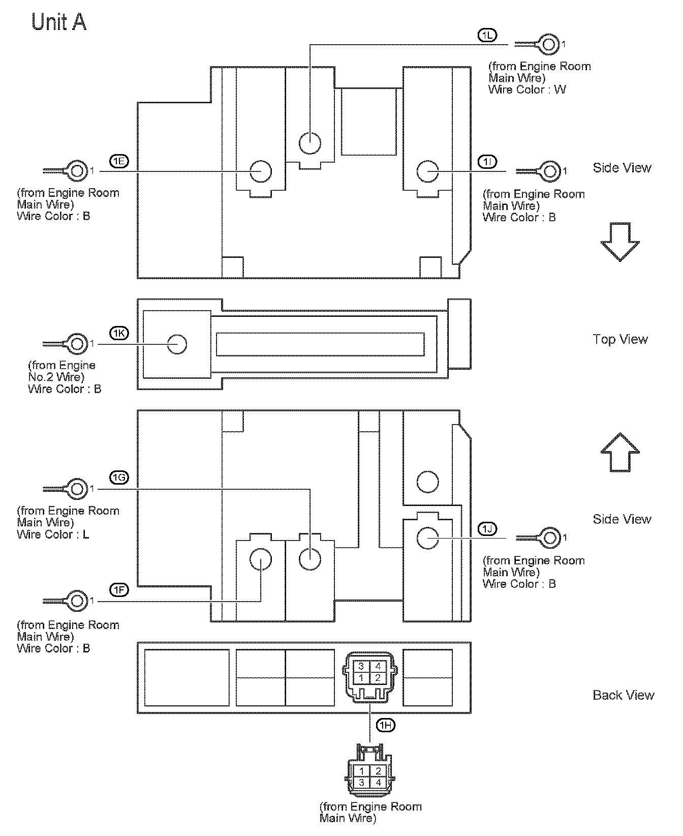
Relay Box

Engine Room R/B, J/B Assembly - Engine Compartment Left:





Engine Room R/B, J/B Assembly - Engine Compartment Left:





Engine Room R/B, J/B Assembly - Engine Compartment Left:





Cowl Side J/B LH Assembly - Cowl Side Left:





Cowl Side J/B LH Assembly - Cowl Side Left:





Cowl Side J/B LH Assembly - Cowl Side Left:





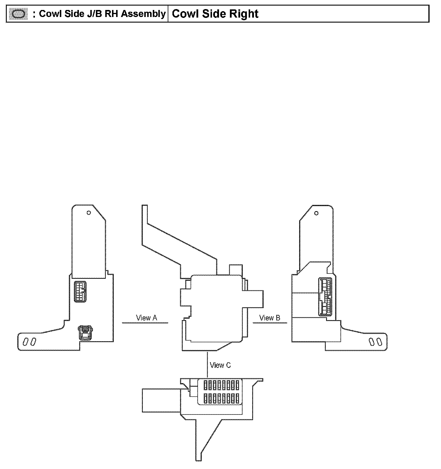
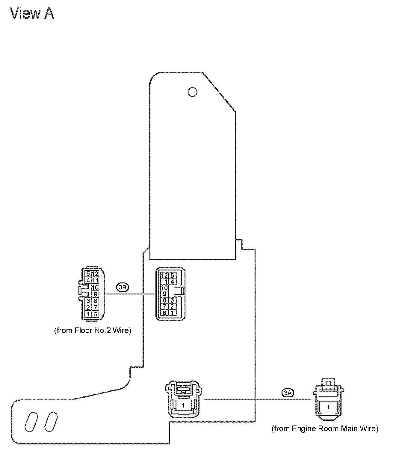
Cowl Side J/B RH Assembly - Cowl Side Right:





Cowl Side J/B RH Assembly - Cowl Side Right:





Cowl Side J/B RH Assembly - Cowl Side Right:





Junction Connector (CAN No.1) - Left Luggage Compartment:





Junction Connector (CAN No.2) - Right Luggage Compartment: