Operation CHARM: Car repair manuals for everyone.
Manuals through 2025 now available!

Our trusted friends have launched a new website named LEMON, which has newer manuals. It also contains all the CHARM manuals.

LEMON is the spiritual successor to CHARM, I recommend you try it!

Link: lemon-manuals.la or lemon-manuals.org.ua

(Some people have issue connecting. LEMON is investigating. For now, use Firefox or change your DNS server)

Or, hide this message: temporarily or permanently

CAN Communication System





NETWORKING: CAN COMMUNICATION SYSTEM: SYSTEM DIAGRAM









* *1: w/ Power Back Door System

*2: w/ Wide View Front and Side Monitor System

*3: w/ Dynamic Radar Cruise Control System

















HINT
* The master cylinder solenoid (skid control ECU) stores steering sensor and yaw rate sensor DTCs and performs DTC communication by receiving information from the steering sensor and yaw rate sensor.
* The ECM uses the CAN communication system to perform DTC communication instead of the conventional communication line (SIL).





SYSTEM DESCRIPTION

1. BRIEF DESCRIPTION

(a) The CAN (Controller Area Network) is a serial data communication system for real time application. It is a vehicle multiplex communication system which has a high communication speed (500 kbps, 250 kbps) and the ability to detect malfunctions.

(b) By pairing the CANH and CANL bus lines, the CAN performs communication based on differential voltages.

(c) Many ECUs (sensors) installed on the vehicle operate by sharing information and communicating with each other.

(d) The CAN has 2 resistors of 120 Ohms which are necessary to communicate with the main wire.

2. DEFINITION OF TERMS

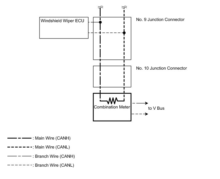
(a) Main wire

(1) The main wire is a wire harness between the 2 termination circuits on the bus (communication line). This is the main bus in the CAN communication system.

(b) Branch wire

(1) The branch wire is a wire harness which diverges from the main wire to an ECU or sensor.

(c) Termination circuits

(1) The termination circuit is a circuit which converts the communication current of the CAN communication into the bus voltage. It consists of a resistor and condenser. 2 termination circuits are necessary on a bus.

(d) CAN junction connector

(1) The CAN junction connector is designed so that it can be used with CAN communication which has a termination circuit and CAN communication which does not have a termination circuit.

3. CIRCUIT DESCRIPTION

(a) The V bus, movement control bus and MS bus each have termination circuits with resistance of 120 Ohms x 2. High speed communication at 500 kbps and 250 kbps is possible.

4. ECU OR SENSOR WHICH COMMUNICATE VIA CAN COMMUNICATION SYSTEM

(a) Master cylinder solenoid (skid control ECU)

(b) Air conditioning amplifier

(c) ECM

(d) Main body ECU (cowl side junction block LH)

(e) Combination meter

(f) Center airbag sensor

(g) Display and navigation module display

(h) Steering angle sensor

(i) Yaw rate sensor

(j) Seat belt control ECU*1

(k) Parking assist ECU*2

(l) Outer mirror control ECU

(m) Multiplex tilt and telescopic ECU

(n) Certification ECU (smart key ECU)

(o) Position control ECU and switch

(p) Tire pressure warning ECU

(q) Network gateway ECU

(r) 4WD control ECU

(s) No. 2 main body ECU

(t) Power back door unit (power back door ECU)*3

(u) Distance control ECU*1

(v) Steering control ECU

(w) Suspension control ECU

(x) AFS ECU (headlight swivel ECU)

(y) Windshield wiper ECU

*1: w/ Dynamic Radar Cruise Control System

*2: w/ Wide View Front and Side Monitor System

*3: w/ Power Back Door System

5. DIAGNOSTIC CODES FOR CAN COMMUNICATION SYSTEM

(a) DTCs for the CAN communication system are as follows: U0073, U0100, U0101, U0114/38, U0122, U0123, U0124, U0126, U0127, U0129, U0130, U0132, U0140, U0141, U0151, U0155, U0164, U0199, U0208, U0230, U0327, U1002 (CAN MS BUS), U1002 (CAN No. 2 BUS), U1100, U1101, U1110, U1111, U1115, U1126, B1499, B2427, B2621, B2624 and C2179.

6. NOTES REGARDING TROUBLESHOOTING

(a) Trouble in the CAN bus (communication line) can be checked through the DLC3 (except when there is a wire break in the branch wire of the DLC3).

(b) DTCs regarding the CAN communication system can be checked using the Techstream.

(c) The CAN communication system cannot detect trouble in the branch line of the DLC3 even though the DLC3 is also connected to the CAN communication system.

7. HOW TO DISTINGUISH CAN JUNCTION CONNECTOR CONNECTOR

(a) In the CAN communication system, the shape of all connectors connected to the CAN junction connector is the same.

The connectors connected to the CAN junction connector can be distinguished by the colors of the bus line and the connecting side of the connector.

HINT
See "Terminals of ECU" CAN Communication System for bus line color or the type of connecting surface.