Operation CHARM: Car repair manuals for everyone.
Manuals through 2025 now available!

Our trusted friends have launched a new website named LEMON, which has newer manuals. It also contains all the CHARM manuals.

LEMON is the spiritual successor to CHARM, I recommend you try it!

Link: lemon-manuals.la or lemon-manuals.org.ua

(Some people have issue connecting. LEMON is investigating. For now, use Firefox or change your DNS server)

Or, hide this message: temporarily or permanently

Dynamic Radar Cruise Control System





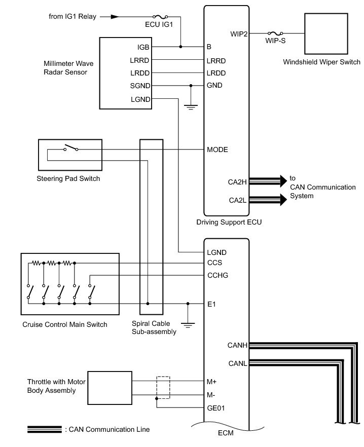
CRUISE CONTROL: DYNAMIC RADAR CRUISE CONTROL SYSTEM: SYSTEM DIAGRAM

















Communication Table













SYSTEM DESCRIPTION

1. GENERAL

(a) The dynamic radar cruise control system has two cruise control modes: the constant speed control mode and vehicle-to-vehicle distance control mode.

The vehicle-to-vehicle distance control mode is always selected when starting the dynamic radar cruise control system.

Operation of the constant speed control mode is the same as that for a conventional cruise control system.

(b) This system maintains the vehicle running at the speed that the driver has set, as long as there are no vehicles ahead in the same lane. Then, the system maintains the vehicle distance that has been set by the driver. If the system detects a vehicle driving at a slower speed ahead while the driver is driving at a constant speed, it closes the throttle valve to decelerate. If further deceleration is required, the system controls the brake actuator in order to apply the brakes. Thereafter, if there are no vehicles ahead within the set vehicle-to-vehicle distance because either the vehicle ahead or the driver has changed lanes, the system accelerates slowly to reach the set vehicle speed and resumes driving at the constant speed.

(c) The constant speed control mode is designed to maintain a constant cruising speed. The vehicle-to-vehicle distance control mode is designed to control cruising at a constant speed function, deceleration cruising function, follow-up cruising function, and acceleration cruising function.

(d) The millimeter wave radar sensor and the driving support ECU control the system while the vehicle-to-vehicle distance control mode is in operation, and send signals to each actuator and ECU.

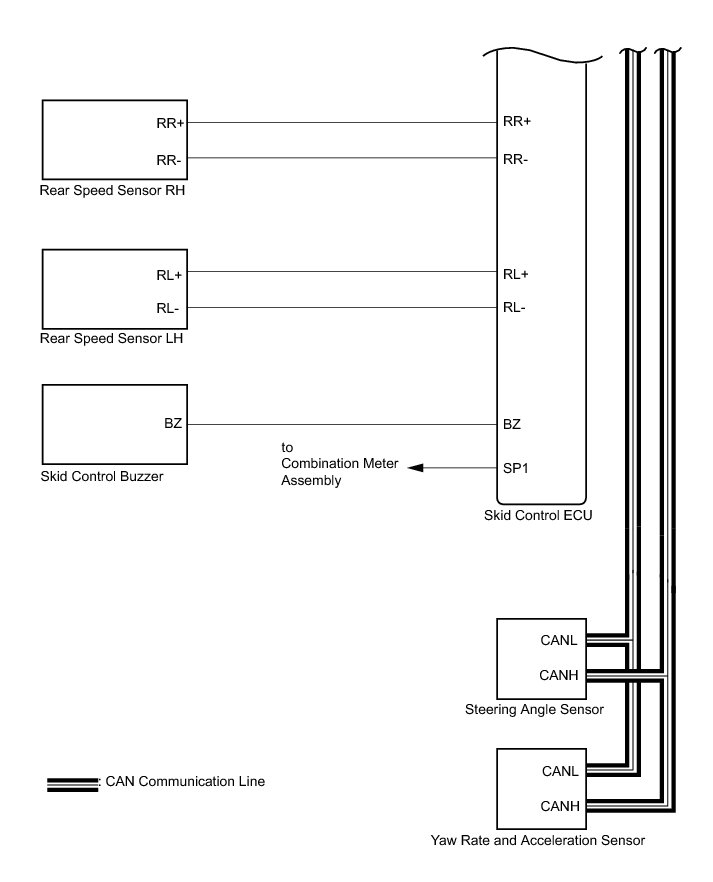
(e) In vehicle-to-vehicle distance control mode, the dynamic radar cruise control system receives signals from the yaw rate and acceleration sensor and the steering angle sensor. Based on these signals, the system then estimates curve radius and compensates for information on the preceding vehicle while turning. It can also compensate using brake control when approaching another vehicle.

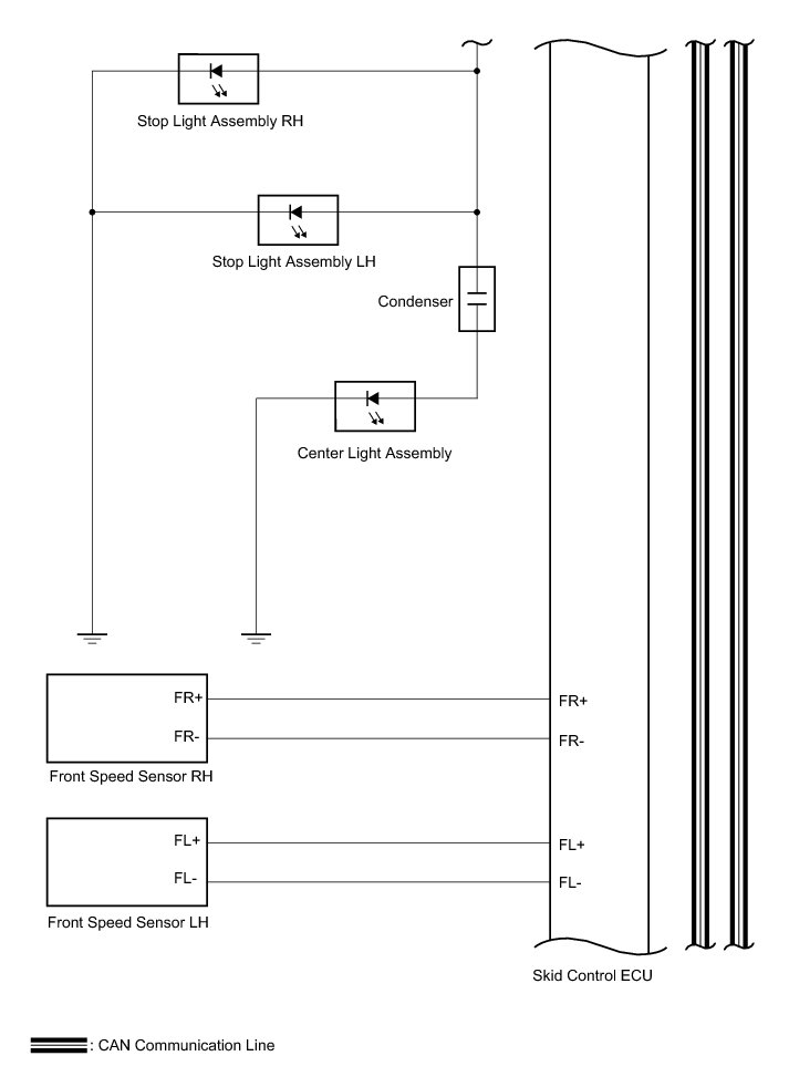
(f) This system judges the presence of a vehicle in front and the distance to it based on the signals from the radar sensor while the vehicle-to-vehicle distance control mode is in operation. Using this information, the system informs the driver of any danger with the warning buzzer, performs brake control, and turns on the stop light when approaching the vehicle in front.

(g) The following illustration shows a control example under the following conditions: own vehicle speed is 100 km/h (62 mph) and the speed of the vehicle in front is 80 km/h (50 mph). Setting of the vehicle distance can be changed to 3 distances by operating the distance control switch (distance control switch): long (approximately 50 m (165 ft.)), middle (approximately 40 m (132 ft.)), and short (approximately 25 m (82 ft.)) when the vehicle speed is approximately 80 km/h (50 mph).





HINT
* Vehicle distance increases and decreases in accordance with vehicle speed.
* Controlling condition is indicated on the multi-information display in the combination meter.

2. FUNCTION OF MAIN COMPONENTS





3. LIMIT CONTROL

(a) Low speed limit

The lowest possible limit of the speed setting range is set at approximately 50 km/h (31 mph). The cruise control system cannot be set when the driving vehicle speed is below the low speed limit. Cruise control operation will be automatically canceled when the vehicle speed decreases below the low speed limit of approximately 40 km/h (25 mph) while the cruise control is in operation.

(b) High speed limit (constant speed control mode)

The highest possible limit of the speed setting range is set at approximately 200 km/h (125 mph). The cruise control system will be set at the high speed limit when the cruise control is set and the vehicle speed is over the high speed limit. Also, + RES cannot be used to increase speed over the high speed limit.

(c) High speed limit (vehicle-to-vehicle distance control mode)

The highest possible limit of the speed setting range is set at approximately 170 km/h (105 mph).

4. CRUISE CONTROL OPERATION

The cruise control main switch operates 8 functions: SET, - (COAST), TAP-DOWN, RES (RESUME), + (ACCEL), TAP-UP, CANCEL, and MODE. The SET, TAP-DOWN, and - (COAST) functions, and the RES (RESUME), TAP-UP, and + (ACCEL) functions are operated with the same switch. The cruise control main switch is an automatic return type switch which turns on only while operating it in the direction of each arrow and turns off after releasing it. The dynamic radar cruise control system has two cruise control modes: the constant speed control mode and vehicle-to-vehicle distance control mode.

The vehicle-to-vehicle distance control mode is always selected when starting up the dynamic radar cruise control system (cruise main indicator light and "RADAR READY" indicator comes on).

Text in Illustration









Operation of the constant speed control mode is the same as that for a conventional cruise control system.

(a) MODE CONTROL

Pushing the switch to MODE for more than 1 second while driving with the cruise control main switch ON-OFF button on ("RADAR READY" is on) switches the mode to the constant speed control mode.

(b) SET CONTROL (Constant speed control mode)

The vehicle speed is stored and constant speed control is maintained when pushing the switch to - SET while driving with the vehicle speed within the set speed range (between the low and high speed limits) after pushing the cruise control main switch ON-OFF button on, and entering the constant speed control mode (cruise main indicator light comes on).

Text in Illustration









(c) SET CONTROL (Vehicle-to-vehicle distance control mode)

The vehicle speed is stored and vehicle-to-vehicle distance control is maintained when pushing the switch to - SET while driving with the cruise control main switch on ("RADAR READY" is on), and vehicle speed is within the set speed range (between the low and high speed limits) (cruise main indicator comes on).

Text in Illustration









(d) - (COAST) CONTROL (Constant speed control mode)

When the cruise control main switch is held to - SET while the cruise control system is operating, the ECM sends a "throttle valve opening angle 0°" demand signal to the cruise control system. Then the vehicle speed, when the cruise control main switch is released, is stored and maintained.

HINT
An actual throttle valve opening angle of 0° is not possible due to the idle speed control, etc.

(e) - (COAST) CONTROL (Vehicle-to-vehicle distance control mode)

When the cruise control main switch is held to - SET while the cruise control system is operating, the stored vehicle speed decreases by approximately 1 km/h or 1 mph per second.

(f) TAP-DOWN - (CONTROL) (Constant speed control mode)

When tapping down the cruise control main switch to - SET (for approximately 0.6 seconds) while the constant speed control mode is in operation, the stored vehicle speed decreases each time by approximately 1.6 km/h (1 mph). When the cruise control main switch is released from - SET and the difference between the driving and stored vehicle speeds is more than approximately 5 km/h (3 mph), the driving vehicle speed is stored and constant speed control is maintained.

(g) TAP-DOWN CONTROL (Vehicle-to-vehicle distance control mode)

When tapping down the cruise control main switch to - SET (for approximately 0.6 seconds) while the vehicle-to-vehicle distance control mode is in operation, the stored vehicle speed decreases each time by approximately 1 km/h (CANADA) or 1 mph (USA).

(h) + (ACCEL) CONTROL (Constant speed control mode)

The throttle valve motor of the throttle position sensor and motor is instructed by the ECM to open the throttle valve when + RES on the cruise control main switch is pressed and held while the constant speed control mode is in operation. When the cruise control main switch is released from + RES, the vehicle speed is stored and constant speed control is maintained.

(i) + (ACCEL) CONTROL (Vehicle-to-vehicle distance control mode)

When + RES on the cruise control main switch is pressed and held while the vehicle-to-vehicle distance control mode is in operation, the stored vehicle speed increases by approximately 1 km/h or 1 mph per second. Pushing the cruise control main switch to + RES while following the vehicle in front with the vehicle-to-vehicle distance control mode does not increase the actual vehicle speed, but changes only the set vehicle speed.

(j) TAP-UP CONTROL (Constant speed control mode)

When tapping up the cruise control main switch to + RES (approximately 0.6 seconds) while the constant speed control mode is in operation, the stored vehicle speed increases each time by approximately 1.6 km/h (1 mph). However, when the difference between the driving and the stored vehicle speeds is more than approximately 5 km/h (3 mph), the stored vehicle speed will not be changed.

(k) TAP-UP CONTROL (Vehicle-to-vehicle distance control mode)

When tapping up the cruise control main switch to + RES (for approximately 0.6 seconds) while the vehicle-to-vehicle distance control mode is in operation, the stored vehicle speed increases each time by approximately 1 km/h (CANADA) or 1 mph (USA).

(l) MANUAL CANCEL CONTROL

Performing any of the following cancels the cruise control system while it is in operation (the stored vehicle speed in the ECM is maintained).

Depressing the brake pedal

Moving the shift lever from D or S to any other position, shift to the 3rd, 2nd, or 1st range with the shift lever in S

Pushing the cruise control main switch to CANCEL

Turning the cruise control main switch off (the stored vehicle speed in the ECM is not maintained)

(m) RES (RESUME) CONTROL

If the cruise control operation was canceled by the stop light switch, CANCEL switch, or shift lever operation, and if driving speed is within the set speed range, pushing the cruise control main switch to + RES restores the vehicle speed memorized at the time of cancellation, and maintains constant speed control. In the constant speed control mode, once the vehicle speed drops below the low speed limit, RESUME operation is possible after accelerating past the low speed limit and pushing the cruise control main switch to + RES.

5. BRAKE CONTROL

The driving support ECU determines the distance to the vehicle in front, relative speed, target decreasing speed, and deceleration rate. Based on these data, the ECU transmits a brake demand signal to the skid control ECU via the ECM.

6. DOWN SHIFT CONTROL

While the cruise control system is in operation, the transmission may downshift from an overdrive gear on an uphill road. After the downshift, if the system determines that the uphill inclination has become smaller based on the throttle valve opening angle, the transmission automatically returns to an overdrive gear.

7. AUTO CANCEL (FAIL-SAFE)

This system has an automatic cancellation function (fail-safe) Fail-Safe Chart.