Operation CHARM: Car repair manuals for everyone.
Manuals through 2025 now available!

Our trusted friends have launched a new website named LEMON, which has newer manuals. It also contains all the CHARM manuals.

LEMON is the spiritual successor to CHARM, I recommend you try it!

Link: lemon-manuals.la or lemon-manuals.org.ua

(Some people have issue connecting. LEMON is investigating. For now, use Firefox or change your DNS server)

Or, hide this message: temporarily or permanently

Installation





HEATING / AIR CONDITIONING: COMPRESSOR: INSTALLATION

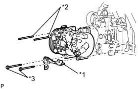
1. TEMPORARILY TIGHTEN COMPRESSOR AND MAGNETIC CLUTCH

(a) for Standard Bolt:

(1) Temporarily install the compressor and magnetic clutch and the bracket with the 4 bolts.





Text in Illustration





(b) for Stud Bolt:

(1) Temporarily install the compressor and magnetic clutch and the bracket with the 2 stud bolts and 2 bolts.





Text in Illustration





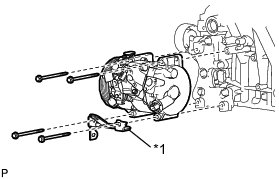
2. INSTALL COMPRESSOR AND MAGNETIC CLUTCH

(a) for Standard Bolt:

(1) Install the compressor and magnetic clutch with the 4 bolts.





Torque : 25 Nm (250 kgf-cm, 18 ft-lbf)

NOTICE:
Tighten the bolts in the order shown in the illustration to install the compressor and magnetic clutch.

(b) for Stud Bolt:

(1) Using a "TORX" socket wrench (E8), install the 2 stud bolts.





Torque : 25 Nm (250 kgf-cm, 18 ft-lbf)

(2) Install the compressor assembly with pulley with the 2 bolts and 2 nuts.





Torque : 25 Nm (250 kgf-cm, 18 ft-lbf)

NOTICE:
Tighten the bolts and nuts in the order shown in the illustration to install the compressor and magnetic clutch.

(c) Engage each clamp.

(d) Connect each connector.

3. CONNECT SUCTION HOSE SUB-ASSEMBLY

(a) Remove the attached vinyl tape from the hose.

(b) Sufficiently apply compressor oil to a new O-ring and the fitting surface of the compressor and magnetic clutch.

Compressor oil:

ND-OIL 8 or equivalent

(c) Install the O-ring onto the suction hose sub-assembly.

NOTICE:
Keep the O-ring and O-ring fitting surfaces free from dirt or any foreign objects.

(d) Install the suction hose sub-assembly onto the compressor and magnetic clutch with the bolt.





Torque : 9.8 Nm (100 kgf-cm, 87 in-lbf)

4. CONNECT DISCHARGE HOSE SUB-ASSEMBLY

(a) Remove the attached vinyl tape from the hose.

(b) Sufficiently apply compressor oil to a new O-ring and the fitting surface of the compressor and magnetic clutch.

Compressor oil:

ND-OIL 8 or equivalent

(c) Install the O-ring onto the discharge hose sub-assembly.

NOTICE:
Keep the O-ring and O-ring fitting surfaces free from dirt or any foreign objects.

(d) Install the discharge hose sub-assembly onto the compressor and magnetic clutch with the bolt.





Torque : 9.8 Nm (100 kgf-cm, 87 in-lbf)

5. INSTALL RADIATOR ASSEMBLY AND FAN ASSEMBLY WITH MOTOR

HINT
Refer to the procedure for Install No. 2 Radiator Assembly Installation.

6. INSTALL COOLER CONDENSER ASSEMBLY Installation

7. INSTALL UPPER RADIATOR SUPPORT Installation

8. CONNECT OUTLET OIL COOLER HOSE Installation

9. CONNECT INLET OIL COOLER HOSE Installation

10. CONNECT NO. 2 RADIATOR HOSE Installation

11. CONNECT NO. 1 RADIATOR HOSE Installation

12. INSTALL RADIATOR RESERVE TANK ASSEMBLY Installation

13. CONNECT DISCHARGE TUBE SUB-ASSEMBLY Installation

14. CONNECT AIR CONDITIONING TUBE AND ACCESSORY ASSEMBLY Installation

15. INSTALL BATTERY Installation

16. INSTALL NO. 1 AIR CLEANER INLET Installation

17. INSTALL NO. 2 AIR CLEANER INLET Installation

18. INSTALL HOOD LOCK SUPPORT SUB-ASSEMBLY Installation

19. INSTALL SMOG VENTILATION SENSOR (w/ Smog Ventilation Sensor) Installation

20. INSTALL HIGH PITCHED HORN ASSEMBLY Installation

21. INSTALL HOOD LOCK ASSEMBLY Installation

22. INSTALL HOOD LOCK CONTROL CABLE COVER Installation

23. INSTALL LOW PITCHED HORN ASSEMBLY Installation

24. INSTALL MILLIMETER WAVE RADAR SENSOR ASSEMBLY (w/ Dynamic Radar Cruise Control System) Installation

25. INSTALL FRONT BUMPER ASSEMBLY Installation

26. INSTALL HOOD CENTER CUSHION Installation

27. INSTALL V-RIBBED BELT Installation

28. INSTALL FRONT FENDER APRON SEAL RH Installation

29. INSTALL FRONT FENDER LINER RH Installation

30. INSTALL FRONT WHEEL RH Installation

31. CONNECT CABLE TO NEGATIVE BATTERY TERMINAL

NOTICE:
When disconnecting the cable, some systems need to be initialized after the cable is reconnected Repair Instruction - Initialization.

32. ADD ENGINE COOLANT Service and Repair

33. ADD WINDSHIELD WASHER FLUID (w/ Headlight Cleaner System) Installation

34. CHARGE WITH REFRIGERANT Service and Repair

35. WARM UP ENGINE Service and Repair

36. INSPECT FOR REFRIGERANT LEAK Service and Repair

37. INSPECT FOR COOLANT LEAK Testing and Inspection

38. INSPECT AUTOMATIC TRANSAXLE FLUID

for U660F: Procedures

for U660E:

39. INSTALL V-BANK COVER SUB-ASSEMBLY Installation

40. INSTALL COOL AIR INTAKE DUCT SEAL Installation

41. INSTALL ENGINE ROOM SIDE COVER Installation

42. INSTALL ENGINE ROOM SIDE COVER LH Installation

43. INSTALL NO. 1 ENGINE UNDER COVER

44. INSPECT HOOD SUB-ASSEMBLY Testing and Inspection

45. ADJUST HOOD SUB-ASSEMBLY Installation

46. PREPARE VEHICLE FOR FOG LIGHT AIM ADJUSTMENT Adjustments

47. PREPARE FOR FOG LIGHT AIMING Adjustments

48. INSPECT FOG LIGHT AIMING Adjustments

49. ADJUST FOG LIGHT AIMING Adjustments